小度生活
首页
美食营养
手工爱好
生活家居
返回
小度生活
首页
美食营养
游戏数码
手工爱好
生活家居
健康养生
运动户外
职场理财
情感交际
母婴教育
时尚美容
知识问答
生活知识
搜索
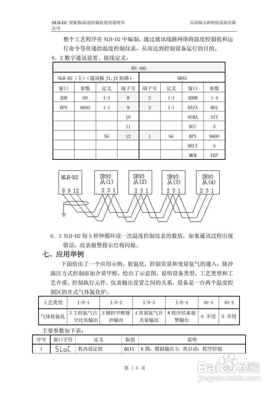
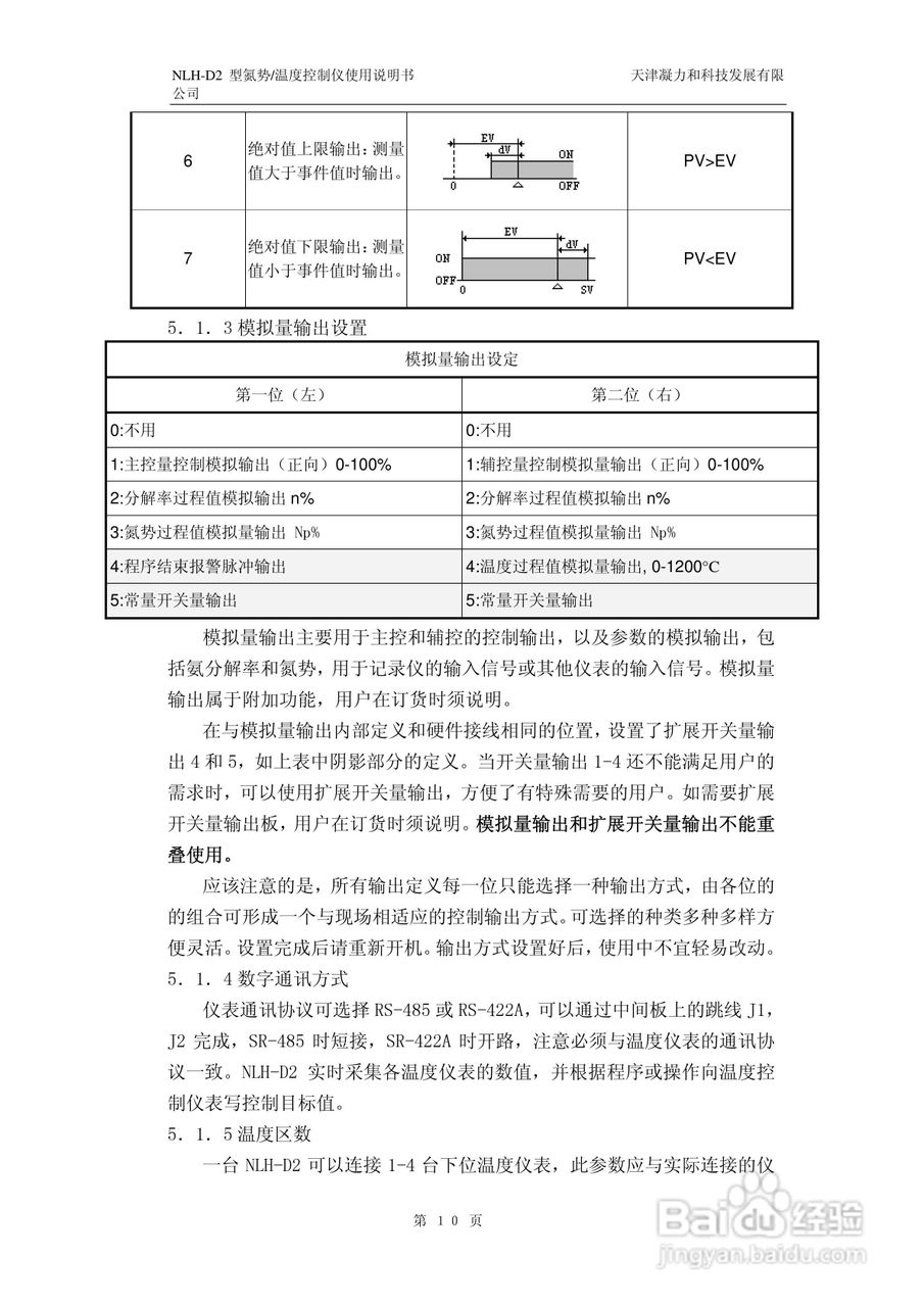
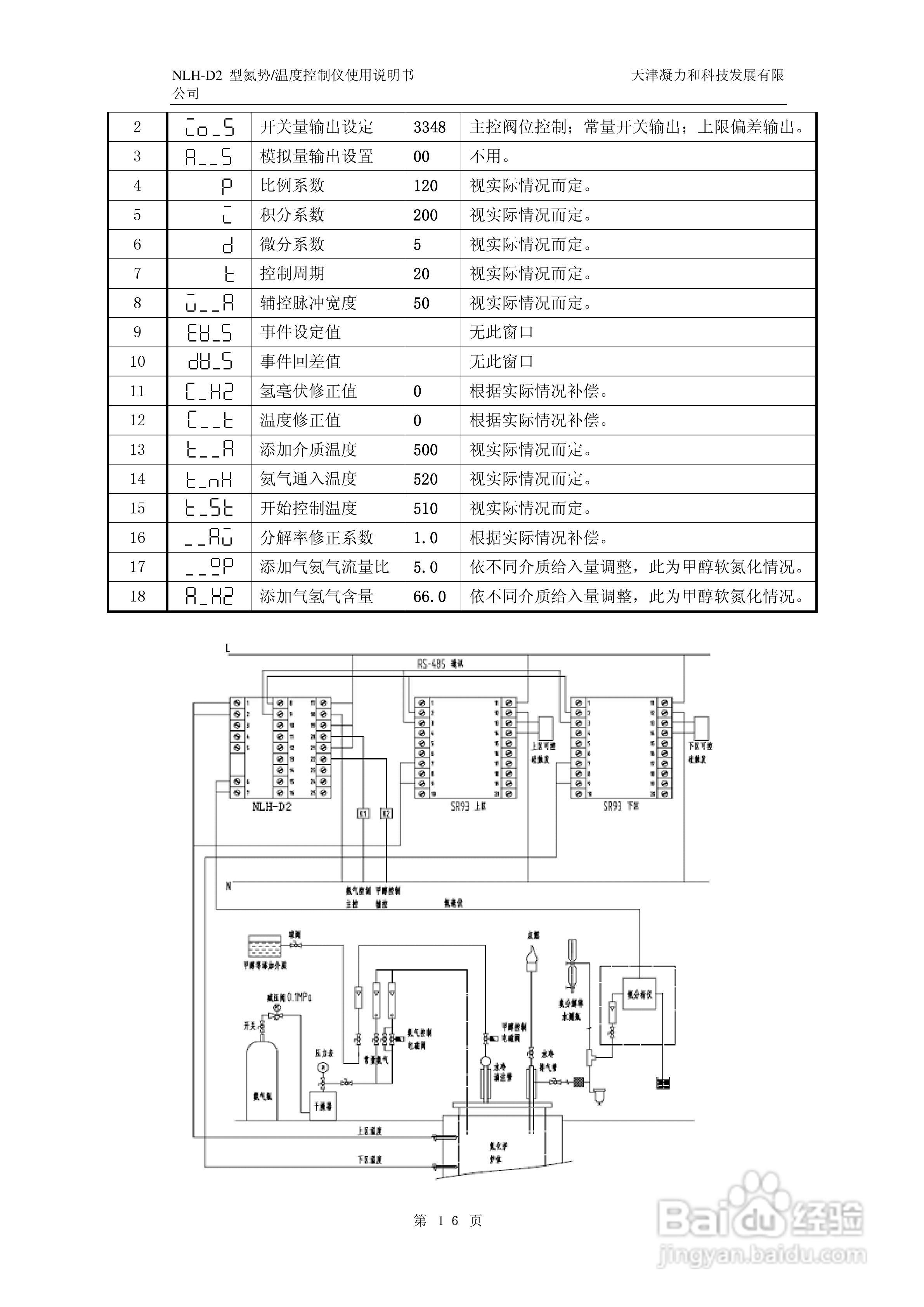
NLH-D2型氮势温度控制仪表使用说明书:[2]
2025-10-23 07:32:20
本篇为《NLH-D2型氮势温度控制仪表使用说明书》,主要介绍该产品的使用方法以及常见故障解决方案。
(共篇)
上一篇:
声明:
本网站引用、摘录或转载内容仅供网站访问者交流或参考,不代表本站立场,如存在版权或非法内容,请联系站长删除,联系邮箱:site.kefu@qq.com。
相关推荐
新逍客仪表如何使用
阅读量:143
影响温度仪表热电偶测量误差的因素
阅读量:67
多通道仪表如何操作
阅读量:163
怎么选择温度控制器
阅读量:100
AI517517PV8.0型人工智能温度控制器使用说明书:[2]
阅读量:29
猜你喜欢
dnf搬砖是什么意思
cloud是什么意思
2月25日是什么星座
does是什么意思
限流是什么意思
结婚三十年是什么婚
saber是什么意思
梦想是什么排比句
bed是什么意思
毕加索是什么画派
猜你喜欢
洗钱是什么意思
二战的转折点是什么战役
fever是什么意思
300分能考上什么大学
喝什么解酒
过氧化氢阳性什么意思
跑马是什么意思
事业单位是什么
username什么意思中文
入宅是什么意思