小度生活
首页
美食营养
手工爱好
生活家居
返回
小度生活
首页
美食营养
游戏数码
手工爱好
生活家居
健康养生
运动户外
职场理财
情感交际
母婴教育
时尚美容
知识问答
生活知识
生活百科
搜索
RAiO RA8816 144x65图形/文字LCD驱动控制器说明书:[2]
2026-04-07 12:55:51
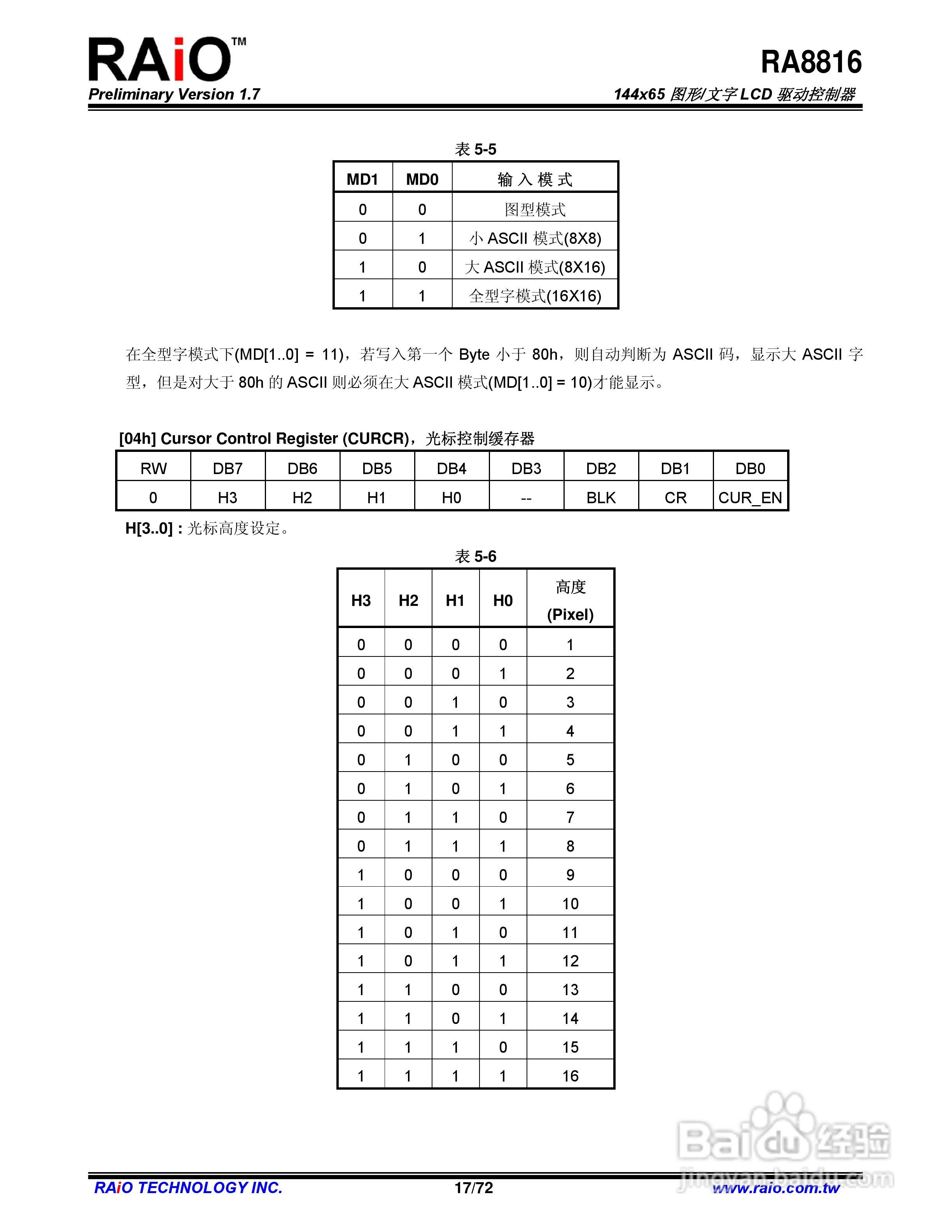
本篇为《RAiO RA8816 144x65图形/文字LCD驱动控制器说明书》,主要介绍该产品的使用方法以及常见故障解决方案。
(共篇)
上一篇:
|
下一篇:
声明:
本网站引用、摘录或转载内容仅供网站访问者交流或参考,不代表本站立场,如存在版权或非法内容,请联系站长删除,联系邮箱:site.kefu@qq.com。
相关推荐
RAiO RA8816 144x65图形/文字LCD驱动控制器说明书:[7]
阅读量:166
ROTEL RA-985BT综合扩大机说明书:[6]
阅读量:87
CAD表面粗糙度(RA)
阅读量:159
RA如何做好医疗器械的注册工作
阅读量:43
西门子6RA80直调BOP20调试记录
阅读量:82
猜你喜欢
小凌和徐良什么关系
什么减肥效果好
冬季传染病预防知识
刀是什么样的刀
幼儿园运动会入场词
黑莲花什么意思
叶酸的作用及功能
知识竞赛
面朝大海春暖花开什么意思
什么是话题作文
猜你喜欢
芹菜的功效与作用禁忌
玛卡的功效与作用
黑葡萄的功效与作用
意识的能动作用
exo什么时候解散
什么叫公关
运动会作文开头
相忘于江湖什么意思
热带雨林的作用
消防安全知识演讲稿