小度生活
首页
美食营养
手工爱好
生活家居
返回
小度生活
首页
美食营养
游戏数码
手工爱好
生活家居
健康养生
运动户外
职场理财
情感交际
母婴教育
时尚美容
知识问答
生活知识
搜索
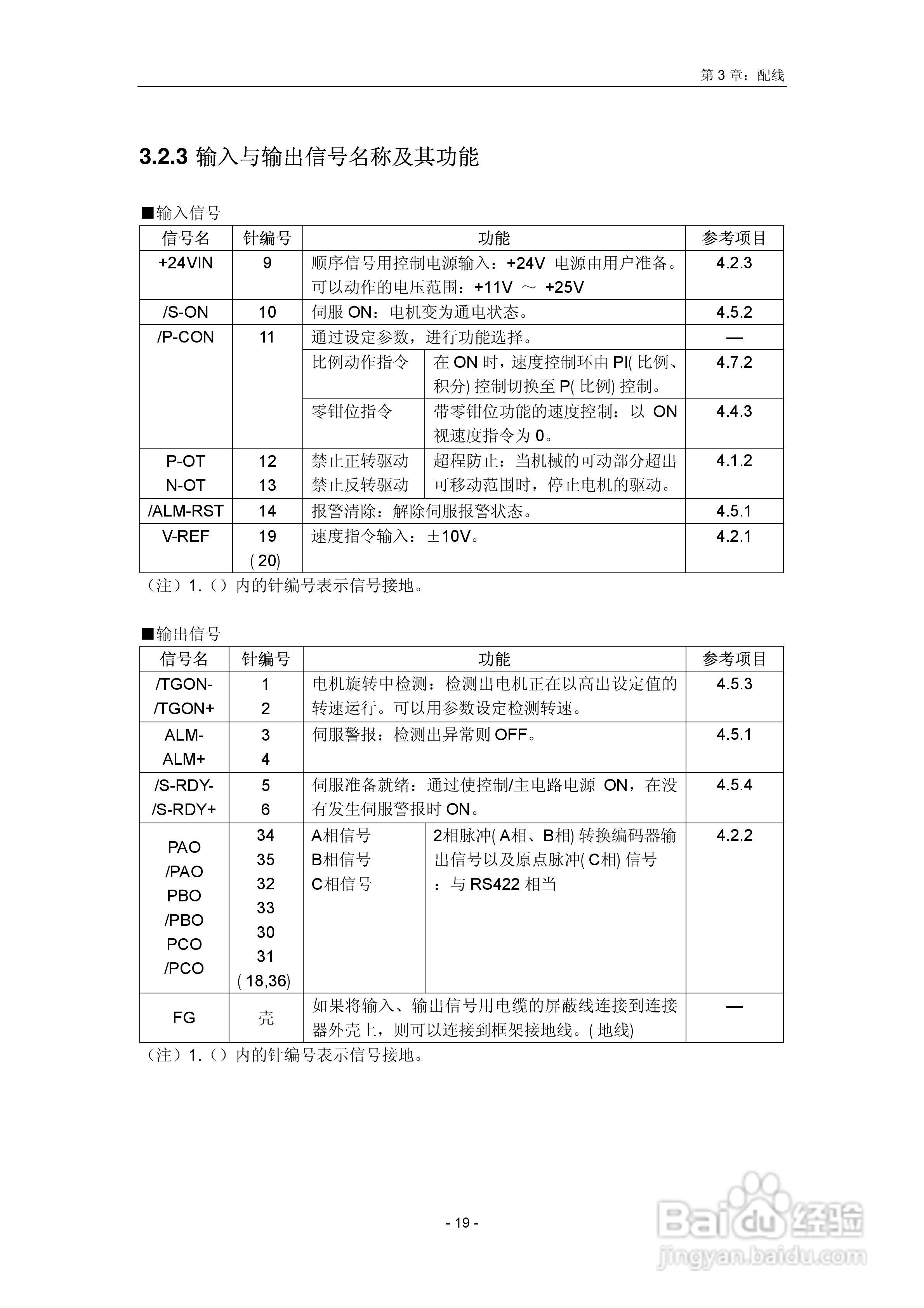
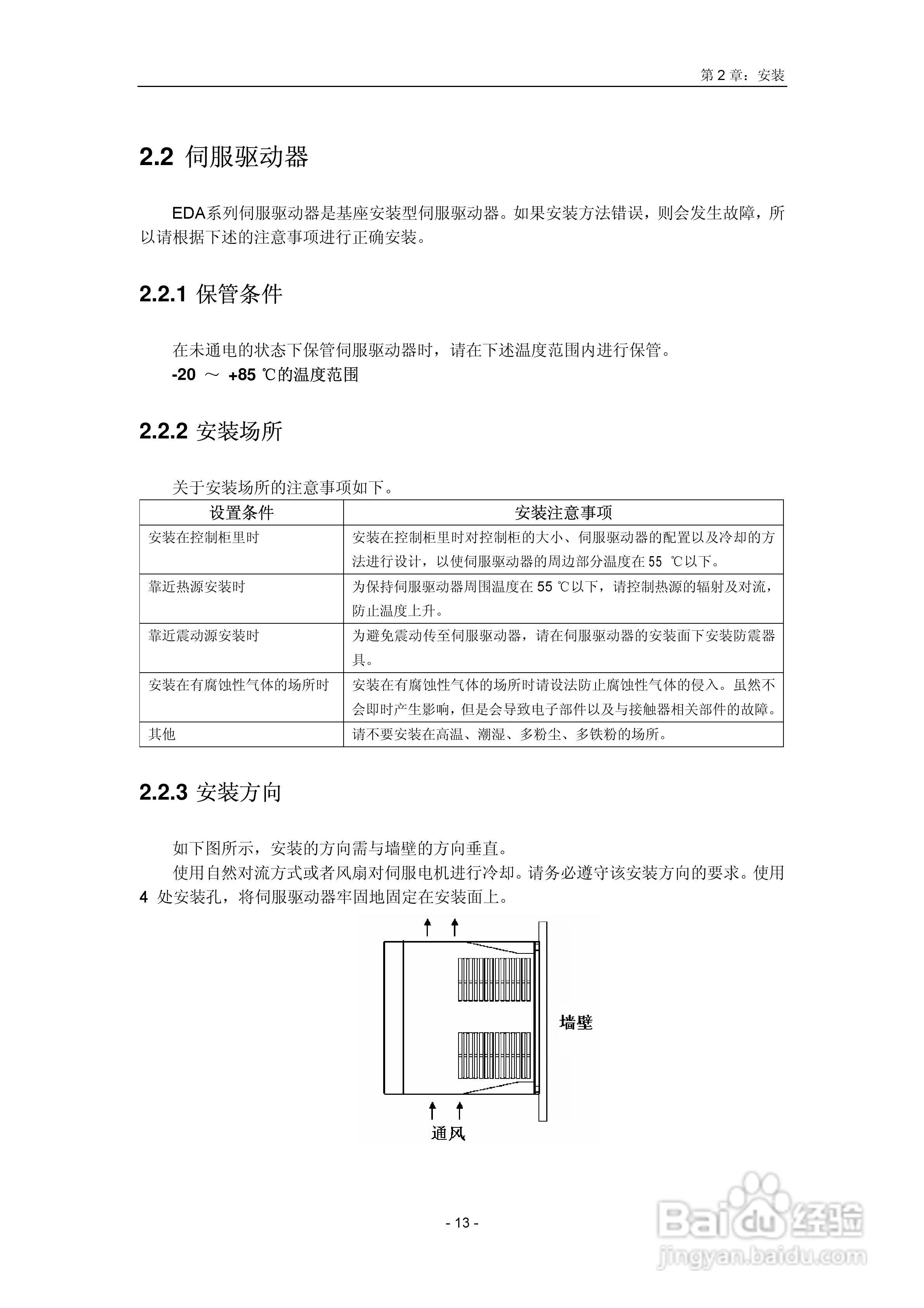
EDA系列伺服驱动器用户手册:[2]
2025-10-22 04:33:21
本篇为《EDA系列伺服驱动器用户手册》,主要介绍该产品的使用方法以及常见故障解决方案。
(共篇)
上一篇:
|
下一篇:
声明:
本网站引用、摘录或转载内容仅供网站访问者交流或参考,不代表本站立场,如存在版权或非法内容,请联系站长删除,联系邮箱:site.kefu@qq.com。
相关推荐
EDA系列伺服驱动器用户手册:[5]
阅读量:38
PSDD系列伺服驱动器使用手册:[2]
阅读量:72
信捷电气DS3系列伺服驱动器用户手册:[4]
阅读量:166
信捷电气DS3系列伺服驱动器用户手册:[6]
阅读量:107
信捷电气DS3系列伺服驱动器用户手册:[9]
阅读量:112
猜你喜欢
最近有什么军事新闻
语重心长的意思是什么
扮猪吃老虎的意思
什么是证券基金
厂庆祝福语
波澜不惊的意思
什么属相不适合戴貔貅
牵引挂车是什么意思
祝福语
thursday是什么意思
猜你喜欢
有什么黄的电影
恍惚是什么意思
用什么桶泡脚好
本命年要佩戴什么
游戏鼠标什么牌子好
拂晓的意思
金融是什么意思
罗曼蒂克是什么意思
ridiculous是什么意思
中庸之道是什么意思