小度生活
首页
美食营养
手工爱好
生活家居
返回
小度生活
首页
美食营养
游戏数码
手工爱好
生活家居
健康养生
运动户外
职场理财
情感交际
母婴教育
时尚美容
知识问答
生活知识
搜索
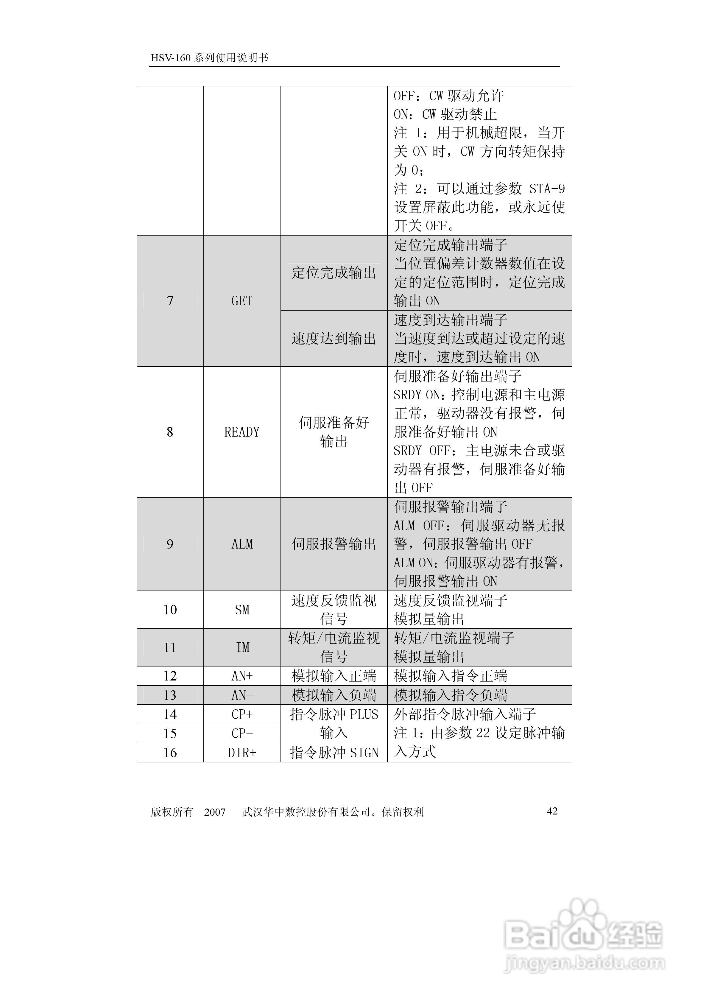
HSV-160系列全数字交流伺服驱动单元使用说明书:[5]
2025-11-08 19:08:08
本篇为《HSV-160系列全数字交流伺服驱动单元使用说明书》,主要介绍该产品的使用方法以及常见故障解决方案。
(共篇)
上一篇:
|
下一篇:
声明:
本网站引用、摘录或转载内容仅供网站访问者交流或参考,不代表本站立场,如存在版权或非法内容,请联系站长删除,联系邮箱:site.kefu@qq.com。
相关推荐
步进电机功率怎么计算
阅读量:127
信捷PLC如何建立读线圈指令
阅读量:195
三菱FX系列PLC取指令与输出指令
阅读量:173
LabVIEW-调用CAD图纸
阅读量:59
伺服电机原点设置方法
阅读量:175
猜你喜欢
豁免是什么意思
邮箱是什么
现充是什么意思
12月23日是什么星座
bc是什么意思
息税前利润是什么意思
两杠一星是什么军衔
help是什么意思
poi是什么意思
献血证有什么用
猜你喜欢
marry me什么意思中文
白带多有腥臭味是什么原因引起的
泥头车什么梗
南昌有什么好玩的景点
口臭是什么原因引起的
考研究生需要什么条件
什么星座最聪明
文员是做什么的
企事业单位是什么意思
acrylic是什么面料