小度生活
首页
美食营养
手工爱好
生活家居
返回
小度生活
首页
美食营养
游戏数码
手工爱好
生活家居
健康养生
运动户外
职场理财
情感交际
母婴教育
时尚美容
知识问答
生活知识
生活百科
搜索
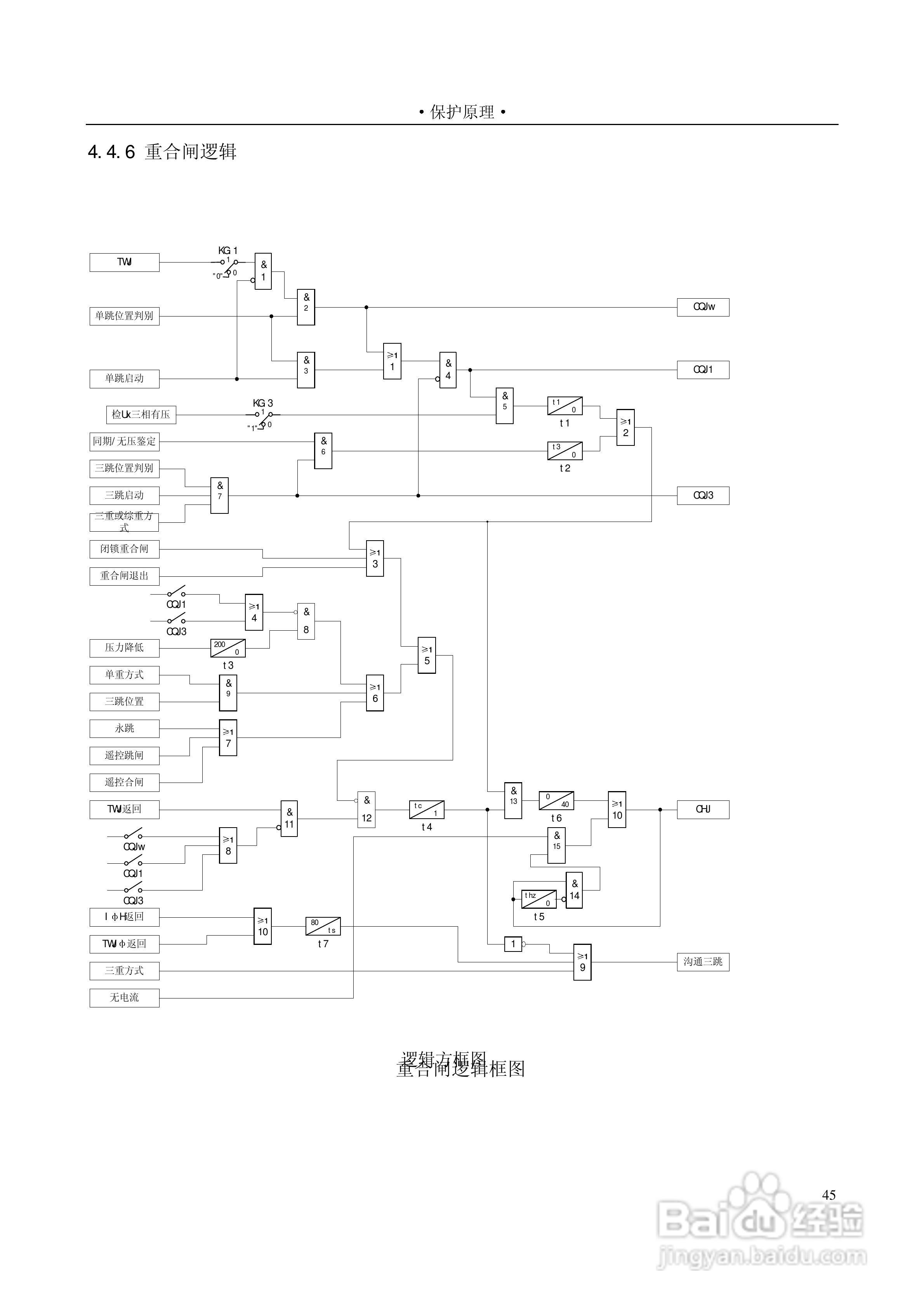
PSL601A数字式线路保护装置技术说明书:[5]
2026-04-04 05:11:30
本篇为《PSL601A数字式线路保护装置技术说明书》,主要介绍该产品的使用方法以及常见故障解决方案。
(共篇)
上一篇:
|
下一篇:
声明:
本网站引用、摘录或转载内容仅供网站访问者交流或参考,不代表本站立场,如存在版权或非法内容,请联系站长删除,联系邮箱:site.kefu@qq.com。
相关推荐
PSL601A数字式线路保护装置技术说明书:[6]
阅读量:53
PSL607数字式线路保护技术装置说明书:[2]
阅读量:150
PSL601A数字式线路保护装置技术说明书:[8]
阅读量:169
PSL601A数字式线路保护装置技术说明书:[1]
阅读量:70
PSL601A数字式线路保护装置技术说明书:[7]
阅读量:126
猜你喜欢
女生学什么专业好
什么是公租房
乳糖是什么
一什么不什么
10月9日是什么星座
0是什么数
四不像是什么动物
7月16日是什么星座
pc是什么
四书五经指的是什么书
猜你喜欢
disabled是什么意思
martell是什么酒
毕业答辩什么人会不过
学历填什么
38324 14122什么意思
授信额度是什么意思
大溪水命是什么意思
云肖是什么生肖
gg什么意思
氨基酸是什么