小度生活
首页
美食营养
手工爱好
生活家居
返回
小度生活
首页
美食营养
游戏数码
手工爱好
生活家居
健康养生
运动户外
职场理财
情感交际
母婴教育
时尚美容
知识问答
生活知识
搜索
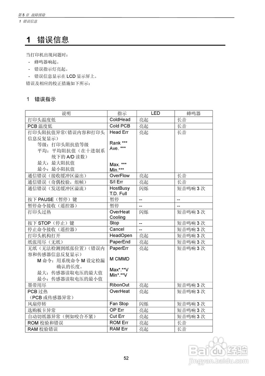
CITIZEN CLP-7201e热转印式条形码打印机用户手册:[6]
2026-01-03 22:41:57
本篇为《CITIZEN CLP-7201e热转印式条形码打印机用户手册》,主要介绍该产品的使用方法以及常见故障解决方案。
(共篇)
上一篇:
|
下一篇:
声明:
本网站引用、摘录或转载内容仅供网站访问者交流或参考,不代表本站立场,如存在版权或非法内容,请联系站长删除,联系邮箱:site.kefu@qq.com。
相关推荐
CITIZEN CLP-7201e热转印式条形码打印机用户手册:[1]
阅读量:23
CITIZEN CLP-7201e热转印式条形码打印机用户手册:[4]
阅读量:179
热转印颜色怎么调
阅读量:126
CITIZEN CLP-7201e热转印式条形码打印机用户手册:[2]
阅读量:118
CITIZEN CLP-7201e热转印式条形码打印机用户手册:[7]
阅读量:133
猜你喜欢
有关地球的知识
灵芝茶的功效与作用
乒乓球运动员排名
什么是制片人
什么是爱一个人
苦菜的功效与作用
痢特灵的功效与作用
健康知识竞赛
百合花茶的功效与作用
荠菜的功效与作用
猜你喜欢
五指毛桃的功效与作用
入住新房有什么讲究
甲钴胺片的作用与功效
红花籽油的功效与作用
皂角刺的作用
分户口需要什么手续
运动会感想400字
suck什么意思
亚洲沙滩运动会
车过户需要什么手续