小度生活
首页
美食营养
手工爱好
生活家居
返回
小度生活
首页
美食营养
游戏数码
手工爱好
生活家居
健康养生
运动户外
职场理财
情感交际
母婴教育
时尚美容
知识问答
搜索
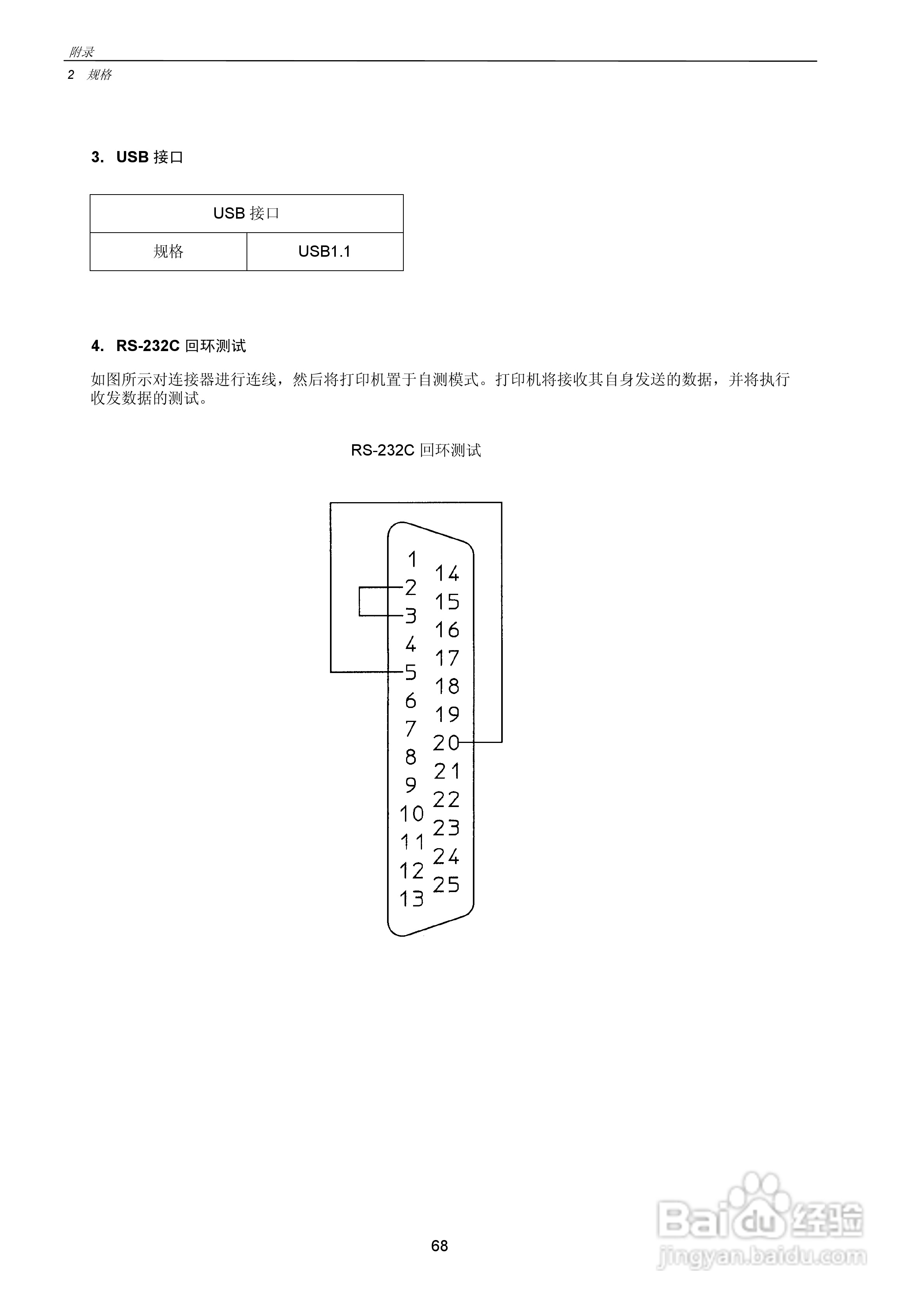
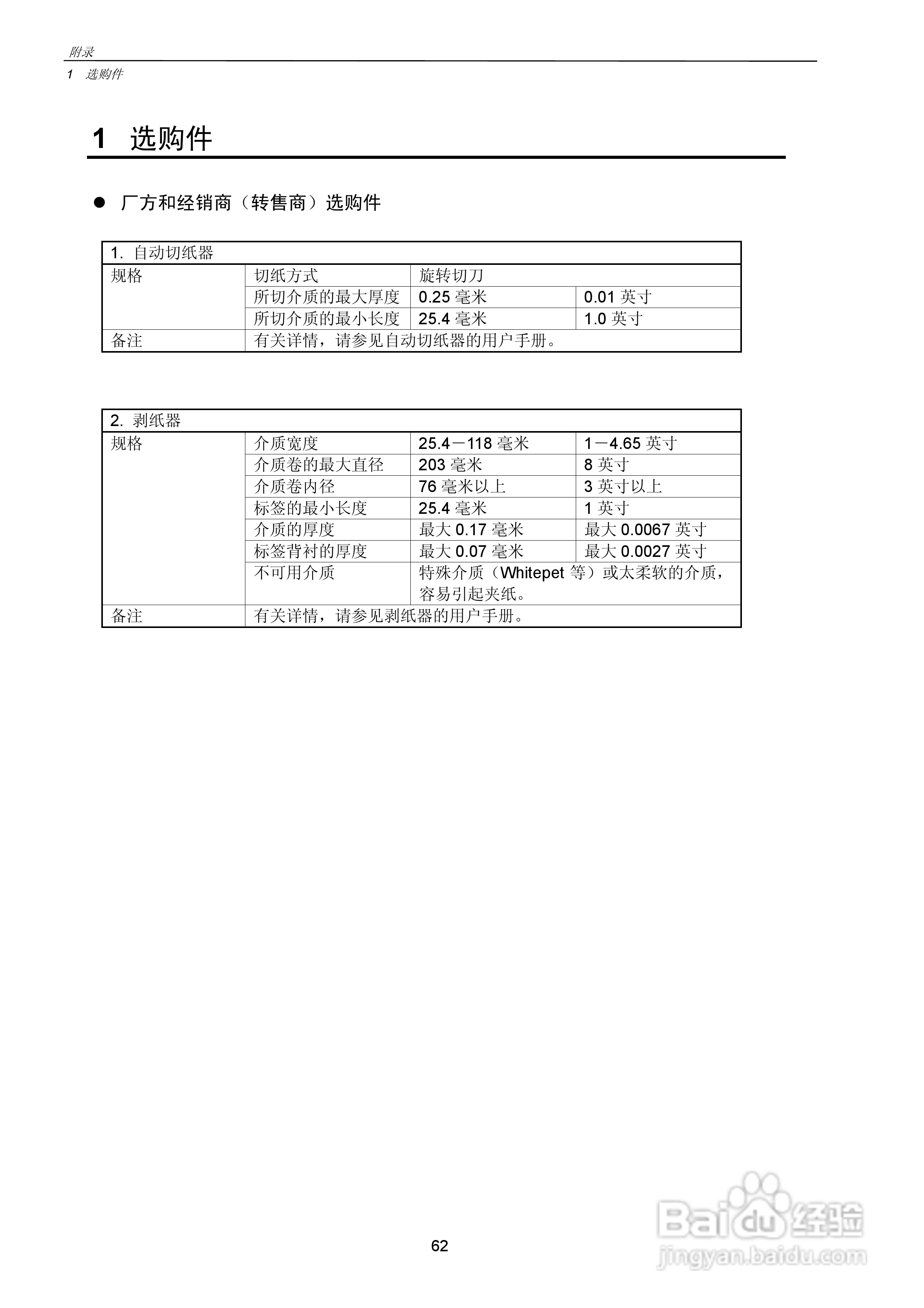
CITIZEN CLP-7201e热转印式条形码打印机用户手册:[7]
2025-11-19 23:27:26
本篇为《CITIZEN CLP-7201e热转印式条形码打印机用户手册》,主要介绍该产品的使用方法以及常见故障解决方案。
(共篇)
上一篇:
|
下一篇:
声明:
本网站引用、摘录或转载内容仅供网站访问者交流或参考,不代表本站立场,如存在版权或非法内容,请联系站长删除,联系邮箱:site.kefu@qq.com。
相关推荐
CITIZEN CLP-7201e热转印式条形码打印机用户手册:[8]
阅读量:72
CITIZEN CLP-7201e热转印式条形码打印机用户手册:[2]
阅读量:73
热转印颜色怎么调
阅读量:179
CITIZEN CLP-7201e热转印式条形码打印机用户手册:[4]
阅读量:49
CITIZEN CLP-7201e热转印式条形码打印机用户手册:[3]
阅读量:190
猜你喜欢
女士运动鞋
表示知识渊博的成语
肉苁蓉的功效与作用
什么是剪力墙结构
什么网游好玩
丝瓜的功效与作用
什么是鸡尾酒
济宁有什么好玩的地方
磁珠的作用
葱白的功效与作用
猜你喜欢
浪涌保护器的作用
磁环的作用
枇杷果的功效与作用禁忌
说明文文体知识
初二物理下册知识点
万艾可的作用与功效
牛膝的功效与作用
地龙的功效与作用
茯苓的功效与作用及食用方法
运动图片素材