小度生活
首页
美食营养
手工爱好
生活家居
返回
小度生活
首页
美食营养
游戏数码
手工爱好
生活家居
健康养生
运动户外
职场理财
情感交际
母婴教育
时尚美容
知识问答
生活知识
搜索
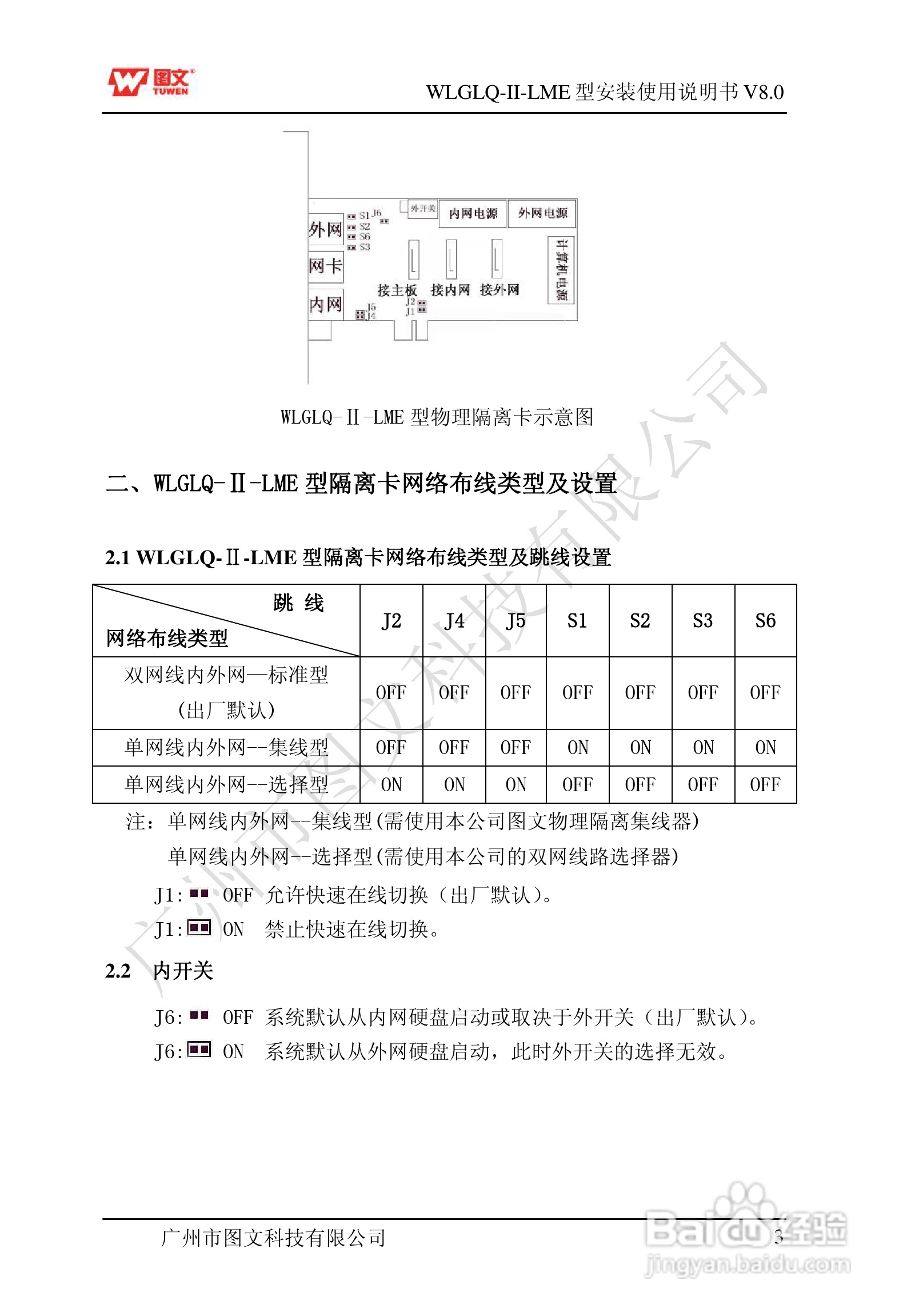
图文隔离卡WLGLQ-II-LME型说明书
2025-10-27 17:03:19
声明:
本网站引用、摘录或转载内容仅供网站访问者交流或参考,不代表本站立场,如存在版权或非法内容,请联系站长删除,联系邮箱:site.kefu@qq.com。
相关推荐
图文隔离卡WLGLQ-II-LE型说明书
阅读量:129
图文隔离卡WLGLQ-II-JE型说明书
阅读量:124
图文隔离卡WLGLQ-II-L型说明书
阅读量:104
图文隔离卡WLGLQ-II-W型说明书
阅读量:162
图文隔离卡WLGLQ-II-P型说明书
阅读量:104
猜你喜欢
philips是什么牌子
这人生啊多少真情被辜负是什么歌
木槿生活官网
电脑上怎么录音
怎么去除脸上的皱纹
地震时如何逃生
难忘的初中生活作文
龙山生活网
普通发票丢失怎么办
52生活网论坛
猜你喜欢
大山里的欲生活
生活处处是课堂
生活因挫折而精彩
苹果4如何刷机
如何修复u盘
染发剂弄手上怎么洗
享受生活作文
暗黑3怎么刷装备
耐克鞋怎么辨别真伪
ios是什么意思