小度生活
首页
美食营养
手工爱好
生活家居
返回
小度生活
首页
美食营养
游戏数码
手工爱好
生活家居
健康养生
运动户外
职场理财
情感交际
母婴教育
时尚美容
搜索
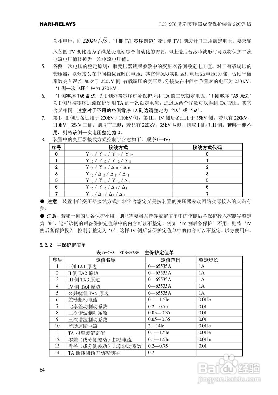
RCS-978系列变压器成套保护装置220kV版技术说明书:[7]
2025-10-05 13:40:44
本篇为《RCS-978系列变压器成套保护装置220kV版技术说明书》,主要介绍该产品的使用方法以及常见故障解决方案。
(共篇)
上一篇:
|
下一篇:
声明:
本网站引用、摘录或转载内容仅供网站访问者交流或参考,不代表本站立场,如存在版权或非法内容,请联系站长删除,联系邮箱:site.kefu@qq.com。
相关推荐
RCS-978系列变压器成套保护装置220kV版技术说明书:[8]
阅读量:181
RCS-978系列变压器成套保护装置220kV版技术说明书:[14]
阅读量:167
变压器测试仪器有哪几种?
阅读量:148
变压器满负载的测试方法
阅读量:167
变压器变比测试仪测试方法
阅读量:173
猜你喜欢
什么是离线下载
今年流行什么鞋子女
游学是什么意思
沉思良久的意思
fn键有什么用
富时中国a50指数是什么意思
属什么生肖最好
什么是冬病夏治
云技术是什么意思
同舟共济的意思
猜你喜欢
翡翠恋人什么时候播出
什么笔记本电脑最好
递等式计算是什么意思
271是什么意思
港珠澳大桥什么时候通车
什么牌子的橄榄油好
考研结果什么时候出
陈残云取自什么成语
做家具用什么木材好
产能是什么意思