小度生活
首页
美食营养
手工爱好
生活家居
返回
小度生活
首页
美食营养
游戏数码
手工爱好
生活家居
健康养生
运动户外
职场理财
情感交际
母婴教育
时尚美容
知识问答
生活知识
搜索
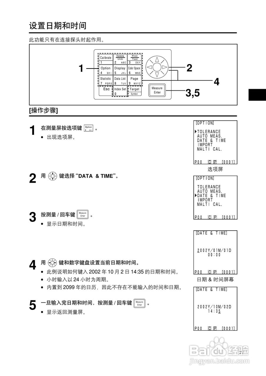
柯尼卡美能达色彩色差计CR-400 410使用说明书:[8]
2025-12-06 07:56:37
本篇为《柯尼卡美能达色彩色差计CR-400 410使用说明书》,主要介绍该产品的使用方法以及常见故障解决方案。
(共篇)
上一篇:
|
下一篇:
声明:
本网站引用、摘录或转载内容仅供网站访问者交流或参考,不代表本站立场,如存在版权或非法内容,请联系站长删除,联系邮箱:site.kefu@qq.com。
相关推荐
柯尼卡美能达色彩色差计CR-400 410使用说明书:[16]
阅读量:30
恒港色彩色差计CR-400/410使用说明书:[2]
阅读量:168
柯尼卡美能达彩色打印机如何黑白打印
阅读量:105
柯尼卡美能达打印机打印出乱码
阅读量:47
柯尼卡美能达287复印机打印乱码故障解决
阅读量:33
猜你喜欢
胃出血最佳治疗方法
孕妇外阴痒怎么办
鼻子太大怎么办
白菜汤怎么做好吃
脐疝的治疗方法
白发变黑发最好的方法
斑秃治疗最快的方法
好句大全
铁皮石斛种植方法
符号大全
猜你喜欢
烙饼怎么做又软又好吃
不的繁体字怎么写
奉化旅游景点大全
肉皮冻的做法大全家常
罗非鱼怎么做好吃
生鱼片怎么吃
营养粥的做法大全
泡菜怎么做好吃
重铬酸钾怎么读
问候语大全