小度生活
首页
美食营养
手工爱好
生活家居
返回
小度生活
首页
美食营养
游戏数码
手工爱好
生活家居
健康养生
运动户外
职场理财
情感交际
母婴教育
时尚美容
知识问答
生活知识
生活百科
搜索
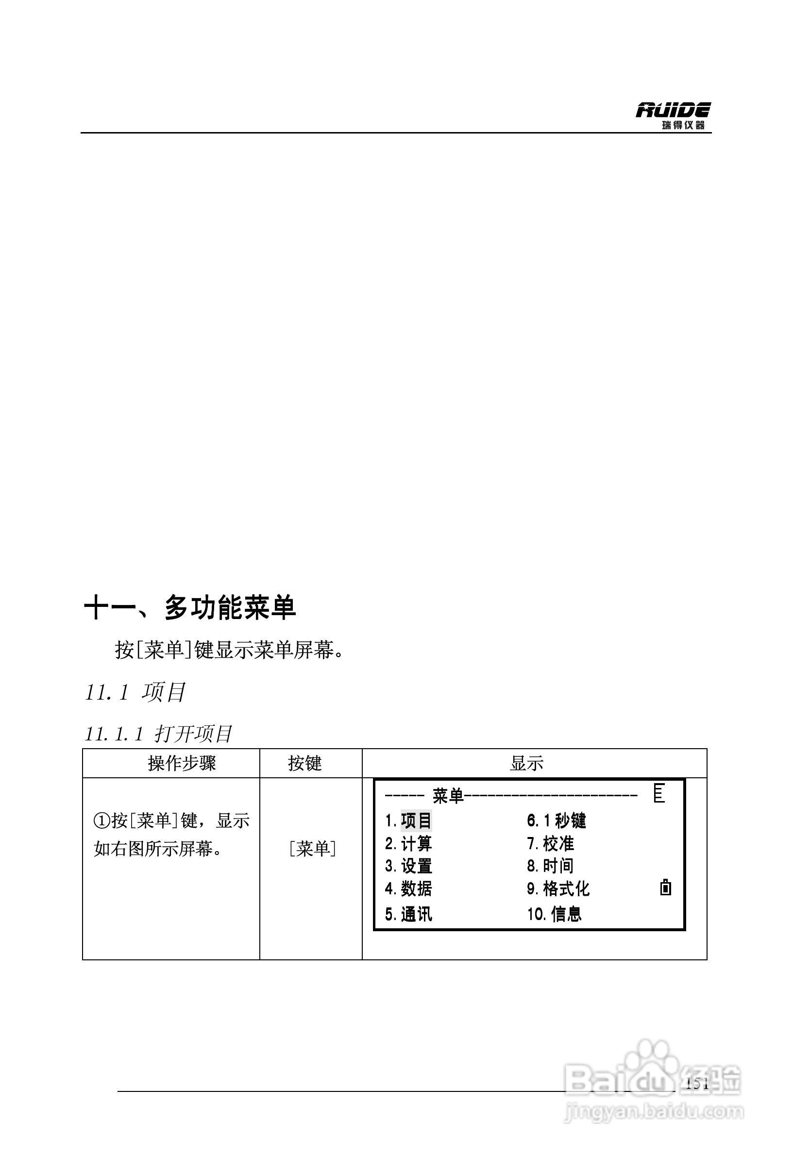
瑞得RTS-862/5R全站仪说明书:[16]
2026-03-29 10:52:49
本篇为《瑞得RTS-862/5R全站仪说明书》,主要介绍该产品的使用方法以及常见故障解决方案。
(共篇)
上一篇:
|
下一篇:
声明:
本网站引用、摘录或转载内容仅供网站访问者交流或参考,不代表本站立场,如存在版权或非法内容,请联系站长删除,联系邮箱:site.kefu@qq.com。
相关推荐
瑞得RTS-862/5R全站仪说明书:[18]
阅读量:191
瑞得RTS-862/5R全站仪说明书:[10]
阅读量:107
全站仪的操作技巧
阅读量:42
全站仪使用方法
阅读量:48
全站仪进行距离测量的方法
阅读量:94
猜你喜欢
英国全称是什么
扉页是什么
做t是什么意思
团结的反义词是什么
bright是什么意思
成都有什么特产
guess是什么牌子
st股票是什么意思
落地签是什么意思
贺军翔出了什么事
猜你喜欢
端午节又叫什么节
生辰八字是什么意思
市场推广是做什么的
小山羊是什么病
chat是什么意思
ac是什么
今晚开什么特马
什么是ip地址
ruler是什么意思
虫草是什么