小度生活
首页
美食营养
手工爱好
生活家居
返回
小度生活
首页
美食营养
游戏数码
手工爱好
生活家居
健康养生
运动户外
职场理财
情感交际
母婴教育
时尚美容
知识问答
生活知识
搜索
FST100塑壳智能控制器使用说明书1.0:[2]
2026-02-05 22:23:22
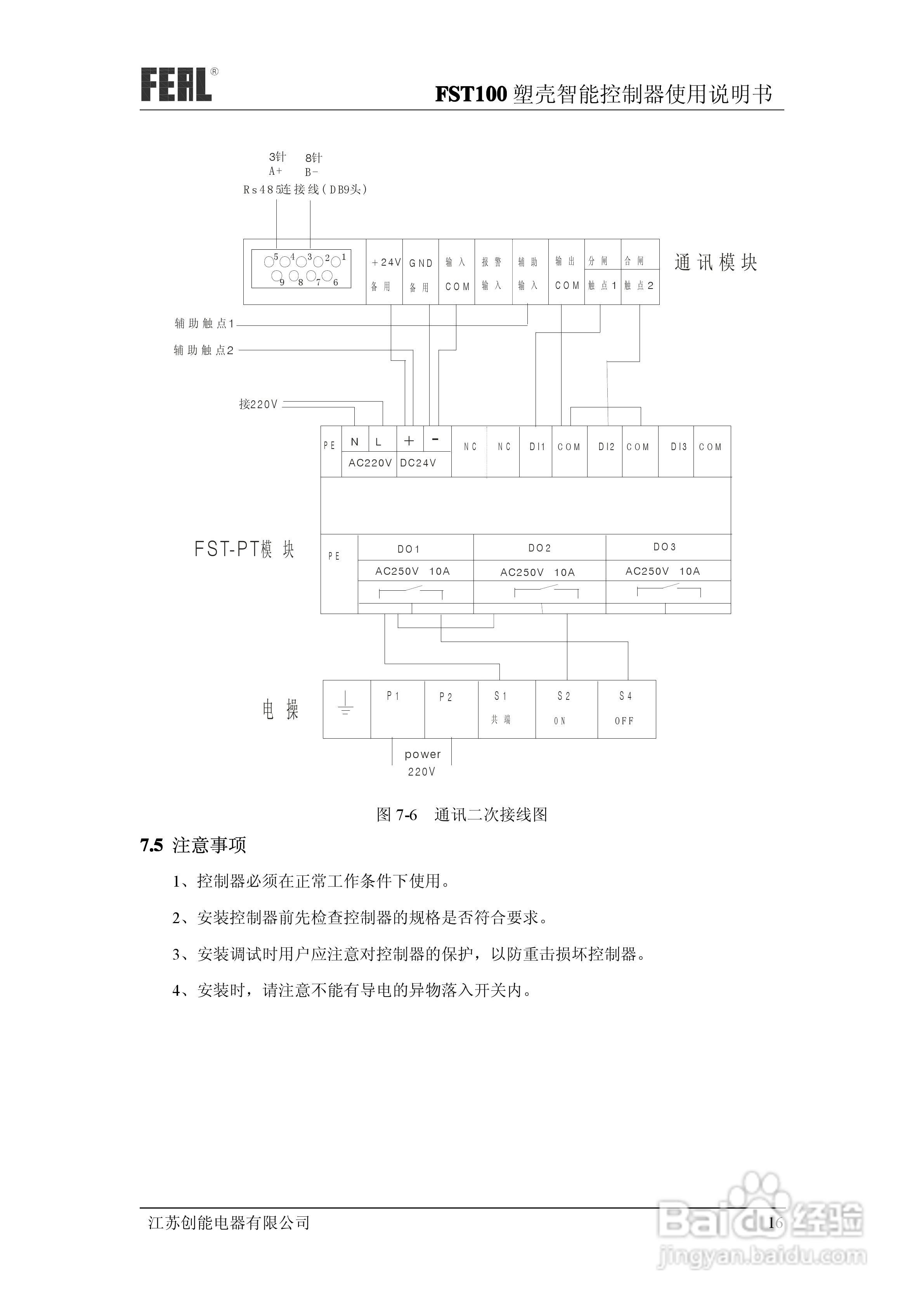
本篇为《FST100塑壳智能控制器使用说明书1.0》,主要介绍该产品的使用方法以及常见故障解决方案。
(共篇)
上一篇:
声明:
本网站引用、摘录或转载内容仅供网站访问者交流或参考,不代表本站立场,如存在版权或非法内容,请联系站长删除,联系邮箱:site.kefu@qq.com。
相关推荐
FST520智能漏电控制器使用说明书1.0:[2]
阅读量:177
FST200系列控制器使用说明书1.1:[2]
阅读量:64
FST520智能漏电控制器使用说明书1.0:[1]
阅读量:150
ST-2(M、H)智能控制器使用说明书:[1]
阅读量:149
亚锐SR智能控制器使用说明书:[2]
阅读量:127
猜你喜欢
青萝卜的腌制方法
孕吐从什么时候开始
嘴唇上长泡是什么原因
蚯蚓养殖
厦门有什么特产
什么是宦官
北京有什么好玩的
有氧运动和无氧运动
心有猛虎细嗅蔷薇什么意思
blanket是什么意思
猜你喜欢
手足口病有什么症状
酱萝卜的腌制方法
兄贵是什么意思
什么行业最有前途
卡黄是什么意思
预付账款借方表示什么
credit是什么意思
cydia是什么
兔子怎么养殖
口腔溃疡缺什么维生素