小度生活
首页
美食营养
手工爱好
生活家居
返回
小度生活
首页
美食营养
游戏数码
手工爱好
生活家居
健康养生
运动户外
职场理财
情感交际
母婴教育
时尚美容
知识问答
生活知识
生活百科
搜索
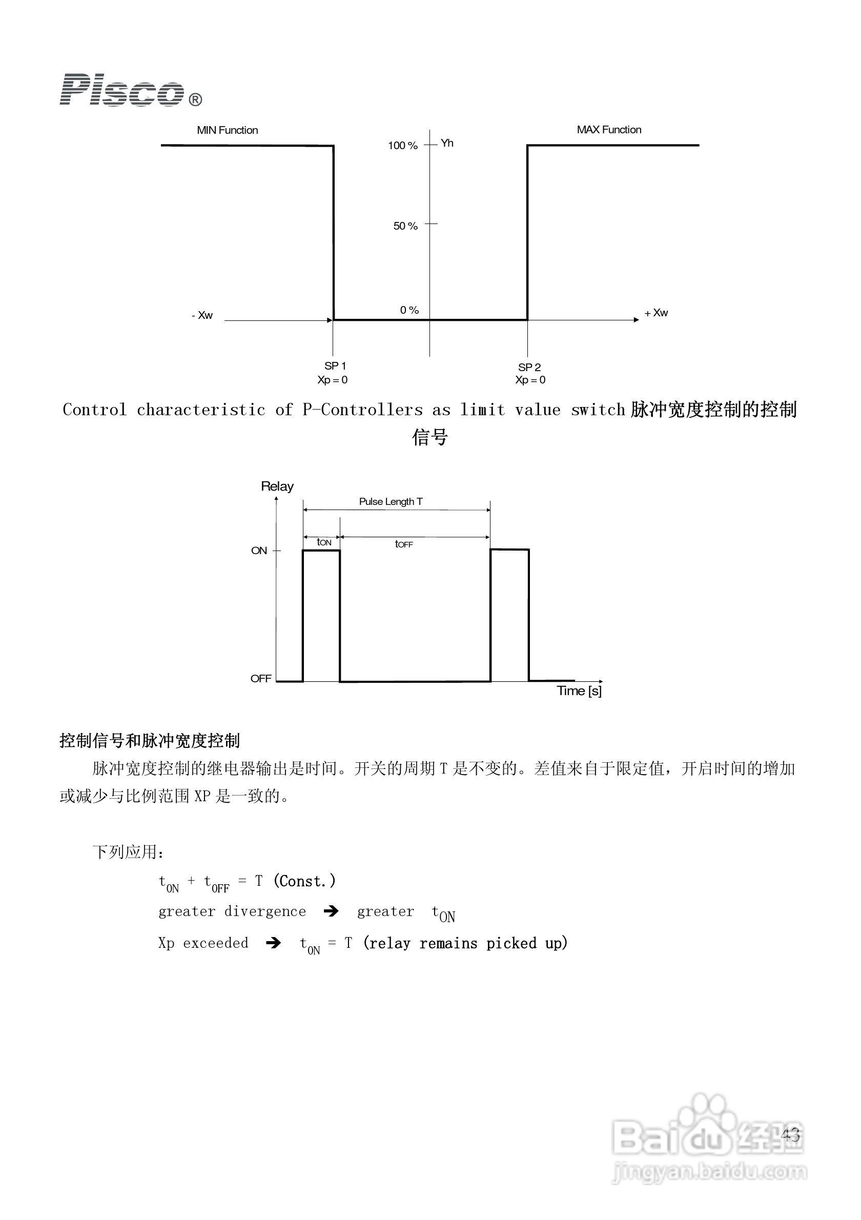
Pisco PH-500 PH550控制器/变送器使用说明书:[5]
2026-04-19 00:55:23
本篇为《Pisco PH-500 PH550控制器/变送器使用说明书》,主要介绍该产品的使用方法以及常见故障解决方案。
(共篇)
上一篇:
声明:
本网站引用、摘录或转载内容仅供网站访问者交流或参考,不代表本站立场,如存在版权或非法内容,请联系站长删除,联系邮箱:site.kefu@qq.com。
相关推荐
Pisco PH-500 PH550控制器/变送器使用说明书:[1]
阅读量:29
Pisco DO500-DO550溶解氧控制器/变送器使用说明书:[5]
阅读量:95
PISCO FCL500余氯控制/变送器使用说明书:[5]
阅读量:29
PISCO FCL500余氯控制/变送器使用说明书:[4]
阅读量:168
α-pH500 液晶显示两线制 pH/ORP 变送器使用说明书:[1]
阅读量:159
猜你喜欢
蛋白尿的治疗方法
识字方法
钱串子的养殖方法
银耳怎么做好吃
小米怎么样
我的世界船怎么开
嘴唇上长疱疹怎么办
拳皇怎么放技能
精美书签怎么做
肾阳虚的治疗方法
猜你喜欢
鸡怎么炖好吃又营养
白条鸡怎么炖好吃
以危险方法危害公共安全罪
莲蓬怎么吃
类风湿的治疗方法
火灾自救方法
怀孕呕吐怎么缓解
怎么样才能让月经快点来
过敏性皮炎治疗方法
打弹弓瞄准方法图解