小度生活
首页
美食营养
手工爱好
生活家居
返回
小度生活
首页
美食营养
游戏数码
手工爱好
生活家居
健康养生
运动户外
职场理财
情感交际
母婴教育
时尚美容
知识问答
生活知识
生活百科
搜索
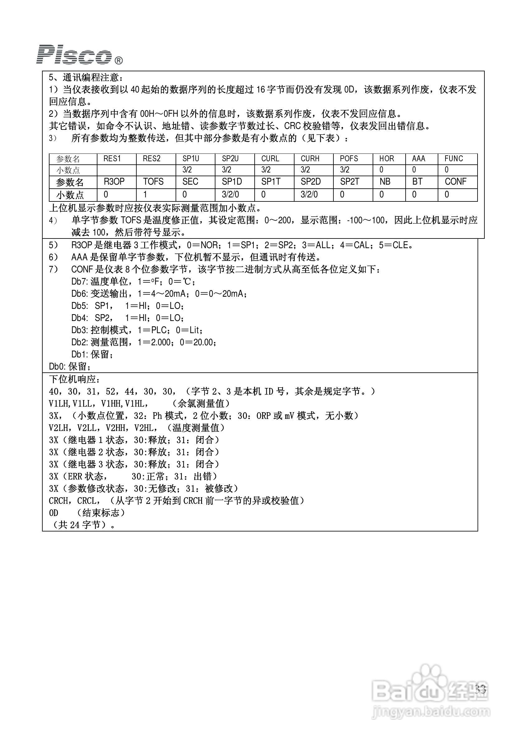
PISCO FCL500余氯控制/变送器使用说明书:[4]
2026-04-19 02:15:20
本篇为《PISCO FCL500余氯控制/变送器使用说明书》,主要介绍该产品的使用方法以及常见故障解决方案。
(共篇)
上一篇:
|
下一篇:
声明:
本网站引用、摘录或转载内容仅供网站访问者交流或参考,不代表本站立场,如存在版权或非法内容,请联系站长删除,联系邮箱:site.kefu@qq.com。
相关推荐
PISCO FCL500余氯控制/变送器使用说明书:[5]
阅读量:145
PISCO FCL500余氯控制/变送器使用说明书:[3]
阅读量:75
Pisco PH-500 PH550控制器/变送器使用说明书:[4]
阅读量:43
Pisco PH-500 PH550控制器/变送器使用说明书:[5]
阅读量:95
家庭自来水余氯检测与去除方法
阅读量:138
猜你喜欢
学英语最好的方法
治疗白发的方法
嘴唇干燥怎么办
红烧肘子的家常做法
怎么样去黑头
头发油腻怎么办
心悸的治疗方法
怀孕怎么知道是男是女
格雅手表怎么样
肠粘连的治疗方法
猜你喜欢
怎么做馒头又软又好吃
治疗咽炎的最佳方法
人缘不好怎么办
悬针纹怎么去除
海参的家常做法大全
兰花怎么养才能开花
系鞋带的漂亮方法
斯柯达昕锐怎么样
电脑待机密码怎么设置
怎么改变图片大小kb