小度生活
首页
美食营养
手工爱好
生活家居
返回
小度生活
首页
美食营养
游戏数码
手工爱好
生活家居
健康养生
运动户外
职场理财
情感交际
母婴教育
时尚美容
知识问答
生活知识
搜索
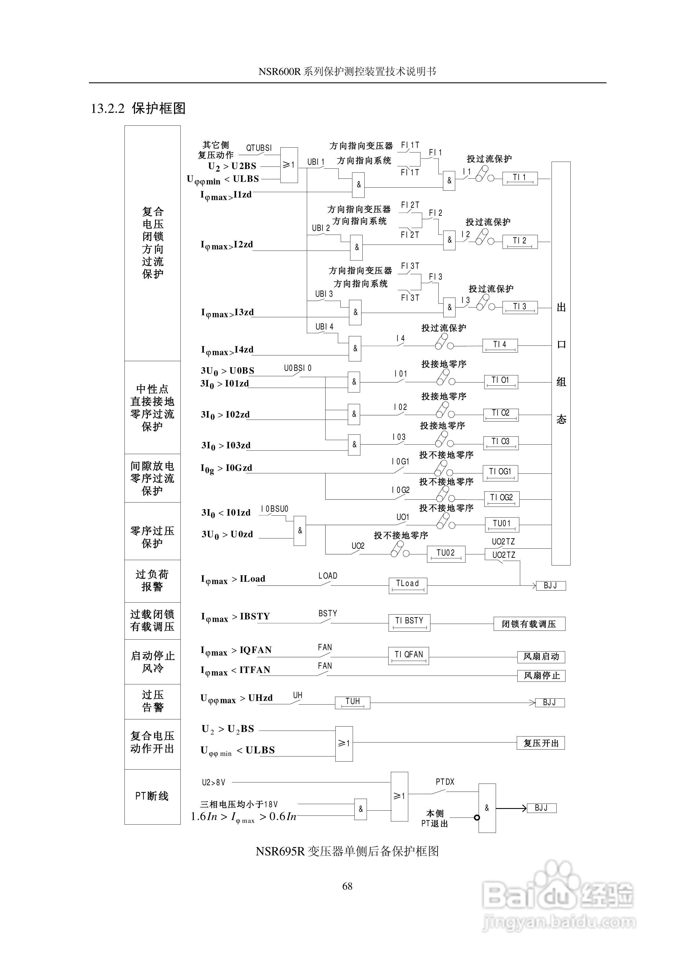
NSR645R中小型变压器保护测控装置说明书:[8]
2026-01-14 14:07:20
本篇为《NSR645R中小型变压器保护测控装置说明书》,主要介绍该产品的使用方法以及常见故障解决方案。
(共篇)
上一篇:
声明:
本网站引用、摘录或转载内容仅供网站访问者交流或参考,不代表本站立场,如存在版权或非法内容,请联系站长删除,联系邮箱:site.kefu@qq.com。
相关推荐
NSR645R中小型变压器保护测控装置说明书:[7]
阅读量:81
试验变压器操作方法
阅读量:23
变压器满负载的测试方法
阅读量:36
变压器铁芯接地电流的测试方法
阅读量:179
变压器有载分接开关测试仪操作方法
阅读量:146
猜你喜欢
10月9日是什么星座
教师节送什么花
eco是什么意思车上的
眼睛干涩用什么眼药水
开户网点是什么意思
用户名是什么
6月5日是世界什么日
雅思是什么意思
leg是什么意思
cake是什么意思
猜你喜欢
属兔和什么属相最配
alt是什么意思
dwg格式文件用什么软件打开
0是什么数
周深为什么是女声
年化利率是什么意思
12315是什么电话
区块链是什么
办理营业执照需要什么材料
数控技术是学什么