小度生活
首页
美食营养
手工爱好
生活家居
返回
小度生活
首页
美食营养
游戏数码
手工爱好
生活家居
健康养生
运动户外
职场理财
情感交际
母婴教育
时尚美容
知识问答
生活知识
搜索
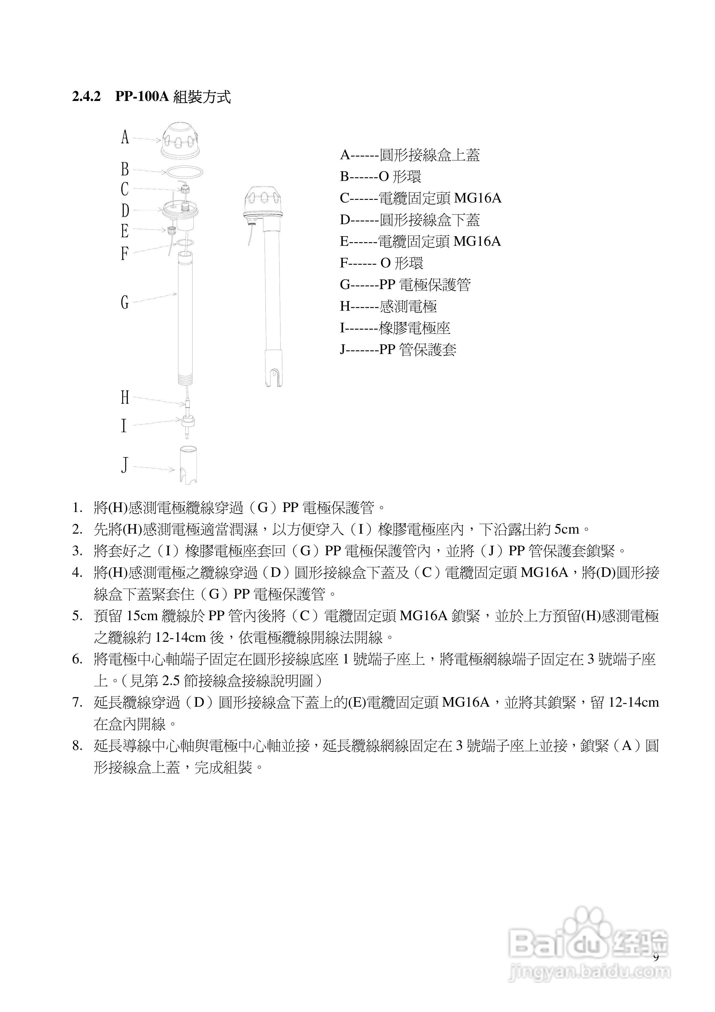
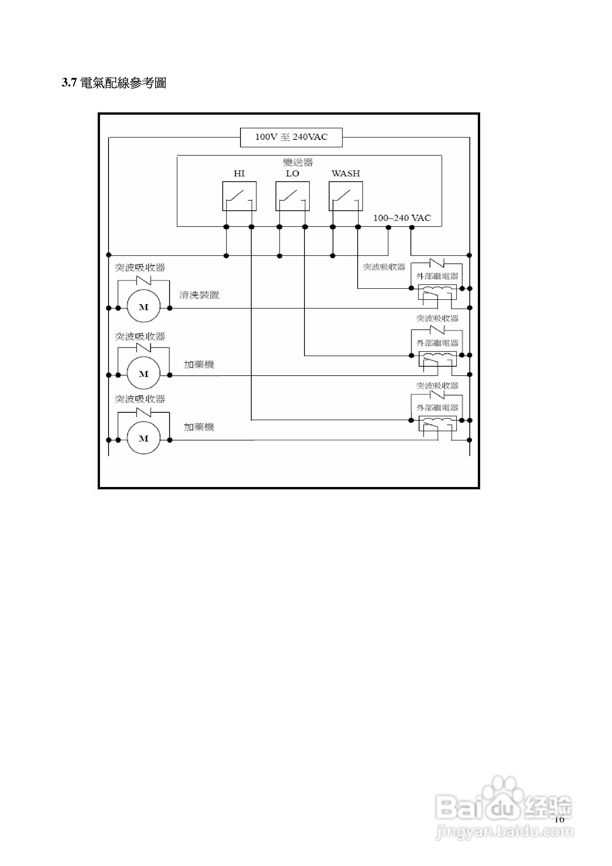
上泰PC3110智能型pHORP控制器操作手册:[2]
2026-02-10 10:11:54
本篇为《上泰PC3110智能型pHORP控制器操作手册》,主要介绍该产品的使用方法以及常见故障解决方案。
(共篇)
上一篇:
|
下一篇:
声明:
本网站引用、摘录或转载内容仅供网站访问者交流或参考,不代表本站立场,如存在版权或非法内容,请联系站长删除,联系邮箱:site.kefu@qq.com。
相关推荐
上泰PC3110智能型pHORP控制器操作手册:[3]
阅读量:180
上泰PC3110智能型pHORP控制器操作手册:[4]
阅读量:68
上泰PC3100微电脑pHORP控制器操作手册:[2]
阅读量:112
上泰PC3100微电脑pHORP控制器操作手册:[5]
阅读量:151
上泰PC3100微电脑pHORP控制器操作手册:[4]
阅读量:31
猜你喜欢
脑膜炎有什么症状
金融危机是什么意思
什么热带鱼好看又好养
尿检阳性是什么意思
广式腊肉的腌制方法
当之无愧什么意思
床上四件套包括什么
happiness是什么意思
炖排骨什么时候放盐
走读是什么意思
猜你喜欢
冰箱什么牌子最好
什么牌子的洗衣机好
matey什么意思
周公之礼是什么意思
kl是什么意思
tour是什么意思
多种维生素
什么是债权人
如何腌制牛排
殊途同归是什么意思