小度生活
首页
美食营养
手工爱好
生活家居
返回
小度生活
首页
美食营养
游戏数码
手工爱好
生活家居
健康养生
运动户外
职场理财
情感交际
母婴教育
时尚美容
知识问答
生活知识
生活百科
搜索
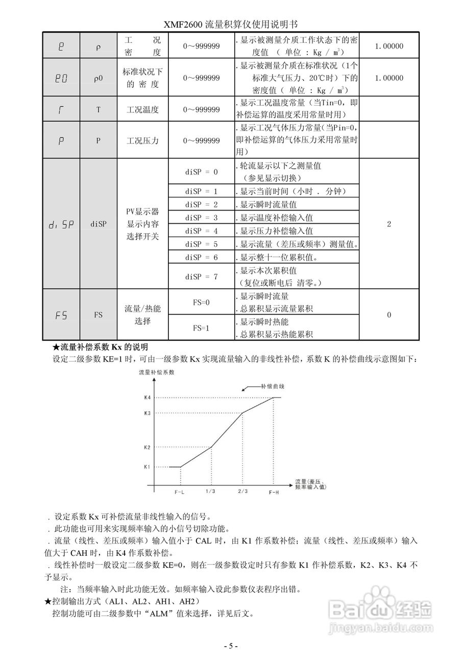
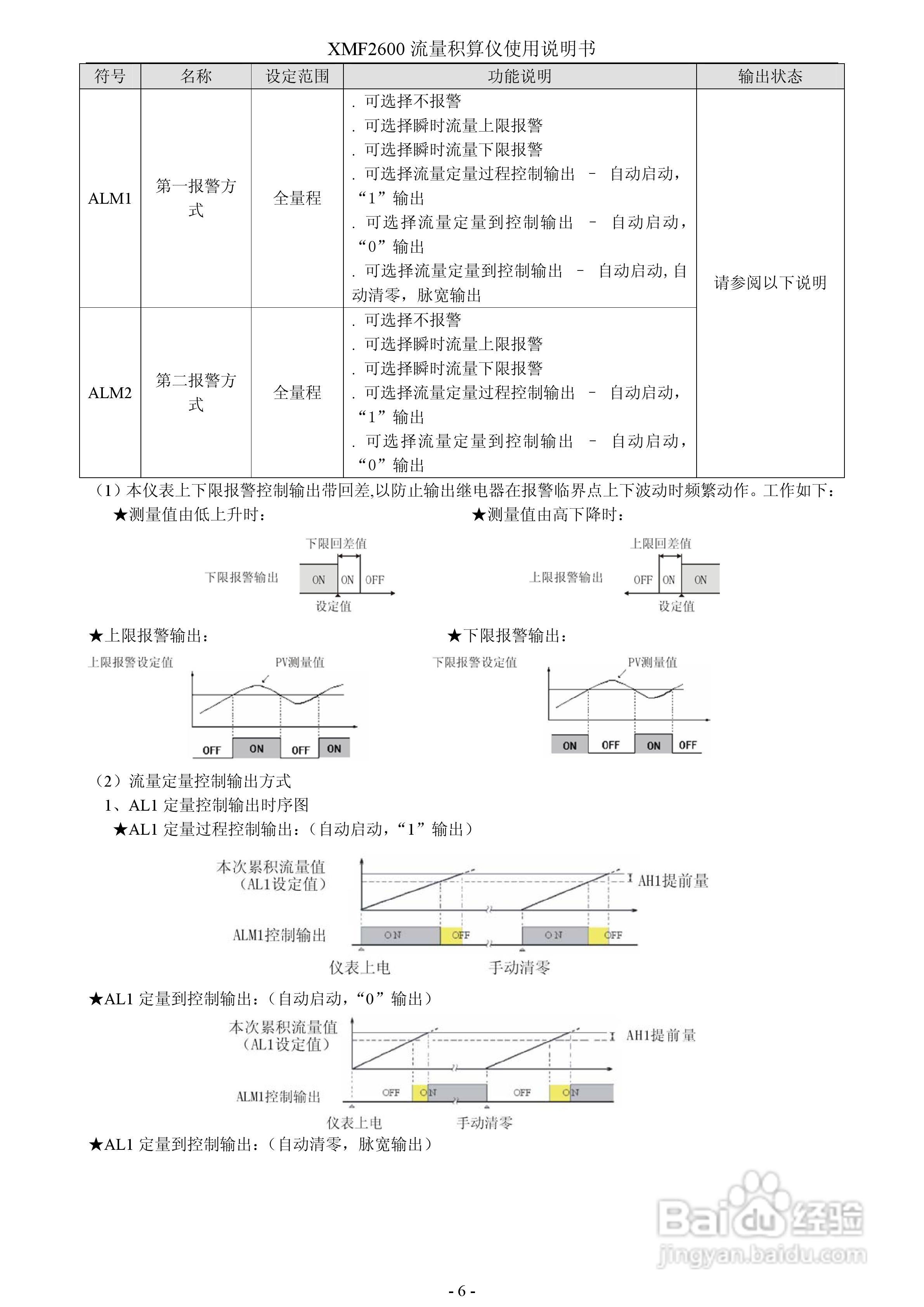
XMF2600流量积算仪使用说明书:[1]
2026-05-11 03:30:16
本篇为《XMF2600流量积算仪使用说明书》,主要介绍该产品的使用方法以及常见故障解决方案。
(共篇)
下一篇:
声明:
本网站引用、摘录或转载内容仅供网站访问者交流或参考,不代表本站立场,如存在版权或非法内容,请联系站长删除,联系邮箱:site.kefu@qq.com。
相关推荐
XMO2600流量积算仪使用说明书:[1]
阅读量:91
XMO2600流量积算仪使用说明书:[2]
阅读量:33
SFD流量积算仪说明书:[1]
阅读量:136
SFD流量积算仪说明书:[2]
阅读量:66
SFD流量积算仪说明书:[3]
阅读量:107
猜你喜欢
郁李仁的功效与作用
跑鞋什么牌子好
抖m是什么意思是
粉身碎骨的意思
什么牌子的眼霜好用
新精神活性物质又称什么
隔离霜什么牌子好
15万以内买什么车好
负离子的作用
媲美的意思
猜你喜欢
市民卡有什么用
开飞机什么意思
自惭形秽的意思
女人喝什么茶美容养颜
黄褐斑什么样
朋友结婚唱什么歌
打飞机是什么意思
津津乐道的意思
7万左右买什么车好
time是什么意思