小度生活
首页
美食营养
手工爱好
生活家居
返回
小度生活
首页
美食营养
游戏数码
手工爱好
生活家居
健康养生
运动户外
职场理财
情感交际
母婴教育
时尚美容
知识问答
生活知识
搜索
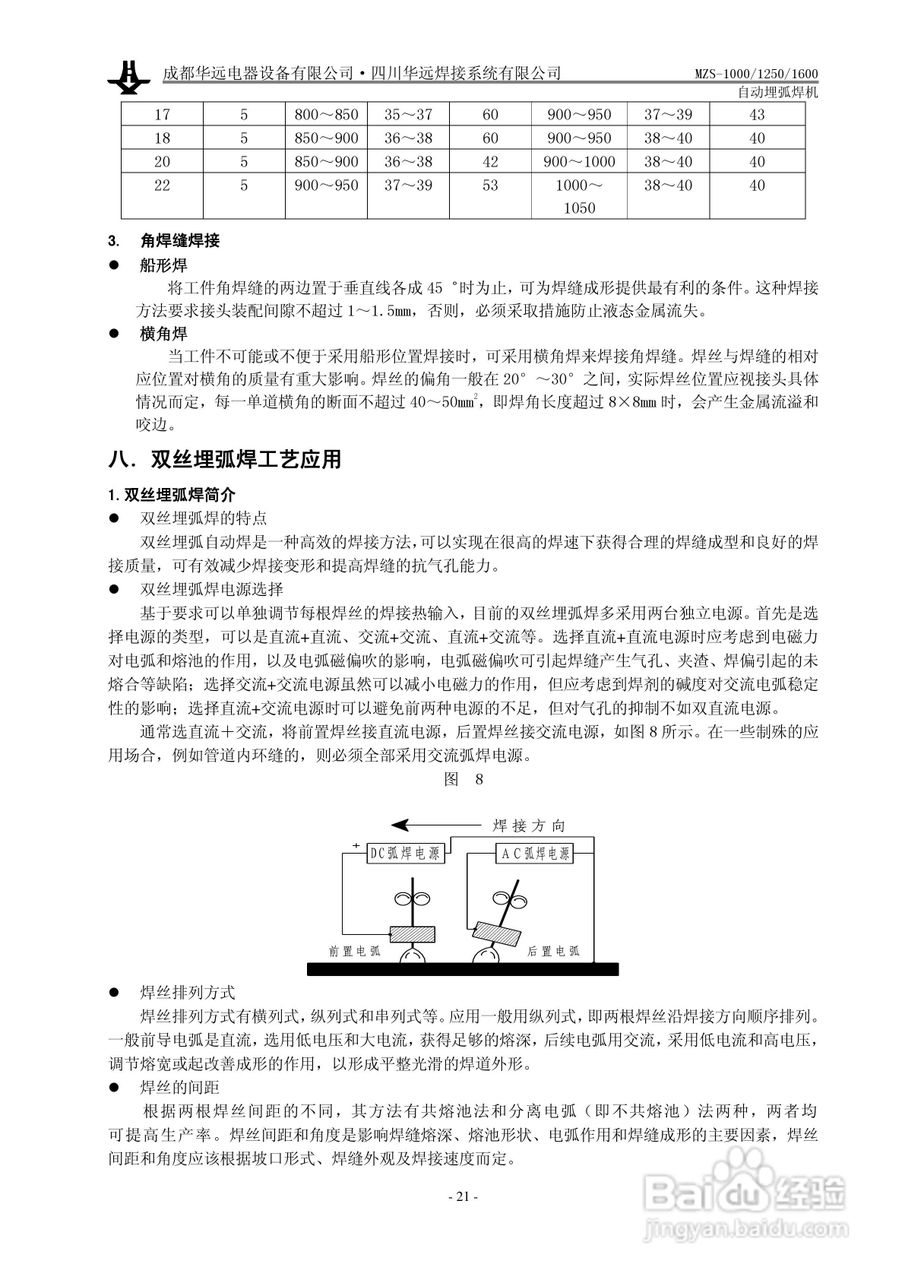
华远MZS-1000自动埋弧焊机使用说明书:[3]
2025-12-10 00:19:00
本篇为《华远MZS-1000自动埋弧焊机使用说明书》,主要介绍该产品的使用方法以及常见故障解决方案。
(共篇)
上一篇:
声明:
本网站引用、摘录或转载内容仅供网站访问者交流或参考,不代表本站立场,如存在版权或非法内容,请联系站长删除,联系邮箱:site.kefu@qq.com。
相关推荐
华远MZE-1000自动埋弧焊机使用说明书:[2]
阅读量:31
华远MZ-1600自动埋弧焊机使用说明书:[2]
阅读量:188
华远MZ-1600自动埋弧焊机使用说明书:[1]
阅读量:54
华远MZ-630自动埋弧焊机使用说明书:[1]
阅读量:109
华远MZ-800自动埋弧焊机使用说明书:[2]
阅读量:178
猜你喜欢
睡衣什么牌子好
较量的意思
白醋泡脚的功效与作用
卫冕冠军是什么意思
清凉油的作用
什么叫绩效工资
知恩图报的意思
羁绊是什么意思
地级市是什么意思
ems是什么意思
猜你喜欢
洗澡用什么
有容乃大是什么意思
瓶颈什么意思
only是什么意思
矜持是什么意思
只争朝夕不负韶华的意思
视疲劳用什么眼药水
vc作用
drive是什么意思
水逆是什么意思