小度生活
首页
美食营养
手工爱好
生活家居
返回
小度生活
首页
美食营养
游戏数码
手工爱好
生活家居
健康养生
运动户外
职场理财
情感交际
母婴教育
时尚美容
知识问答
生活知识
搜索
西门子Milltronics BW500积算仪使用手册:[6]
2026-01-21 05:58:28
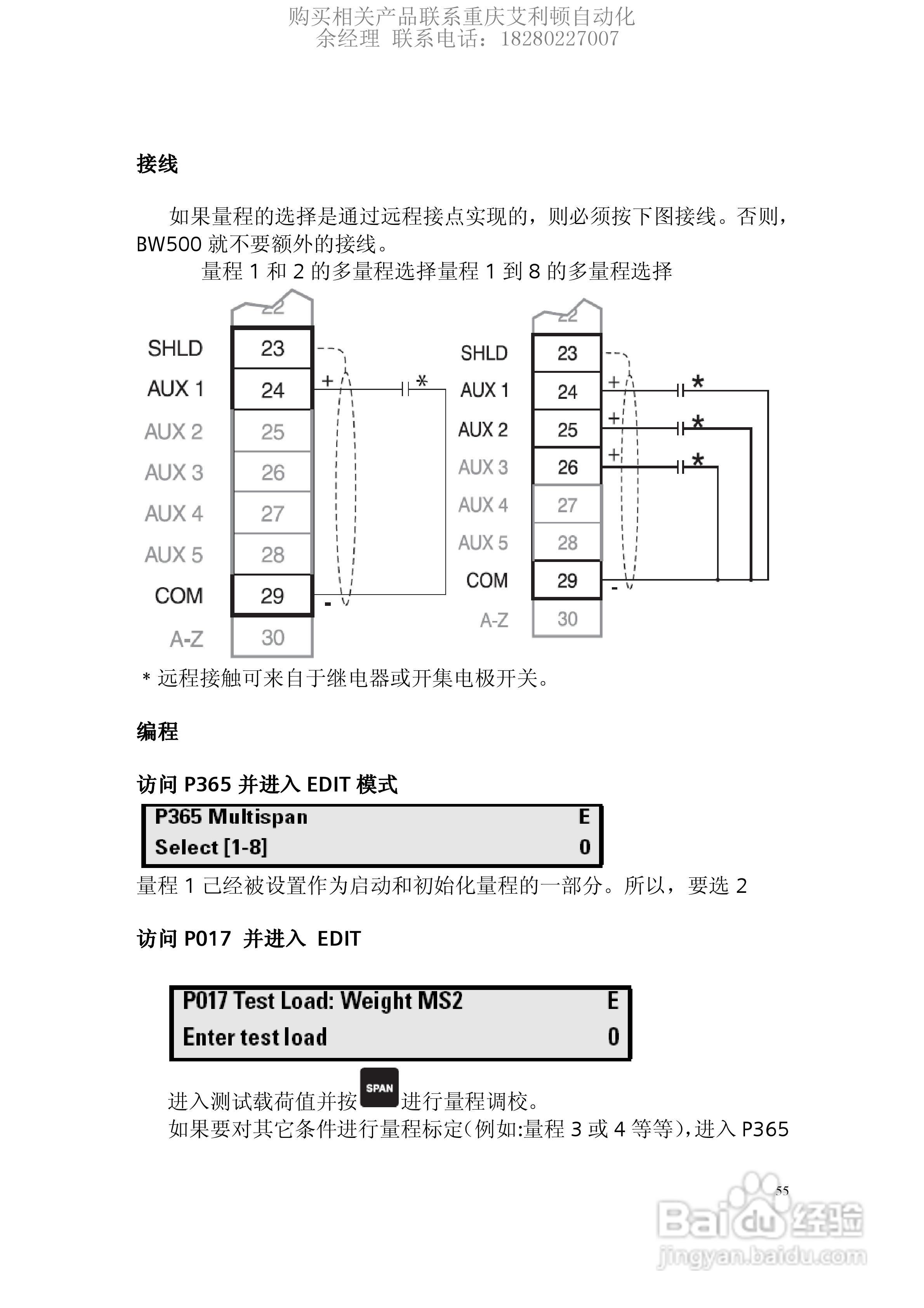
本篇为《西门子Milltronics BW500积算仪使用手册》,主要介绍该产品的使用方法以及常见故障解决方案。
(共篇)
上一篇:
|
下一篇:
声明:
本网站引用、摘录或转载内容仅供网站访问者交流或参考,不代表本站立场,如存在版权或非法内容,请联系站长删除,联系邮箱:site.kefu@qq.com。
相关推荐
西门子Milltronics BW500积算仪使用手册:[8]
阅读量:155
西门子Milltronics BW500积算仪使用手册:[14]
阅读量:117
西门子洗衣机童锁怎么解除
阅读量:20
西门子Milltronics BW500积算仪使用手册:[11]
阅读量:179
西门子Milltronics BW500积算仪使用手册:[12]
阅读量:132
猜你喜欢
南京是什么城
自信是什么
股癣用什么药
附近的反义词是什么
glass是什么意思
有点方是什么意思
au是什么金属
景泰蓝是什么
微云是什么
显卡挖矿是什么意思
猜你喜欢
修订是什么意思
mpa是什么
猫薄荷是什么
三体电影什么时候上映
simple什么意思
水晶之恋是什么意思
喝普洱茶有什么好处
izzue是什么牌子
老炮儿是什么意思
关于完全听不懂老公在说什么的事