小度生活
首页
美食营养
手工爱好
生活家居
返回
小度生活
首页
美食营养
游戏数码
手工爱好
生活家居
健康养生
运动户外
职场理财
情感交际
母婴教育
时尚美容
知识问答
生活知识
搜索
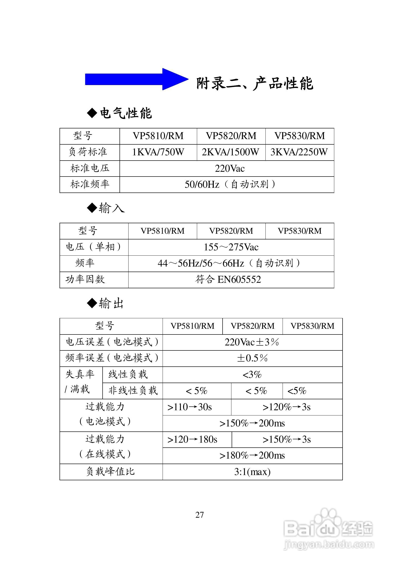
科士达VP5800RM系列逆变电源系统用户使用说明书:[3]
2026-01-23 03:03:00
本篇为《科士达VP5800RM系列逆变电源系统用户使用说明书》,主要介绍该产品的使用方法以及常见故障解决方案。
(共篇)
上一篇:
声明:
本网站引用、摘录或转载内容仅供网站访问者交流或参考,不代表本站立场,如存在版权或非法内容,请联系站长删除,联系邮箱:site.kefu@qq.com。
相关推荐
公司怎么制作SOP
阅读量:188
EXCEL表格怎么插入条形码
阅读量:170
煎虾皮饼怎么做
阅读量:24
SAP MM如何定义供应商采购类别的编号范围
阅读量:129
excel中使用vba制作欢迎提示窗口
阅读量:163
猜你喜欢
augenstern什么意思
血沉是什么意思
什么提示你怀了男宝宝
min什么意思
本科二批是什么意思
业障是什么意思
多巴胺是什么
9月22日是什么星座
电脑cpu是什么
什么是互质数
猜你喜欢
m4a是什么格式
瘟疫是什么病
什么像什么造句
mpv是什么意思
beside是什么意思
开黑是什么意思
什么是纳米技术
hpv疫苗适合什么年龄
2000年属什么
nh3是什么