小度生活
首页
美食营养
手工爱好
生活家居
返回
小度生活
首页
美食营养
游戏数码
手工爱好
生活家居
健康养生
运动户外
职场理财
情感交际
母婴教育
时尚美容
知识问答
生活知识
生活百科
搜索
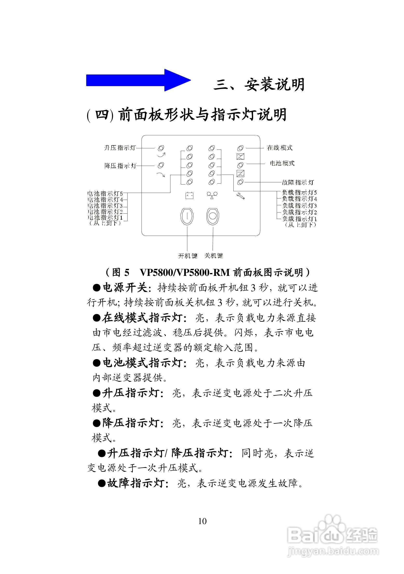
科士达VP5800RM系列逆变电源系统用户使用说明书:[2]
2026-04-27 22:58:45
本篇为《科士达VP5800RM系列逆变电源系统用户使用说明书》,主要介绍该产品的使用方法以及常见故障解决方案。
(共篇)
上一篇:
|
下一篇:
声明:
本网站引用、摘录或转载内容仅供网站访问者交流或参考,不代表本站立场,如存在版权或非法内容,请联系站长删除,联系邮箱:site.kefu@qq.com。
相关推荐
现场修复大型球磨机轴磨损
阅读量:190
KVF2000系列变频器使用说明书:[2]
阅读量:193
煤泥水处理怎样使用高分子絮凝剂呢?
阅读量:165
先锋DEH-P7950UB CD播放器使用说明书:[3]
阅读量:192
液压螺栓拉伸器图片
阅读量:153
猜你喜欢
屈服的近义词
公务员考试常识题
桌面图标怎么变小
猷字怎么读
社保卡的钱怎么取出来
打印机脱机怎么解决
剪什么发型好看
取款机怎么取钱
右手麻木是怎么回事
太原科技大学怎么样
猜你喜欢
适合中学生的发型
怎么更改路由器密码
汉密尔顿手表怎么样
给予的近义词
ppt怎么换背景
郑州博物馆
手机微信怎么下载
腾龙18-200镜头怎么样
劲酒怎么样
我自己用英语怎么说