小度生活
首页
美食营养
手工爱好
生活家居
返回
小度生活
首页
美食营养
游戏数码
手工爱好
生活家居
健康养生
运动户外
职场理财
情感交际
母婴教育
时尚美容
知识问答
生活知识
生活百科
搜索
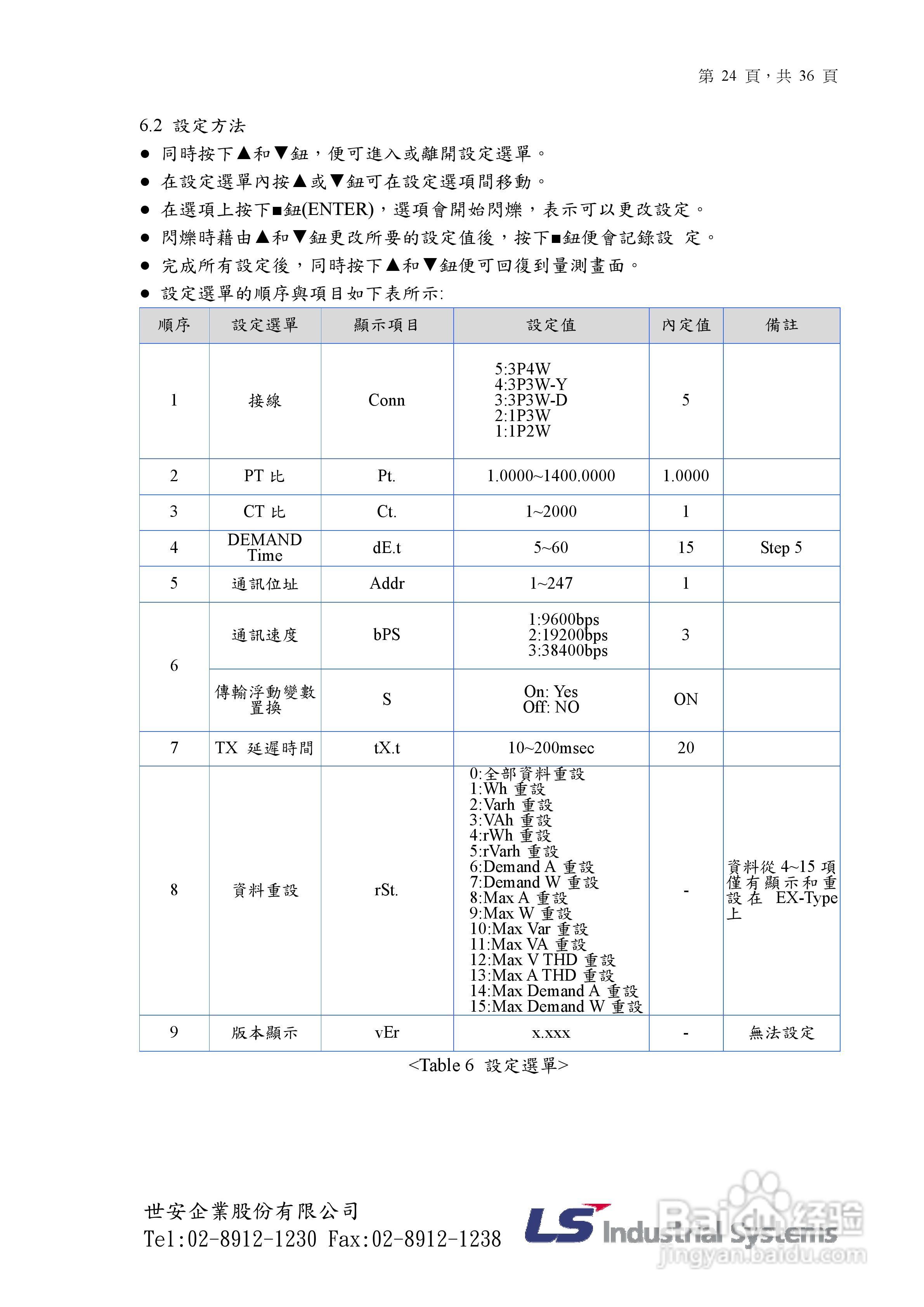
GIMAC-i数位电表使用手册:[3]
2026-03-31 01:34:34
本篇为《GIMAC-i数位电表使用手册》,主要介绍该产品的使用方法以及常见故障解决方案。
(共篇)
上一篇:
|
下一篇:
声明:
本网站引用、摘录或转载内容仅供网站访问者交流或参考,不代表本站立场,如存在版权或非法内容,请联系站长删除,联系邮箱:site.kefu@qq.com。
相关推荐
玻璃马赛克施工时的九种常见现象及原因
阅读量:70
汽车如何清洗节气门
阅读量:130
家用电锅炉要如何选择
阅读量:20
漏电保护开关与空气开关的使用问题
阅读量:143
绕线型电机转子的故障及处理
阅读量:56
猜你喜欢
消防安全知识讲座
桑树叶的作用
什么是mes系统
左眼跳代表什么
小学生消防安全知识
suck什么意思
艾灸的功效与作用
butterfly什么意思
弱水三千只取一瓢饮什么意思
小学数学知识点大全
猜你喜欢
中国十大运动品牌
文化的作用
制远志的功效与作用
电脑什么配置好
什么叫设计
果胶铋的功效与作用
什么是玻化砖
白羊座女生和什么座最配
覆水难收什么意思
枸杞子的作用