小度生活
首页
美食营养
手工爱好
生活家居
返回
小度生活
首页
美食营养
游戏数码
手工爱好
生活家居
健康养生
运动户外
职场理财
情感交际
母婴教育
时尚美容
知识问答
生活知识
生活百科
搜索
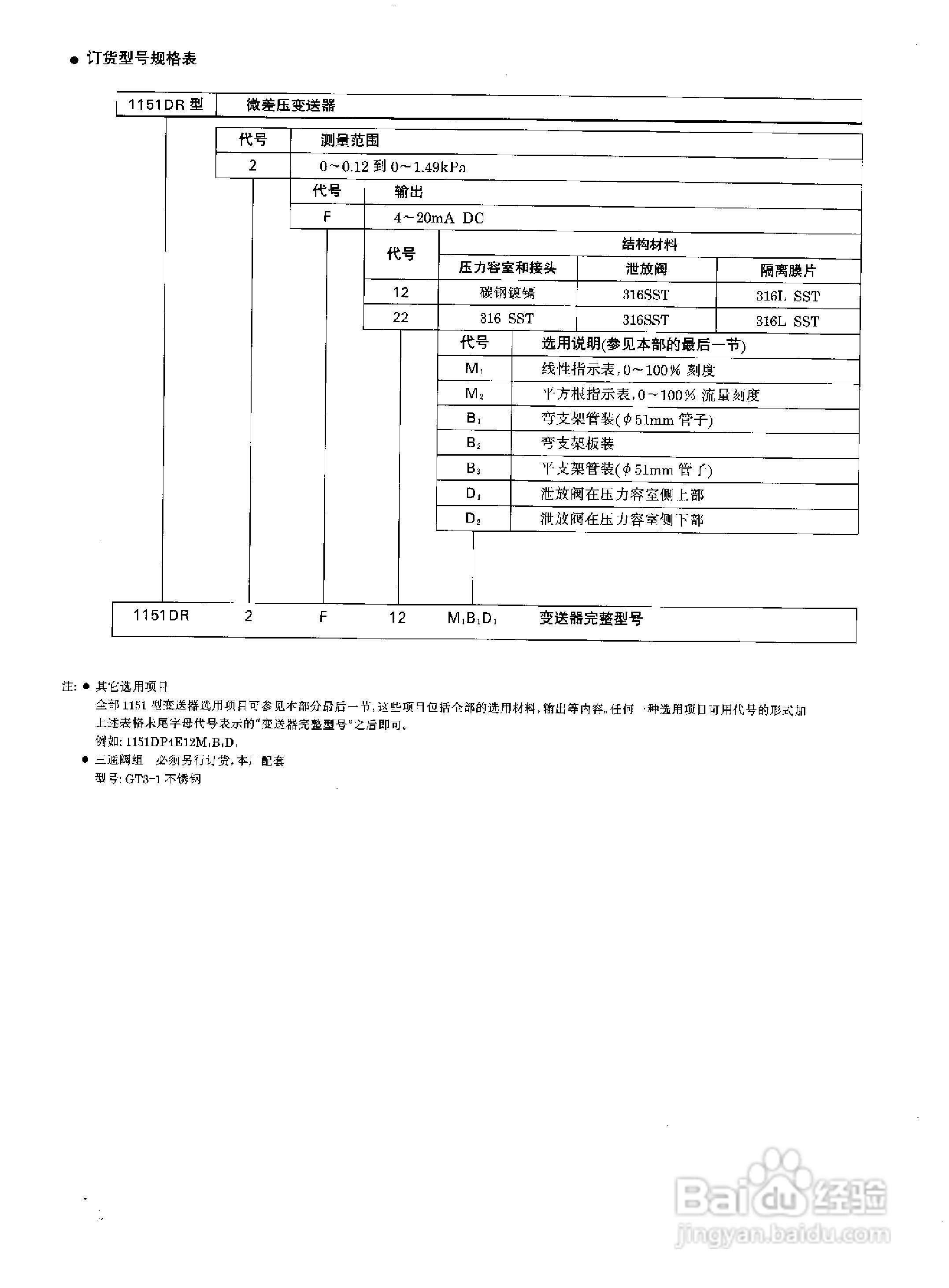
ST3000-S900系列全智能压力、差压变送器说明书:[5]
2026-04-19 02:21:55
本篇为《ST3000-S900系列全智能压力、差压变送器说明书》,主要介绍该产品的使用方法以及常见故障解决方案。
(共篇)
上一篇:
|
下一篇:
声明:
本网站引用、摘录或转载内容仅供网站访问者交流或参考,不代表本站立场,如存在版权或非法内容,请联系站长删除,联系邮箱:site.kefu@qq.com。
相关推荐
ST3000-S900系列全智能压力、差压变送器说明书:[6]
阅读量:80
ST3000-S900系列全智能压力、差压变送器说明书:[7]
阅读量:80
ST3000-S900系列全智能压力、差压变送器说明书:[2]
阅读量:105
ST3000-S900系列全智能压力、差压变送器说明书:[3]
阅读量:147
ST3000-S900系列全智能压力、差压变送器说明书:[1]
阅读量:119
猜你喜欢
手机内屏坏了什么现象
1943年属什么
单反相机什么牌子好
莲花什么时候开
金匮肾气丸的功效与作用
什么是锆石
什么是前列腺钙化
客厅窗帘什么颜色好
橘红丸的功效与作用
藕断丝连什么意思
猜你喜欢
白芸豆的功效与作用
什么样的山和海可以移动
运动长裤
什么的自述
什么牌子的口红好
热玛吉的功效作用及副作用
育儿知识大全
peter什么意思
天王补心丸的功效与作用
秋天的树叶像什么