小度生活
首页
美食营养
手工爱好
生活家居
返回
小度生活
首页
美食营养
游戏数码
手工爱好
生活家居
健康养生
运动户外
职场理财
情感交际
母婴教育
时尚美容
知识问答
生活知识
搜索
MEGAWIN MG82FG216 8 位微处理器用户手册:[2]
2026-02-20 01:18:43
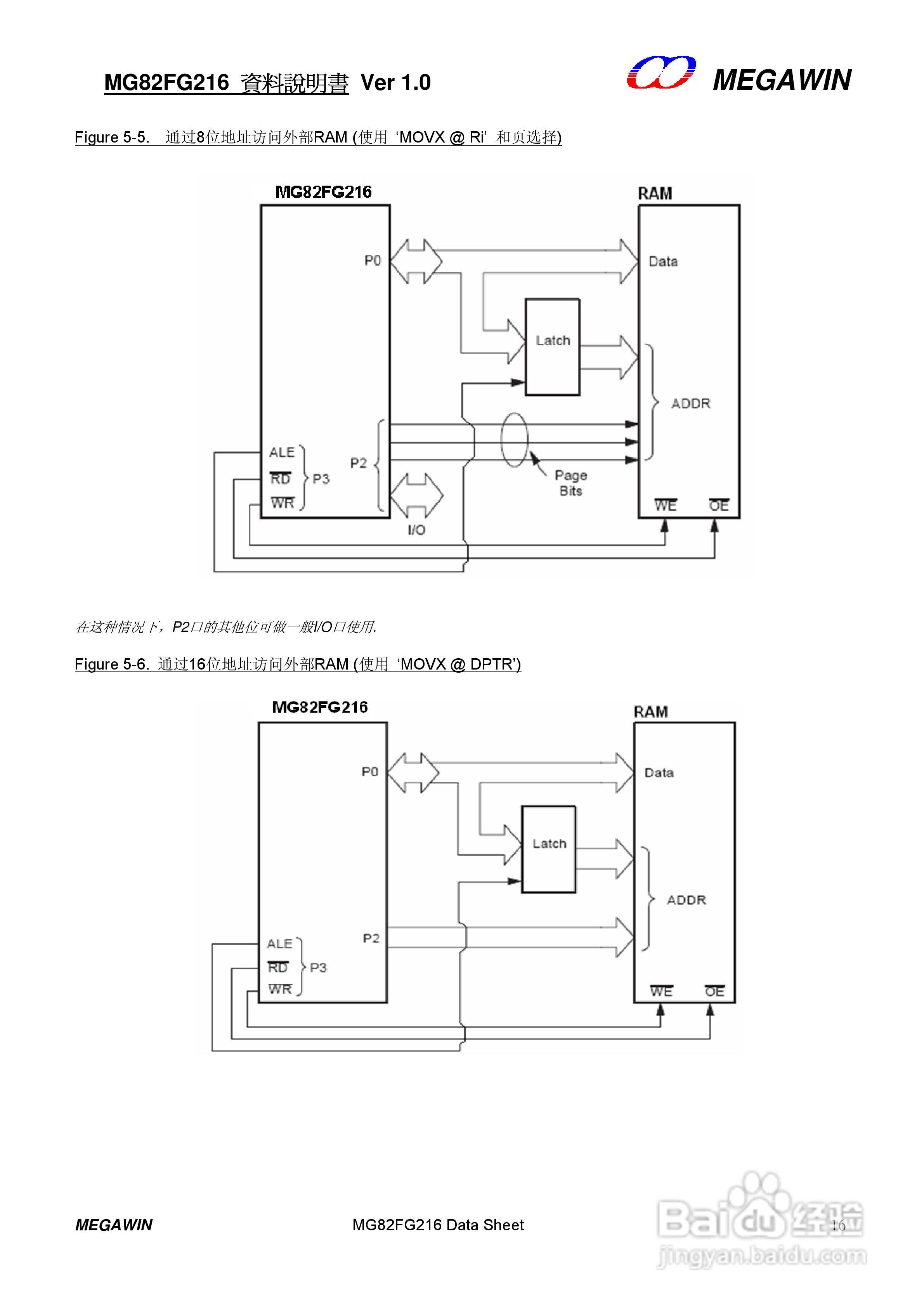
本篇为《MEGAWIN MG82FG216 8 位微处理器用户手册》,主要介绍该产品的使用方法以及常见故障解决方案。
(共篇)
上一篇:
|
下一篇:
声明:
本网站引用、摘录或转载内容仅供网站访问者交流或参考,不代表本站立场,如存在版权或非法内容,请联系站长删除,联系邮箱:site.kefu@qq.com。
相关推荐
MEGAWIN MG82FG216 8 位微处理器用户手册:[8]
阅读量:79
MEGAWIN MG82FG216 8 位微处理器用户手册:[7]
阅读量:177
8.0地狱火堡垒老一怎么单刷
阅读量:147
8700k超频教程
阅读量:74
8g内存虚拟内存怎么设置最好
阅读量:103
猜你喜欢
新锅使用前怎么处理
做什么运动可以瘦腿
蒲公英茶可以天天喝吗
昌平旅游景点
b2驾照可以开什么车
孕妇可以喝茶
猪鼻龟怎么养
水表怎么看的
蜜蜂蛰了怎么消肿
怎么送q币
猜你喜欢
黄颡鱼怎么钓
旅游购物
塌鼻子怎么办
青岛旅游攻略
怎么去眼下皱纹
世界旅游
重庆武隆旅游攻略
鱼尾纹怎么消除
孕妇可以吃什么零食
蛋糕油可以用什么代替