小度生活
首页
美食营养
手工爱好
生活家居
返回
小度生活
首页
美食营养
游戏数码
手工爱好
生活家居
健康养生
运动户外
职场理财
情感交际
母婴教育
时尚美容
知识问答
生活知识
搜索
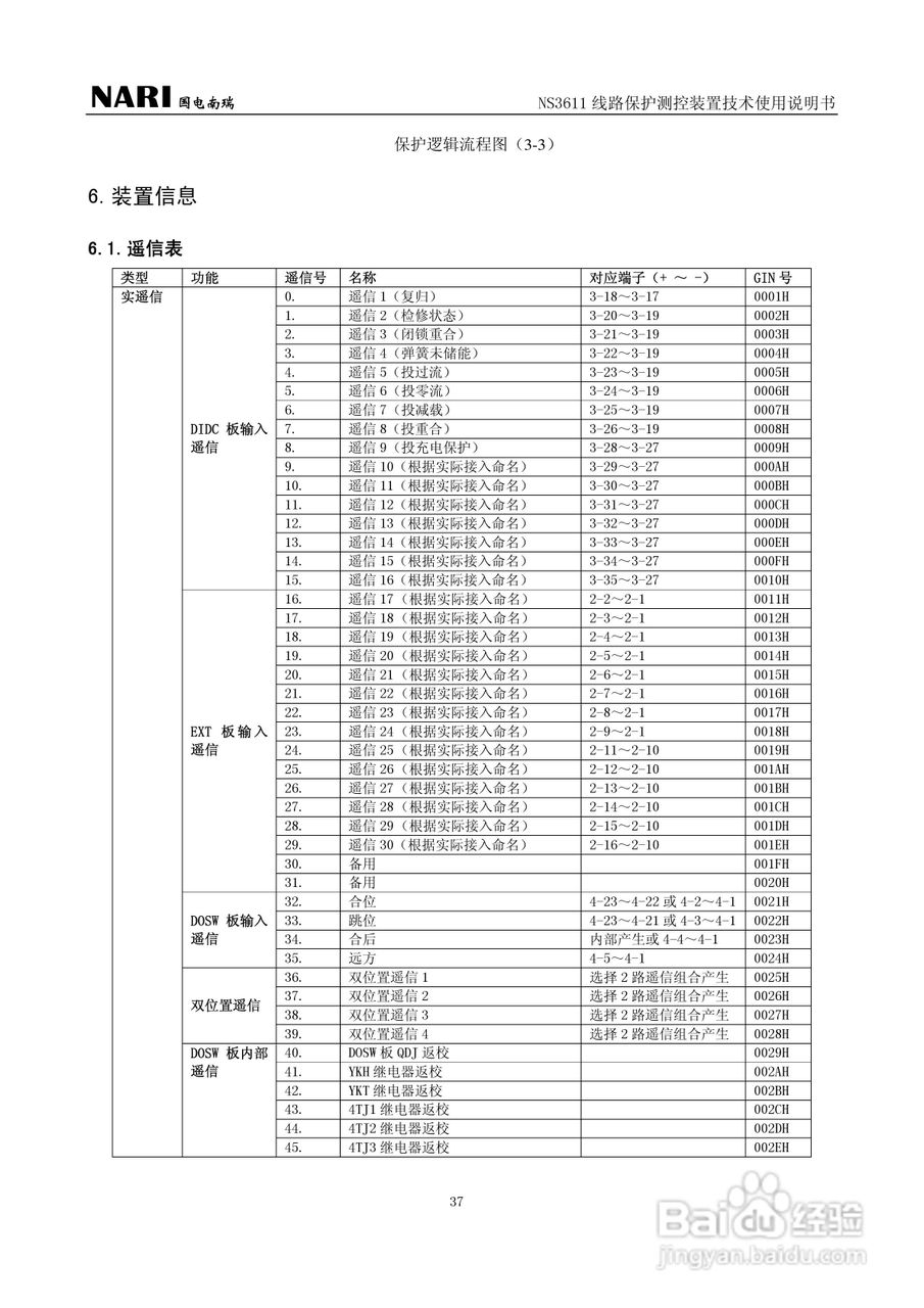
NS3611DD线路保护测控装置技术使用说明书:[4]
2025-10-19 00:53:19
本篇为《NS3611DD线路保护测控装置技术使用说明书》,主要介绍该产品的使用方法以及常见故障解决方案。
(共篇)
上一篇:
|
下一篇:
声明:
本网站引用、摘录或转载内容仅供网站访问者交流或参考,不代表本站立场,如存在版权或非法内容,请联系站长删除,联系邮箱:site.kefu@qq.com。
相关推荐
NS3611DD线路保护测控装置技术使用说明书:[3]
阅读量:133
WXH-820A微机线路保护测控装置技术及使用说明书:[4]
阅读量:195
WXH-820A微机线路保护测控装置技术及使用说明书:[6]
阅读量:143
WXH-820A微机线路保护测控装置技术及使用说明书:[5]
阅读量:79
使用说明书wf2651使用指南
阅读量:180
猜你喜欢
神经衰弱是什么
什么是项目
唱标是什么意思
客座教授是什么意思
学籍辅号是什么
碧莲是什么意思
千钧一发是什么意思
梦见白蛇是什么意思
巧克力是什么做的
官家是什么意思
猜你喜欢
叮咛的近义词是什么
大什么小什么的成语
hdcp功能是什么
流通盘是什么意思
呵呵呵是什么意思
loft是什么意思
cheese是什么意思
accept是什么意思
above是什么意思
super是什么意思