小度生活
首页
美食营养
手工爱好
生活家居
返回
小度生活
首页
美食营养
游戏数码
手工爱好
生活家居
健康养生
运动户外
职场理财
情感交际
母婴教育
时尚美容
知识问答
生活知识
生活百科
搜索
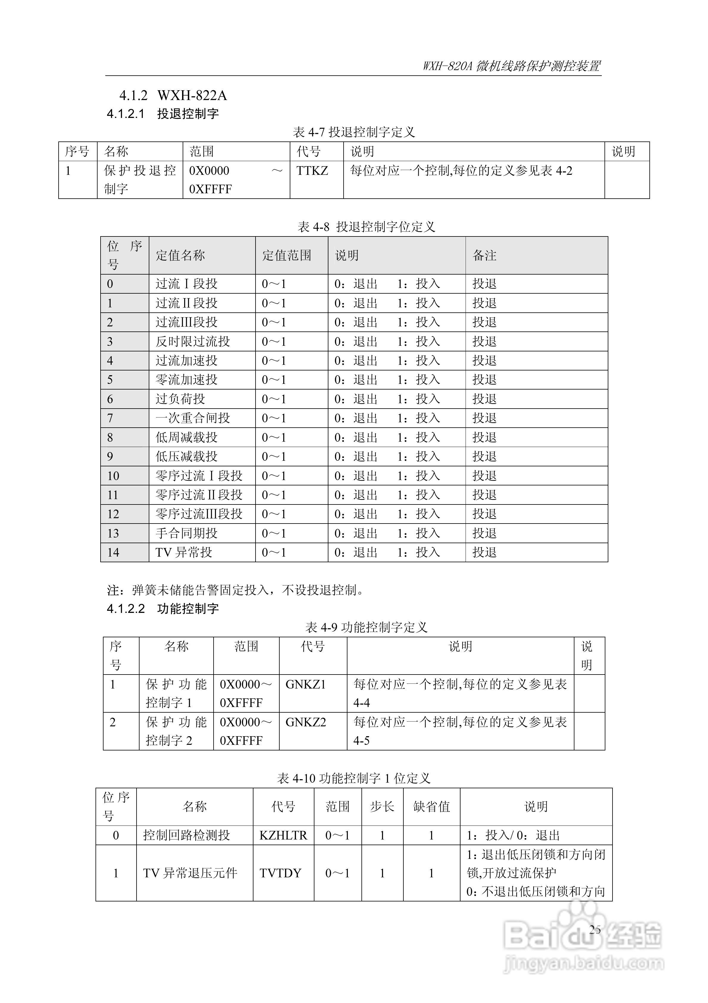
WXH-820A微机线路保护测控装置技术及使用说明书:[4]
2026-04-25 04:16:31
本篇为《WXH-820A微机线路保护测控装置技术及使用说明书》,主要介绍该产品的使用方法以及常见故障解决方案。
(共篇)
上一篇:
|
下一篇:
声明:
本网站引用、摘录或转载内容仅供网站访问者交流或参考,不代表本站立场,如存在版权或非法内容,请联系站长删除,联系邮箱:site.kefu@qq.com。
相关推荐
WXH-820A微机线路保护测控装置技术及使用说明书:[2]
阅读量:62
WXH-820A微机线路保护测控装置技术及使用说明书:[5]
阅读量:42
WDR-820A微机电容器保护测控装置技术及使用说明书:[4]
阅读量:158
WDR-820A微机电容器保护测控装置技术及使用说明书:[6]
阅读量:70
NS3611DD线路保护测控装置技术使用说明书:[4]
阅读量:102
猜你喜欢
羊肉煲的做法大全
左下腹痛是怎么回事
肘子的做法大全
色列少女漫画大全
小说大全免费阅读
狗狗大全
安全儿歌童谣大全
国家英文名称大全
粤语歌曲经典老歌大全
日出图片大全
猜你喜欢
汉堡包用英语怎么写
小学生对联大全
佰草集怎么样
js特效大全
体积计算公式大全
手相算命图解大全
出国护照怎么办理
打印机不打印怎么回事
虫牙痛怎么快速止痛
爱情电影大全