小度生活
首页
美食营养
手工爱好
生活家居
返回
小度生活
首页
美食营养
游戏数码
手工爱好
生活家居
健康养生
运动户外
职场理财
情感交际
母婴教育
时尚美容
知识问答
生活知识
搜索
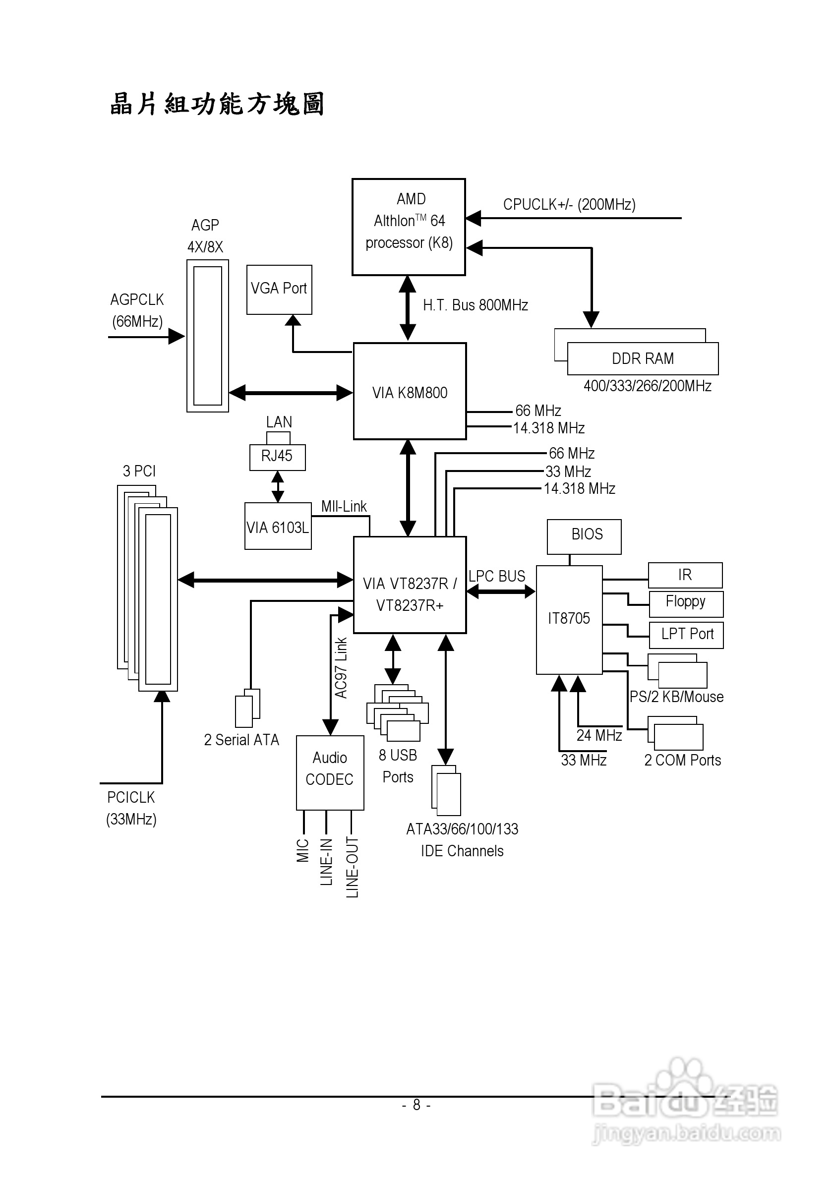
技嘉GA-K8VM800M型主板说明书:[1]
2026-01-15 07:45:05
本篇为《技嘉GA-K8VM800M型主板说明书》,主要介绍该产品的使用方法以及常见故障解决方案。
(共篇)
下一篇:
声明:
本网站引用、摘录或转载内容仅供网站访问者交流或参考,不代表本站立场,如存在版权或非法内容,请联系站长删除,联系邮箱:site.kefu@qq.com。
相关推荐
技嘉GA-K8VM800M-RH型主板说明书:[1]
阅读量:74
技嘉GA-K8VM800M型主板说明书:[7]
阅读量:46
技嘉GA-K8VM800M-RH型主板说明书:[4]
阅读量:171
技嘉主板bios设置固态硬盘启动
阅读量:107
技嘉GA-K8VM800M-RH型主板说明书:[8]
阅读量:38
猜你喜欢
什么是热射病
气概的意思
60万左右买什么车好
color是什么意思
经纪人是什么意思
蓝底配什么颜色的字
江西庐山盛产什么茶
already是什么意思
转化率是什么意思
水天一色的意思
猜你喜欢
madam是什么意思
煲什么汤补肾
什么银行卡不收年费
怡的意思
什么病能请长期病假
什么叫小心眼
means是什么意思
revise什么意思
昧的意思
人为什么活着这么累