小度生活
首页
美食营养
手工爱好
生活家居
返回
小度生活
首页
美食营养
游戏数码
手工爱好
生活家居
健康养生
运动户外
职场理财
情感交际
母婴教育
时尚美容
知识问答
生活知识
生活百科
搜索
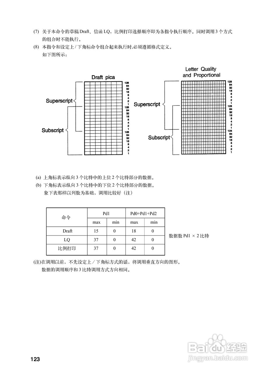
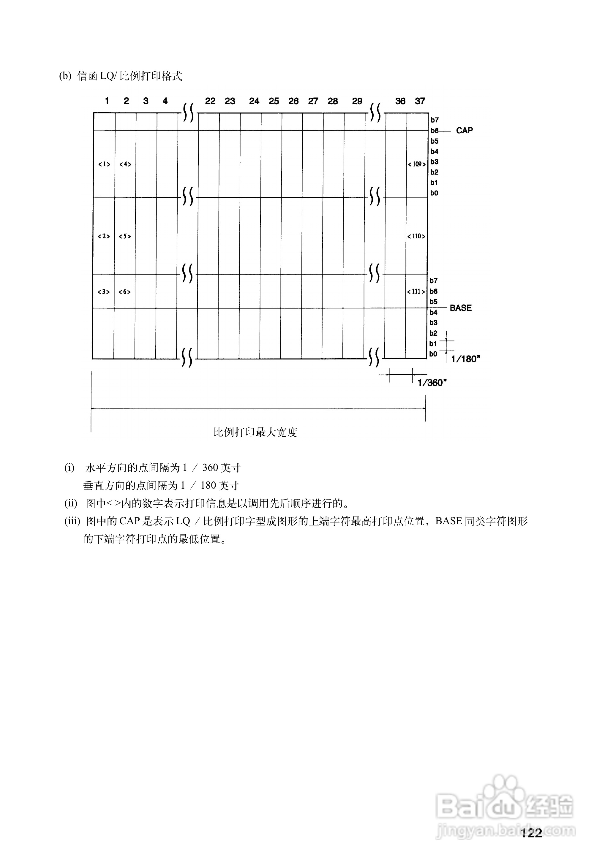
OKI MICROLINE 5340CⅡ宽行通用针式打印机使用说明书:[14]
2026-04-27 01:39:49
本篇为《OKI MICROLINE 5340CⅡ宽行通用针式打印机使用说明书》,主要介绍该产品的使用方法以及常见故障解决方案。
(共篇)
上一篇:
|
下一篇:
声明:
本网站引用、摘录或转载内容仅供网站访问者交流或参考,不代表本站立场,如存在版权或非法内容,请联系站长删除,联系邮箱:site.kefu@qq.com。
相关推荐
OKI MICROLINE 5340CⅡ宽行通用针式打印机使用说明书:[12]
阅读量:92
OKI MICROLINE 5340CⅡ宽行通用针式打印机使用说明书:[8]
阅读量:87
OKI MICROLINE 5340CⅡ宽行通用针式打印机使用说明书:[6]
阅读量:49
OKI MICROLINE 5340CⅡ宽行通用针式打印机使用说明书:[16]
阅读量:185
OKI MICROLINE 5340CⅡ宽行通用针式打印机使用说明书:[13]
阅读量:169
猜你喜欢
微信怎么发文字
工种怎么填
尤克里里怎么调音
怎么快速瘦大腿
加湿器怎么用
大地保险车险怎么样
怎么关qq空间
微店怎么开
怎么告白
怎么才能让皮肤变白
猜你喜欢
别克昂科拉怎么样
伯纳天纯狗粮怎么样
腿酸怎么办
素野护肤品怎么样
怎么绑鱼线
怎么解除安全模式
神经官能症怎么治疗
京东金融怎么样
没有钱怎么办
手机充不上电怎么回事