小度生活
首页
美食营养
手工爱好
生活家居
返回
小度生活
首页
美食营养
游戏数码
手工爱好
生活家居
健康养生
运动户外
职场理财
情感交际
母婴教育
时尚美容
知识问答
生活知识
生活百科
搜索
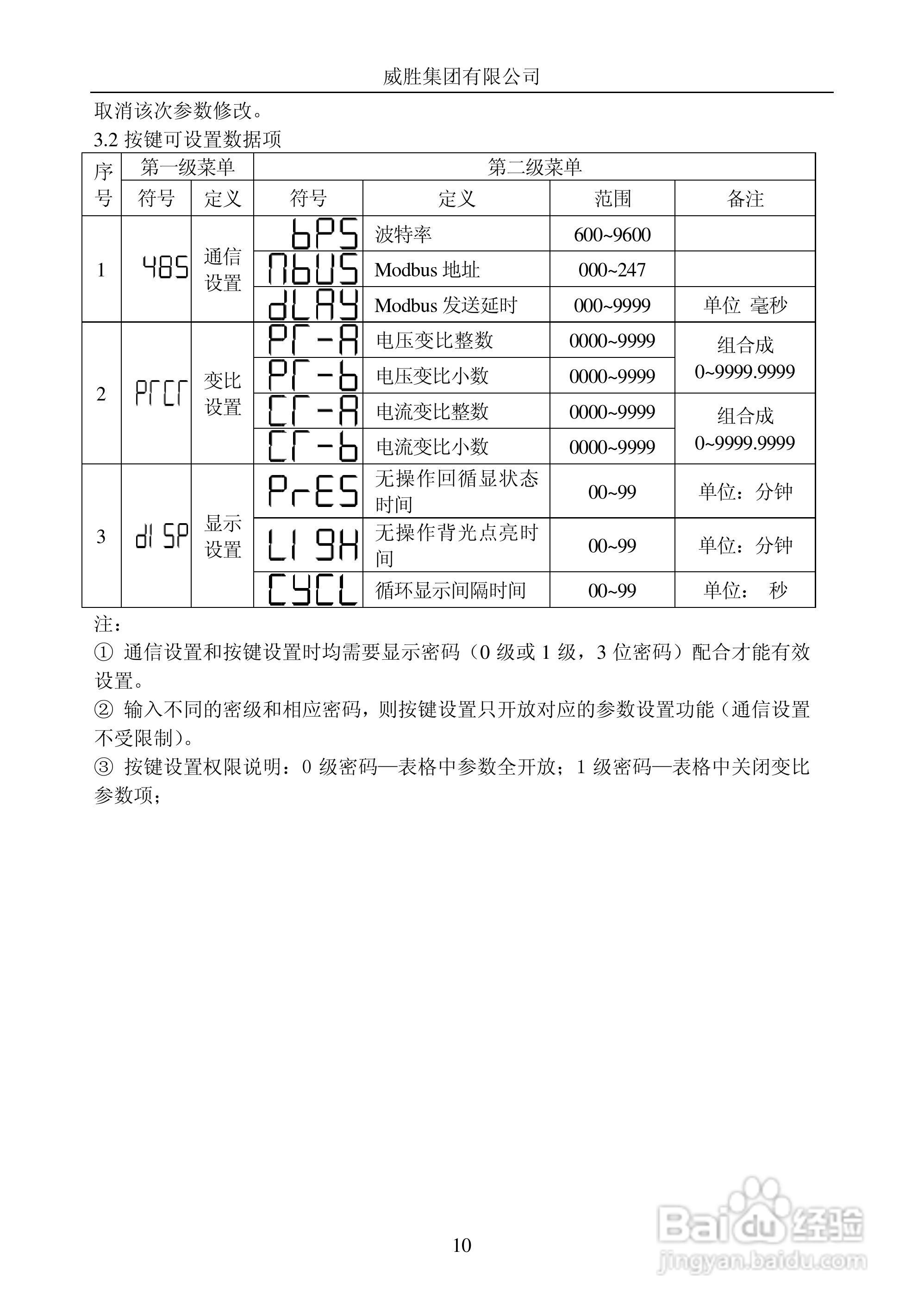
威胜PD1056/1N型单相电子式多功能电能表使用说明书:[2]
2026-04-23 23:22:13
本篇为《威胜PD1056/1N型单相电子式多功能电能表使用说明书》,主要介绍该产品的使用方法以及常见故障解决方案。
(共篇)
上一篇:
|
下一篇:
声明:
本网站引用、摘录或转载内容仅供网站访问者交流或参考,不代表本站立场,如存在版权或非法内容,请联系站长删除,联系邮箱:site.kefu@qq.com。
相关推荐
威胜PD1056/1N型单相电子式多功能电能表使用说明书:[1]
阅读量:80
威胜PD1056/1Q型单相电子式多功能电能表使用说明书:[1]
阅读量:83
威胜PD1056/1P型单相电子式多功能电能表使用说明书:[1]
阅读量:179
威胜PD1056/1D型单相电子式多功能电能表使用说明书:[2]
阅读量:28
威胜PD1056/1P型单相电子式多功能电能表使用说明书:[2]
阅读量:125
猜你喜欢
沁园春雪意思
迷惘的意思
sentences是什么意思
2019什么生肖
什么是外汇交易
二维码有什么用
祝福祖国手抄报
啼笑皆非的意思
benchmark什么意思
公司融资是什么意思
猜你喜欢
蓝颜知己的意思
垂头丧气的意思是什么
胜利的证明有什么用
染什么颜色头发显白
苹果下载软件用什么
二级学院是什么意思
人杰地灵的意思
没心没肺是什么意思
丰胸精油什么牌子好
南柯一梦是什么意思