小度生活
首页
美食营养
手工爱好
生活家居
返回
小度生活
首页
美食营养
游戏数码
手工爱好
生活家居
健康养生
运动户外
职场理财
情感交际
母婴教育
时尚美容
知识问答
生活知识
搜索
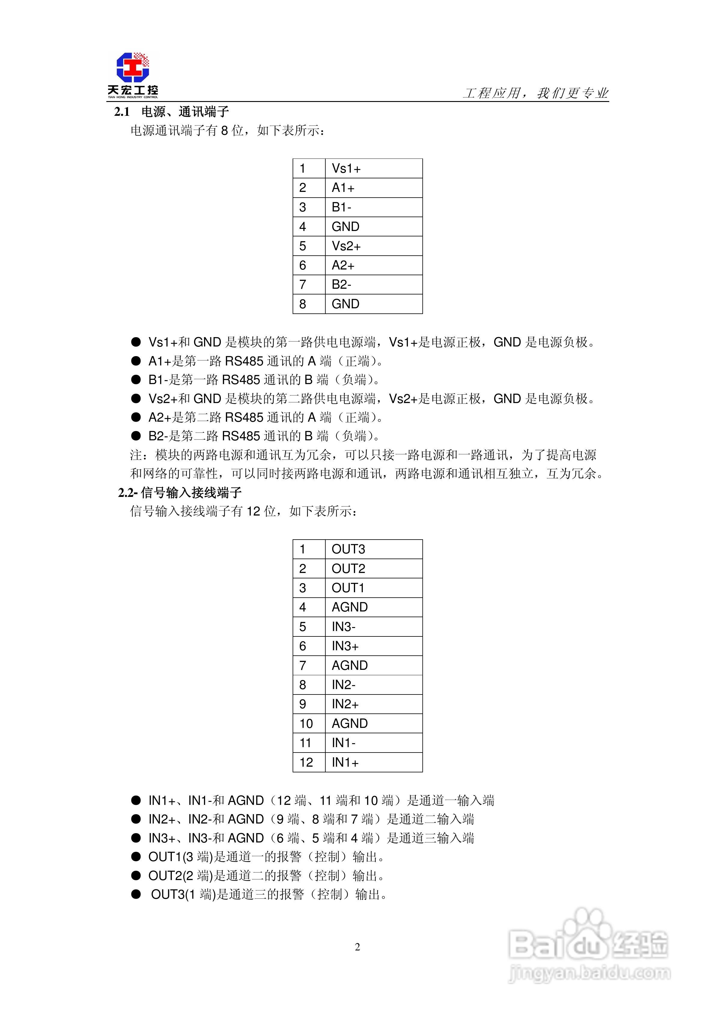
天宏THMK-4013 3路热电阻输入模块使用说明书:[1]
2026-03-11 05:30:55
本篇为《天宏THMK-4013 3路热电阻输入模块使用说明书》,主要介绍该产品的使用方法以及常见故障解决方案。
(共篇)
下一篇:
声明:
本网站引用、摘录或转载内容仅供网站访问者交流或参考,不代表本站立场,如存在版权或非法内容,请联系站长删除,联系邮箱:site.kefu@qq.com。
相关推荐
日立R-Z437电冰箱使用说明书
阅读量:130
XWZK-1537A快速自动平衡显示记录仪说明书:[6]
阅读量:111
VirtualSvnServer64及TortoiseSVN安装及应用
阅读量:179
一分钟快速查到QQ好友IP地址【rzxt】
阅读量:88
BK-791
阅读量:136
猜你喜欢
空投是什么意思
ab团是什么意思
star是什么意思
婧是什么意思
心机婊什么意思
5201314是什么意思
不知好歹的意思
吹箫是什么意思
sweep是什么意思
阿其那是什么意思
猜你喜欢
bingo是什么意思
板塔结合是什么意思
喝牛奶有什么坏处
成人大学有什么用
fair是什么意思
谁言寸草心报得三春晖的意思
shirt是什么意思中文
黑钻有什么用
区块链是什么意思
看房子需要注意什么