小度生活
首页
美食营养
手工爱好
生活家居
返回
小度生活
首页
美食营养
游戏数码
手工爱好
生活家居
健康养生
运动户外
职场理财
情感交际
母婴教育
时尚美容
知识问答
生活知识
生活百科
搜索
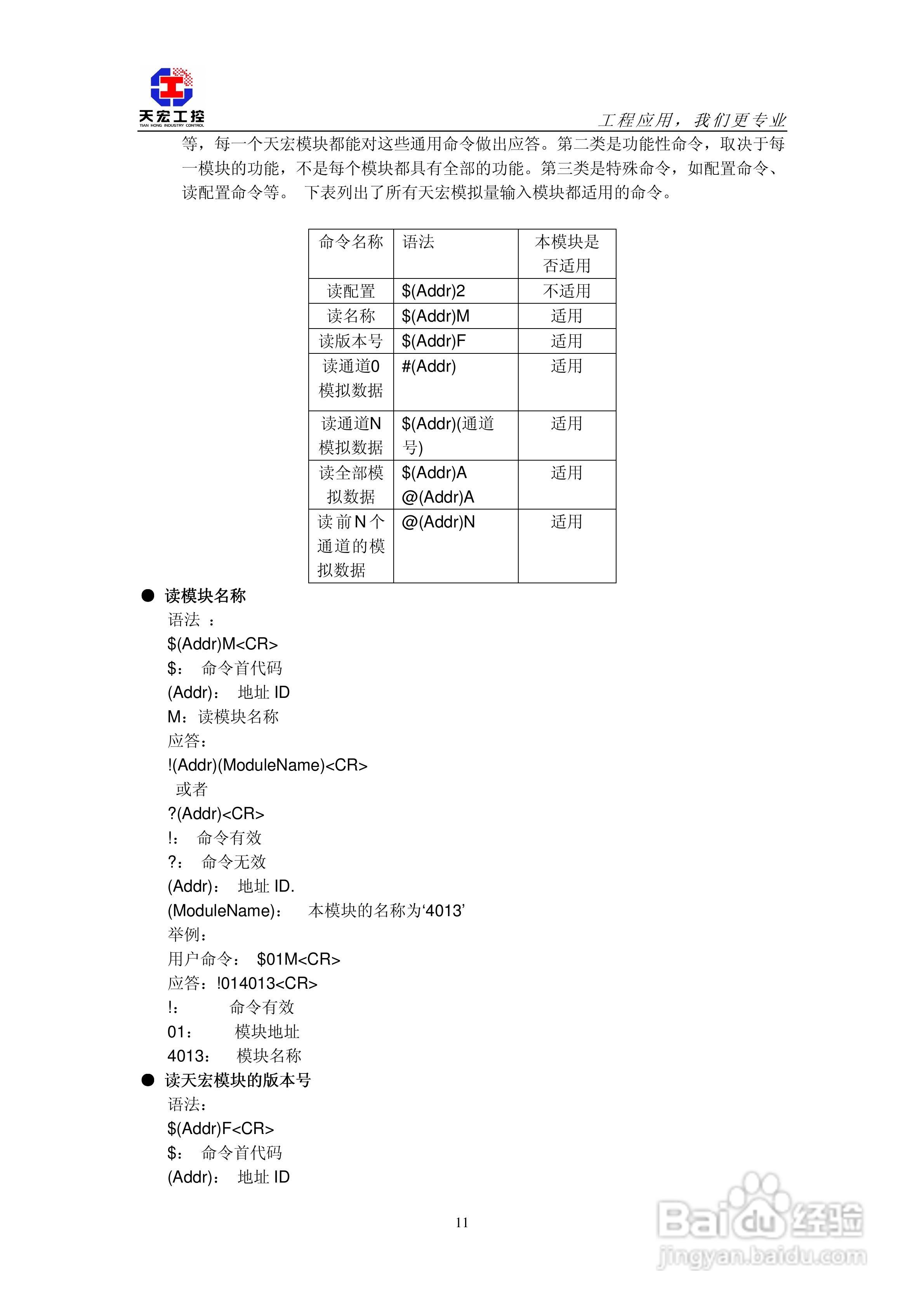
天宏THMK-4013 3路热电阻输入模块使用说明书:[2]
2026-04-27 00:02:01
本篇为《天宏THMK-4013 3路热电阻输入模块使用说明书》,主要介绍该产品的使用方法以及常见故障解决方案。
(共篇)
上一篇:
声明:
本网站引用、摘录或转载内容仅供网站访问者交流或参考,不代表本站立场,如存在版权或非法内容,请联系站长删除,联系邮箱:site.kefu@qq.com。
相关推荐
天宏THMK-4013 3路热电阻输入模块使用说明书:[1]
阅读量:76
天宏THMK-4015 4路摸拟量输入模块使用说明书:[2]
阅读量:156
天宏THMK-4069 16路开关量输出模块使用说明书:[2]
阅读量:149
天宏THMK-4017 8路摸拟输入模块使用说明书:[2]
阅读量:134
天宏THMK-4069 16路开关量输出模块使用说明书:[1]
阅读量:177
猜你喜欢
面包的做法和配方
我的世界盔甲架怎么做
便秘怎么办
牙酸是怎么回事
ins怎么下载
娃娃菜怎么做好吃
微信怎么设置拍一拍
呼叫转移怎么设置
qq关联怎么设置
柠檬水怎么做
猜你喜欢
朱梓骁为什么消失了
牛鞭的做法大全
文竹叶子发黄怎么挽救
电脑怎么连接wifi
矮个子怎么增高
醋溜土豆丝的家常做法
丰都为什么叫鬼城
箴怎么读
word怎么横向排版
十万个为什么