小度生活
首页
美食营养
手工爱好
生活家居
返回
小度生活
首页
美食营养
游戏数码
手工爱好
生活家居
健康养生
运动户外
职场理财
情感交际
母婴教育
时尚美容
知识问答
生活知识
生活百科
搜索
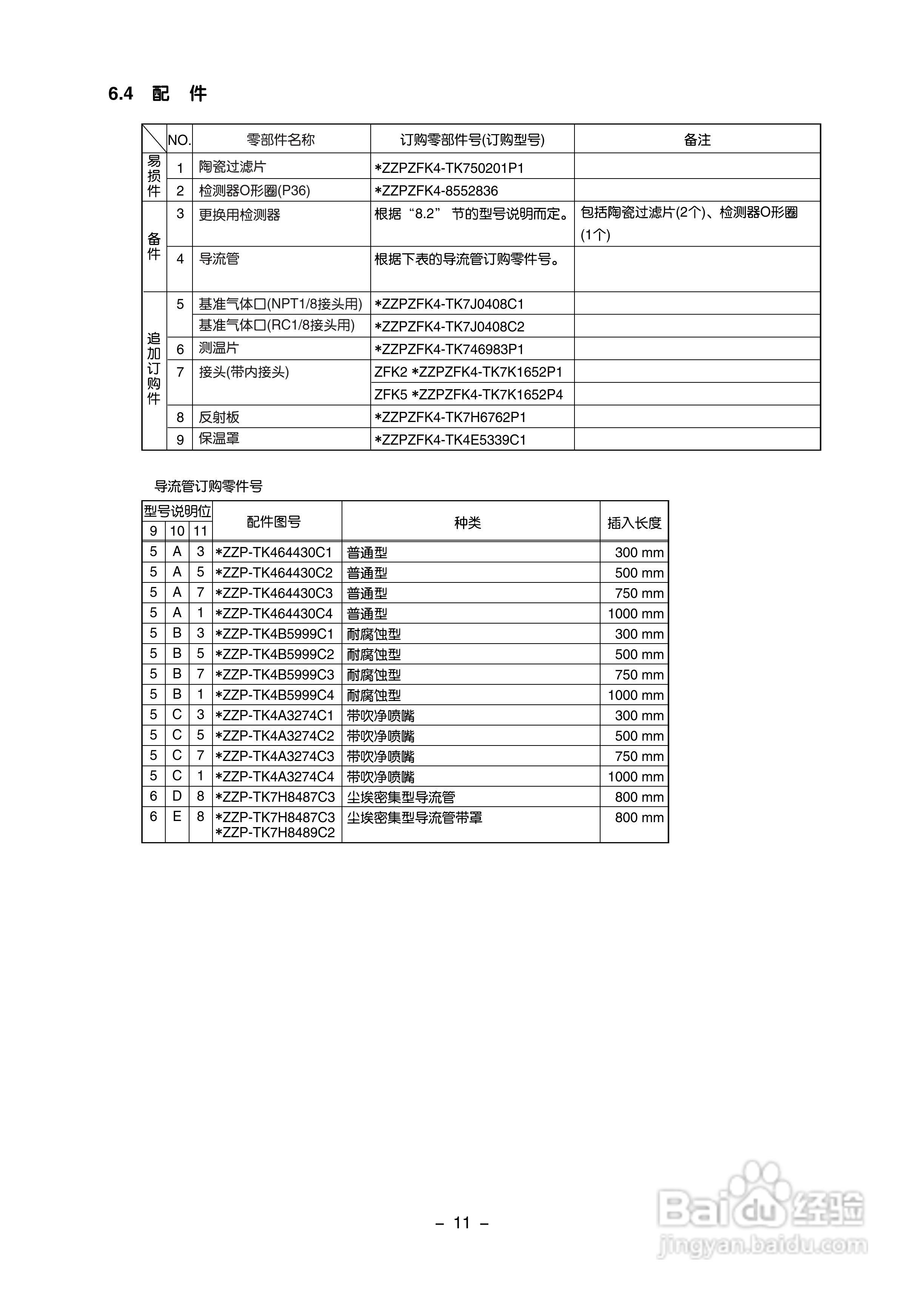
富士ZFK2,5 插式氧化锆氧检测器使用说明书:[2]
2026-04-18 14:44:35
本篇为《富士ZFK2,5 插式氧化锆氧检测器使用说明书》,主要介绍该产品的使用方法以及常见故障解决方案。
(共篇)
上一篇:
|
下一篇:
声明:
本网站引用、摘录或转载内容仅供网站访问者交流或参考,不代表本站立场,如存在版权或非法内容,请联系站长删除,联系邮箱:site.kefu@qq.com。
相关推荐
诺基亚RH-59手机使用说明书:[3]
阅读量:164
FEG-3道路桥梁专用防水涂料的施工方法
阅读量:54
HDWS-142 SF6智能微水测试仪外观介绍
阅读量:84
蜂巢联盟对于公会合作有什么优势?
阅读量:179
《杀出重围3:人类革命》骇客系统透析
阅读量:98
猜你喜欢
支付宝借呗怎么开通
宋江为什么要招安
土豆牛肉的做法大全
ins怎么注册
苹果id怎么注册
苹果为什么会变色
辍怎么读
炒藕片家常做法
土豆炖牛肉怎么做
包子怎么做才松软好吃
猜你喜欢
右侧肋骨下隐痛是怎么回事
手机怎么连接电视
干黄花菜怎么做好吃
商家为什么不怕12315
肉丸汤的家常做法
怎么画动漫人物
微博水印怎么设置
衣服上的霉斑怎么洗掉
邹怎么读
芒果怎么切