小度生活
首页
美食营养
手工爱好
生活家居
返回
小度生活
首页
美食营养
游戏数码
手工爱好
生活家居
健康养生
运动户外
职场理财
情感交际
母婴教育
时尚美容
知识问答
生活知识
搜索
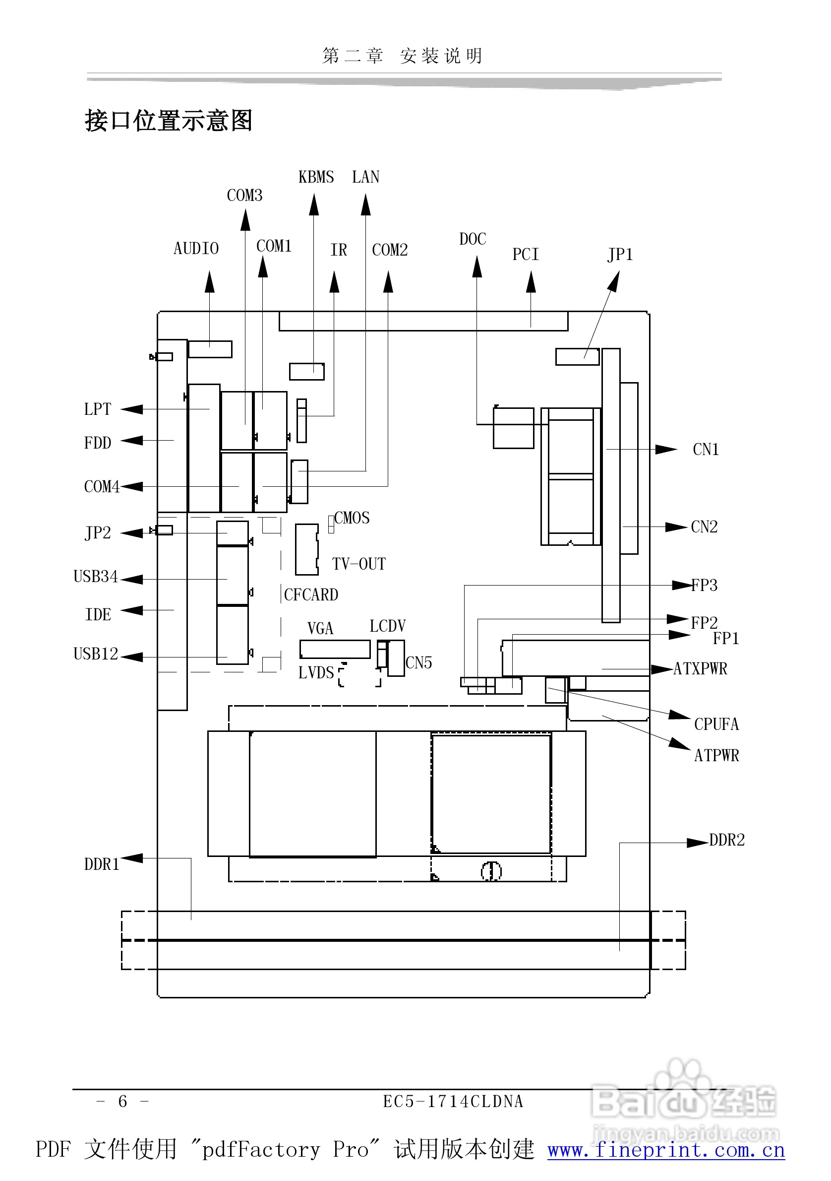
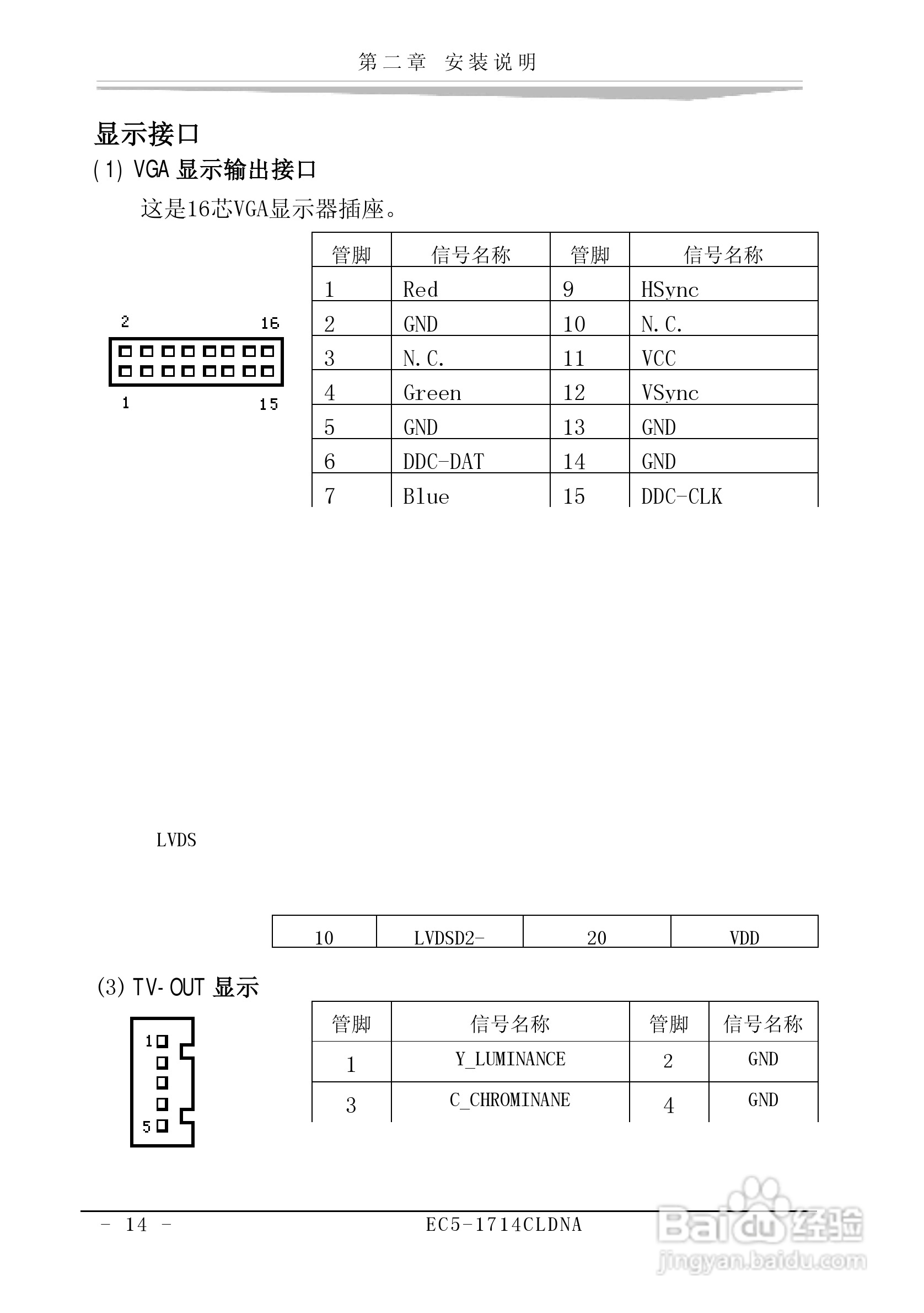
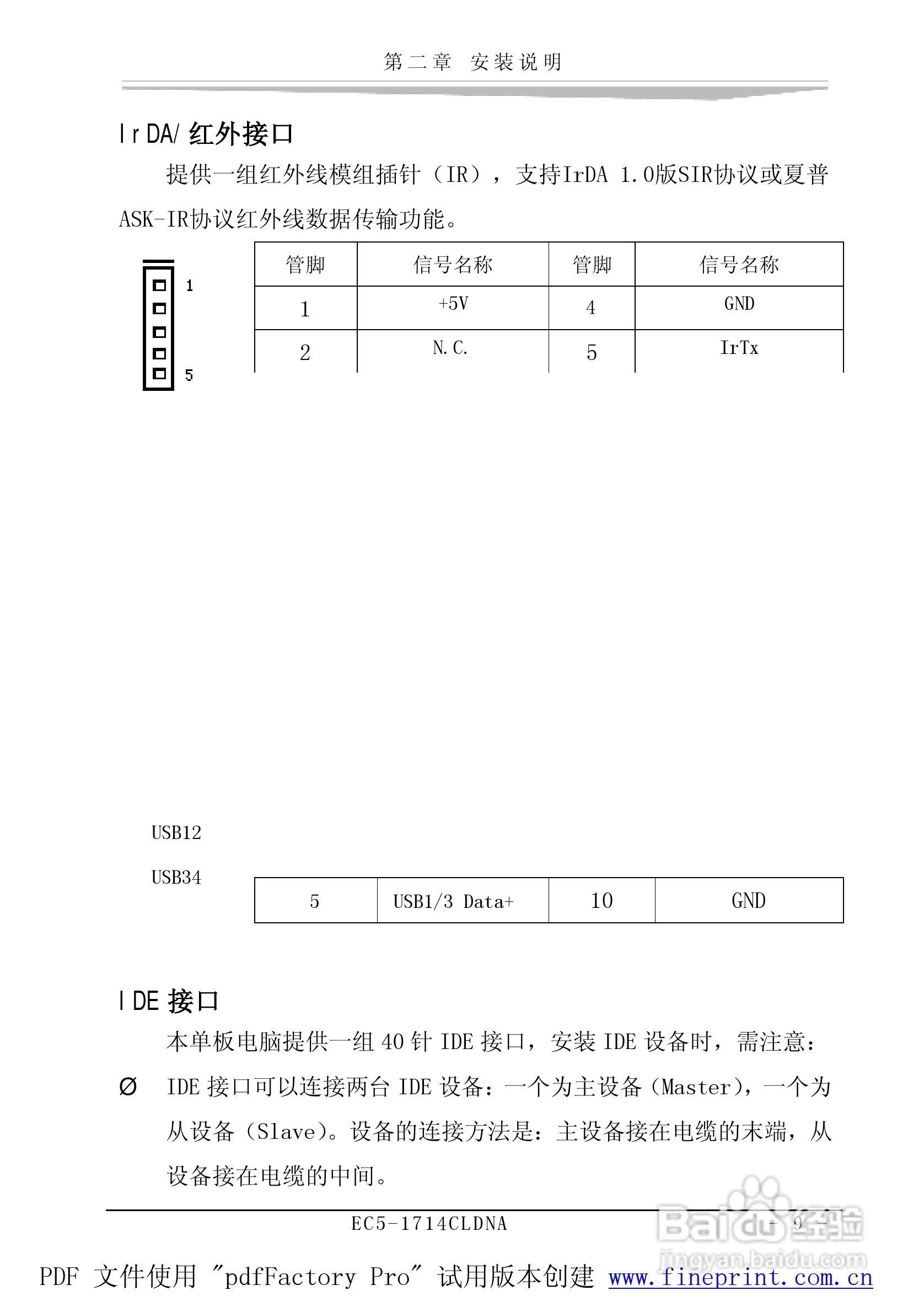
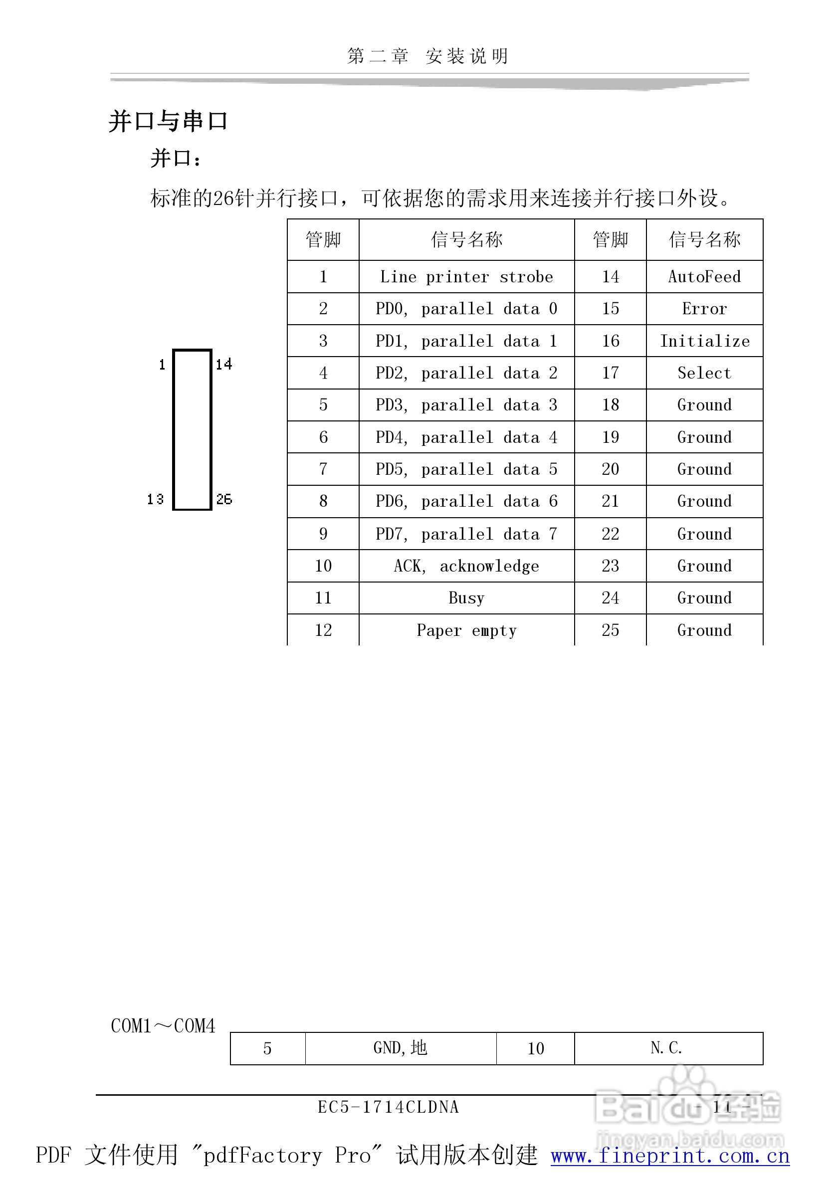
研祥EC5-1714CLDNA-A0工业级CPU板卡说明书:[2]
2026-01-18 13:40:48
本篇为《研祥EC5-1714CLDNA-A0工业级CPU板卡说明书》,主要介绍该产品的使用方法以及常见故障解决方案。
(共篇)
上一篇:
|
下一篇:
声明:
本网站引用、摘录或转载内容仅供网站访问者交流或参考,不代表本站立场,如存在版权或非法内容,请联系站长删除,联系邮箱:site.kefu@qq.com。
相关推荐
研祥EC5-1714CLDNA-A0工业级CPU板卡说明书:[3]
阅读量:115
研祥EC5-1712CLDNA工业级CPU板卡说明书:[2]
阅读量:151
研祥EC5-1711CLDNA工业级CPU板卡说明书:[2]
阅读量:190
研祥EC5-1717CLDNA工业级CPU板卡说明书:[3]
阅读量:161
研祥EC5-1711CLDNA工业级CPU板卡说明书:[5]
阅读量:126
猜你喜欢
怎么减掉肚子上的赘肉
写小说怎么赚钱
round函数怎么用
天使用英语怎么说
默认网关怎么设置
中国国家博物馆官网
温和的近义词
赏识的近义词
故意的近义词是什么
职业女性发型
猜你喜欢
孕妇牙龈出血怎么办
微信怎么看年账单
精子不液化怎么办
lol韩服怎么下载
假音怎么唱
电脑怎么设置自动开机
手机序列号怎么查
中长发型
卡罗拉双擎怎么样
脸长的女生适合什么发型