小度生活
首页
美食营养
手工爱好
生活家居
返回
小度生活
首页
美食营养
游戏数码
手工爱好
生活家居
健康养生
运动户外
职场理财
情感交际
母婴教育
时尚美容
知识问答
生活知识
生活百科
搜索
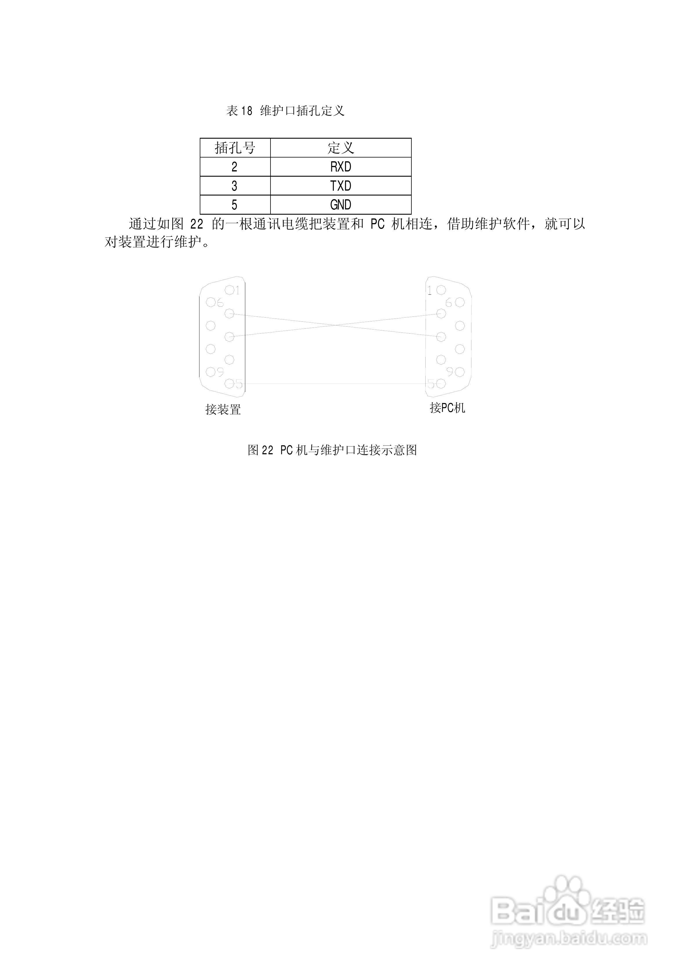
NSP788(v2.0)馈线保护及测控装置技术说明书:[3]
2026-03-26 02:17:35
本篇为《NSP788(v2.0)馈线保护及测控装置技术说明书》,主要介绍该产品的使用方法以及常见故障解决方案。
(共篇)
上一篇:
|
下一篇:
声明:
本网站引用、摘录或转载内容仅供网站访问者交流或参考,不代表本站立场,如存在版权或非法内容,请联系站长删除,联系邮箱:site.kefu@qq.com。
相关推荐
海尔SW100VE-A2太阳热水器使用说明书
阅读量:74
SG6848参数M5573可以和SG6848相互替代
阅读量:49
德之杰DXG-579V数码摄像机说明书:[3]
阅读量:195
D-Link DI-524UP无线宽屏路由器快速安装手册
阅读量:105
ND556 低噪声细分步进驱动器使用手册
阅读量:139
猜你喜欢
红糖水什么时候喝最好
pickup是什么意思
趣味运动会主持词
什么是双修
流苏是什么意思
不什么什么什么
脚癣用什么药
kiss是什么
石破天惊是什么意思
什么牌子的净水器好
猜你喜欢
豪猪养殖
有什么好看的日本动漫
ups是什么意思
有缘无分是什么意思
维生素b2的副作用
11月11日是什么节日
老虎最怕什么
setup什么意思
维生素b6回奶
舍本逐末是什么意思