小度生活
首页
美食营养
手工爱好
生活家居
返回
小度生活
首页
美食营养
游戏数码
手工爱好
生活家居
健康养生
运动户外
职场理财
情感交际
母婴教育
时尚美容
知识问答
生活知识
搜索
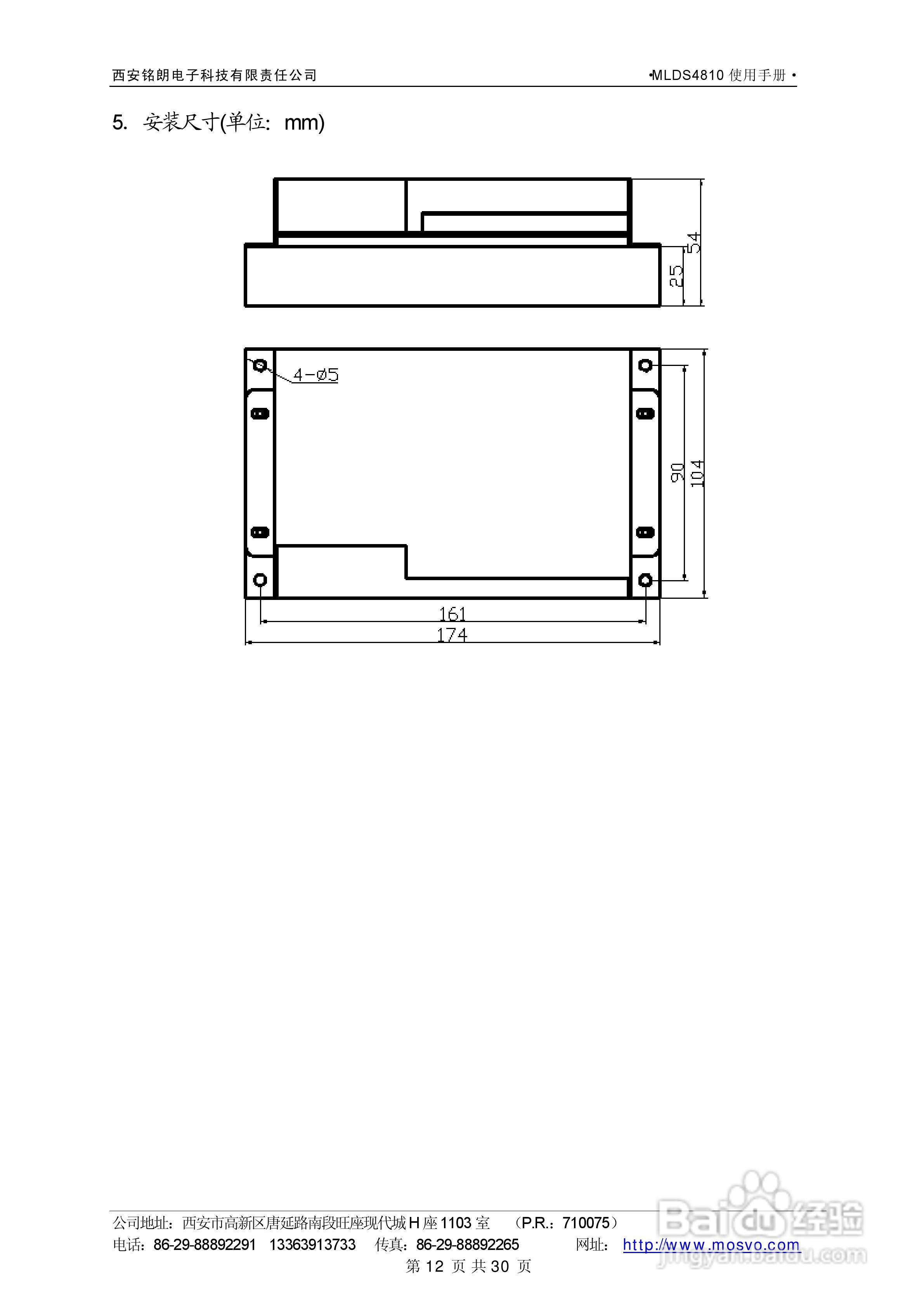
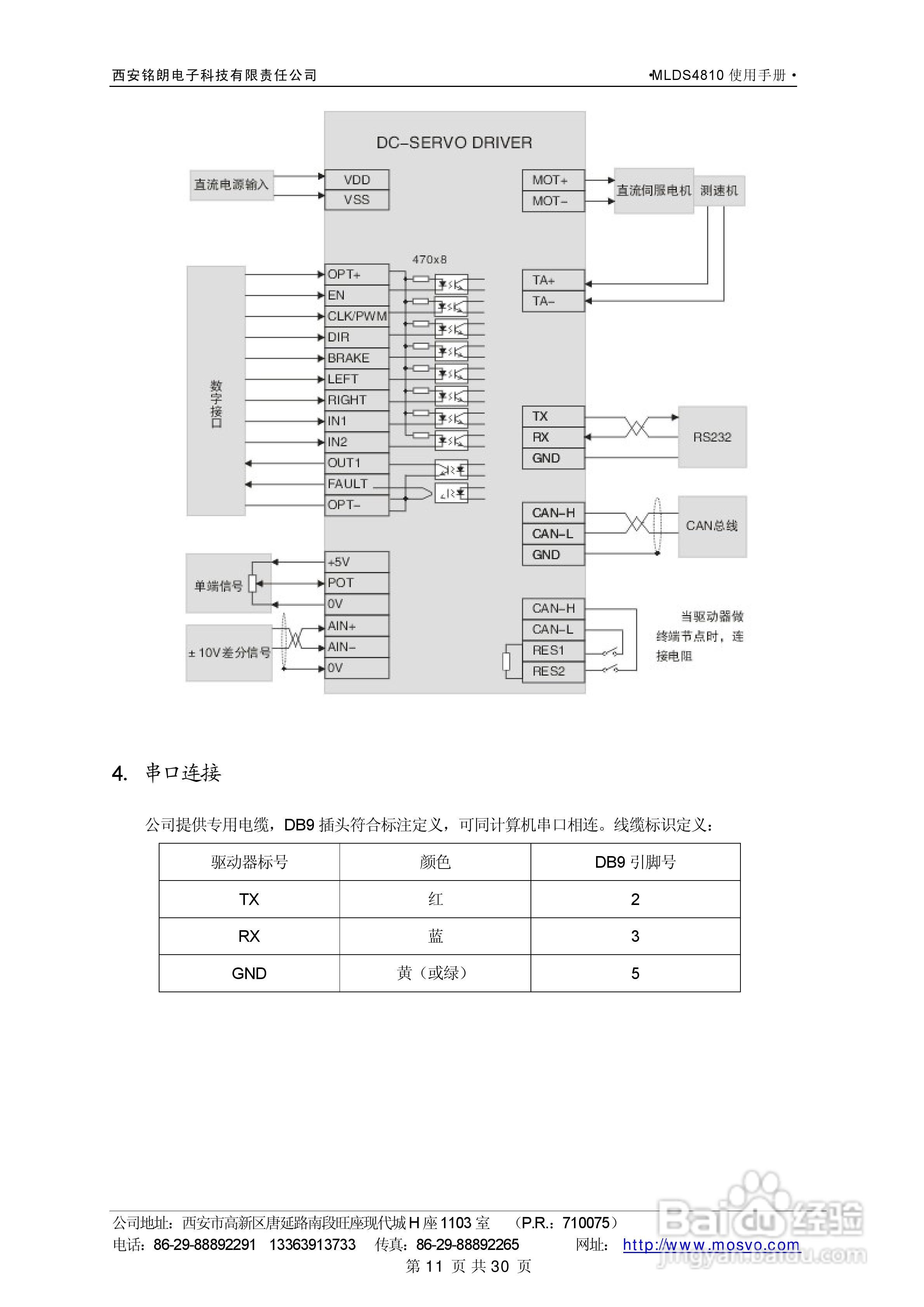
铭朗科技MLDS4810直流伺服驱动器说明书:[2]
2025-10-26 14:58:58
本篇为《铭朗科技MLDS4810直流伺服驱动器说明书》,主要介绍该产品的使用方法以及常见故障解决方案。
(共篇)
上一篇:
|
下一篇:
声明:
本网站引用、摘录或转载内容仅供网站访问者交流或参考,不代表本站立场,如存在版权或非法内容,请联系站长删除,联系邮箱:site.kefu@qq.com。
相关推荐
铭朗科技MLDS4810直流伺服驱动器说明书:[1]
阅读量:97
铭朗科技MLDS2402直流伺服驱动器说明书:[2]
阅读量:78
铭朗科技MLDS3620直流伺服驱动器说明书:[2]
阅读量:128
铭朗科技MLDS3610直流伺服驱动器说明书:[2]
阅读量:176
铭朗科技MLDS3605直流伺服驱动器说明书:[2]
阅读量:187
猜你喜欢
瑞风s3怎么样
压缩文件怎么打开
瓴怎么读
晟字怎么读
怎么加入微信群
青少年叛逆怎么办
小孩流鼻血是怎么回事
顺丰快递怎么收费
怎么改变照片大小kb
怎么发财
猜你喜欢
四川泡菜怎么做
微信公众号怎么注册
茵茵纸尿裤怎么样
科幻小说怎么写
canada怎么读
怎么变聪明
怎么关闭淘宝店铺
吧深一点老师今晚随你怎么弄
小笼包怎么做
纸杯蛋糕怎么做