小度生活
首页
美食营养
手工爱好
生活家居
返回
小度生活
首页
美食营养
游戏数码
手工爱好
生活家居
健康养生
运动户外
职场理财
情感交际
母婴教育
时尚美容
知识问答
生活知识
生活百科
搜索
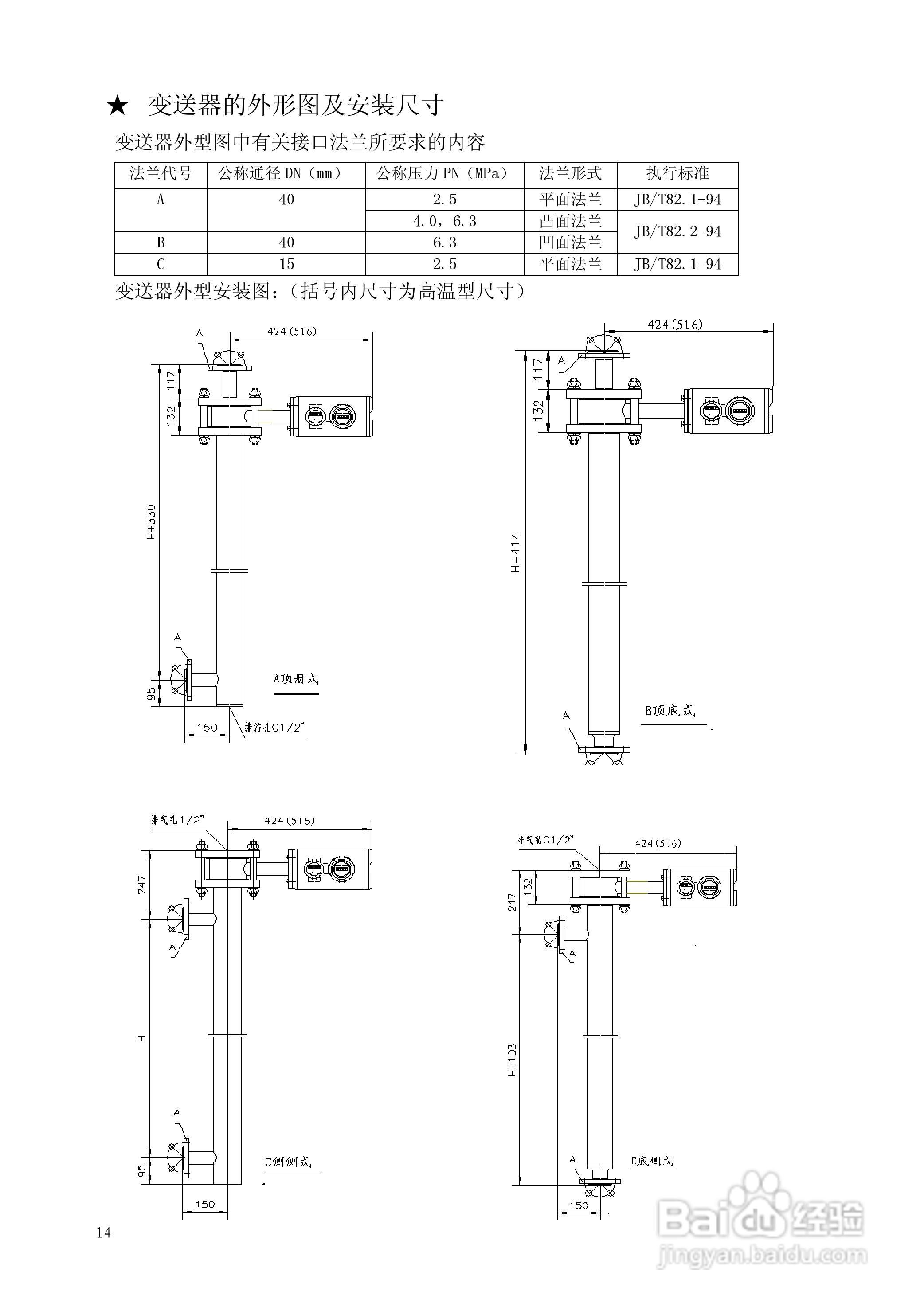
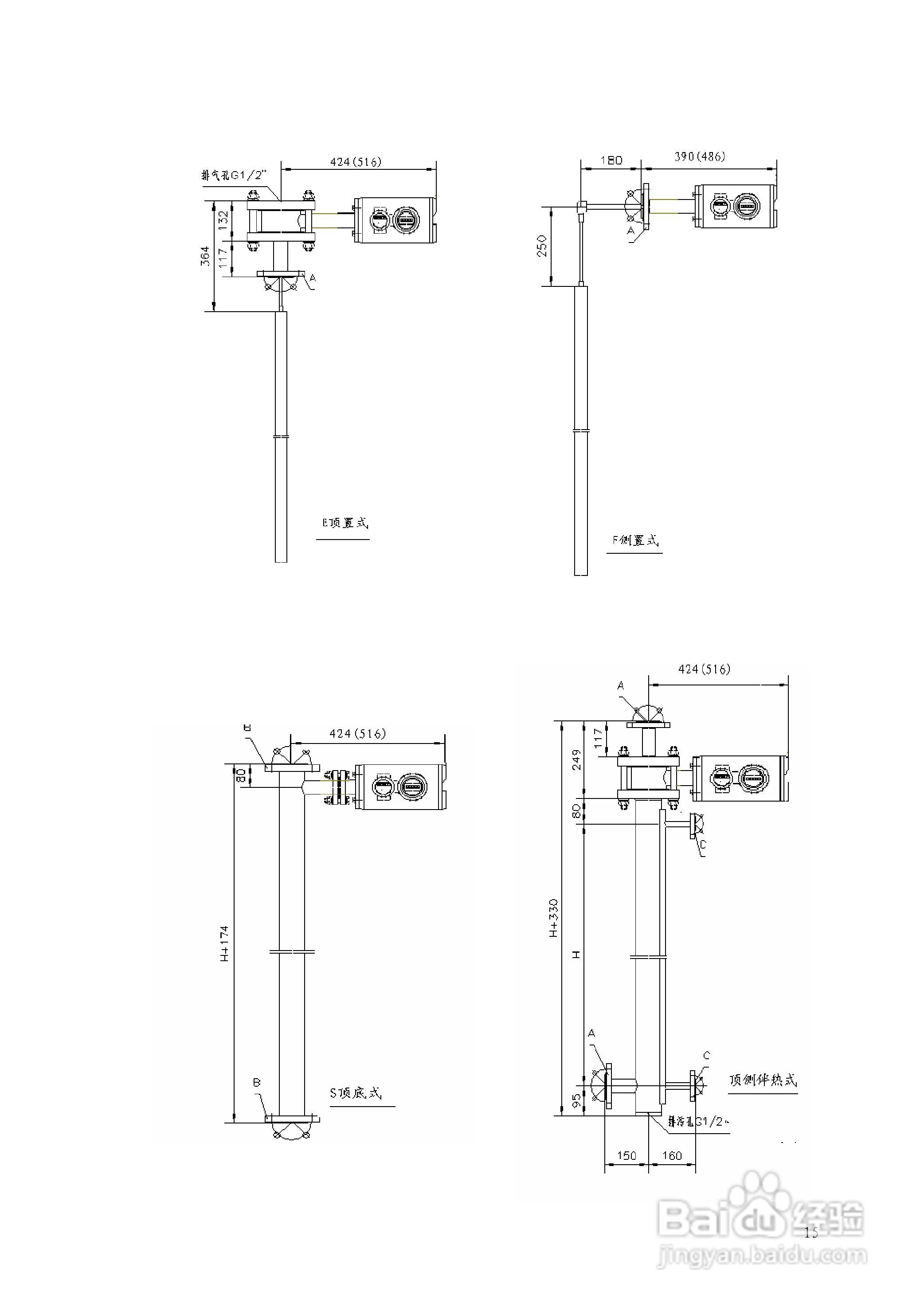
通博ZUT 型智能浮筒液位(界位)变送器使用说明书:[2]
2026-04-04 05:05:37
本篇为《通博ZUT 型智能浮筒液位(界位)变送器使用说明书》,主要介绍该产品的使用方法以及常见故障解决方案。
(共篇)
上一篇:
|
下一篇:
声明:
本网站引用、摘录或转载内容仅供网站访问者交流或参考,不代表本站立场,如存在版权或非法内容,请联系站长删除,联系邮箱:site.kefu@qq.com。
相关推荐
普源精电DS1022M数字示波器用户手册:[16]
阅读量:169
通博ZUT 型智能浮筒液位(界位)变送器使用说明书:[1]
阅读量:163
DTU连接无公网IP的数据中心解决方案
阅读量:71
Adtech-众为兴ADT-854基于PCI总线的4轴运动控制卡说明:[2]
阅读量:49
怎样在win 7、8、10的系统中安装VB6.0
阅读量:118
猜你喜欢
奈何boss又如何免费观看
微信小视频怎么保存
如何折纸船
cad如何打印
如何剪五角星
路由器怎么改密码
瓦斯琪怎么打
玫瑰花泡水
脚被鞋子磨破了怎么办
东风悦达起亚怎么样
猜你喜欢
怎么能忘记
希奈丝特拉怎么单刷
怎样修改路由器密码
滴滴打车顺风车怎么用
wps画图工具在哪里
永安旅游
新疆旅游报价
如何共享电脑
血红蛋白偏高是怎么回事
黄芪当归泡水喝的功效