小度生活
首页
美食营养
手工爱好
生活家居
返回
小度生活
首页
美食营养
游戏数码
手工爱好
生活家居
健康养生
运动户外
职场理财
情感交际
母婴教育
时尚美容
知识问答
生活知识
生活百科
搜索
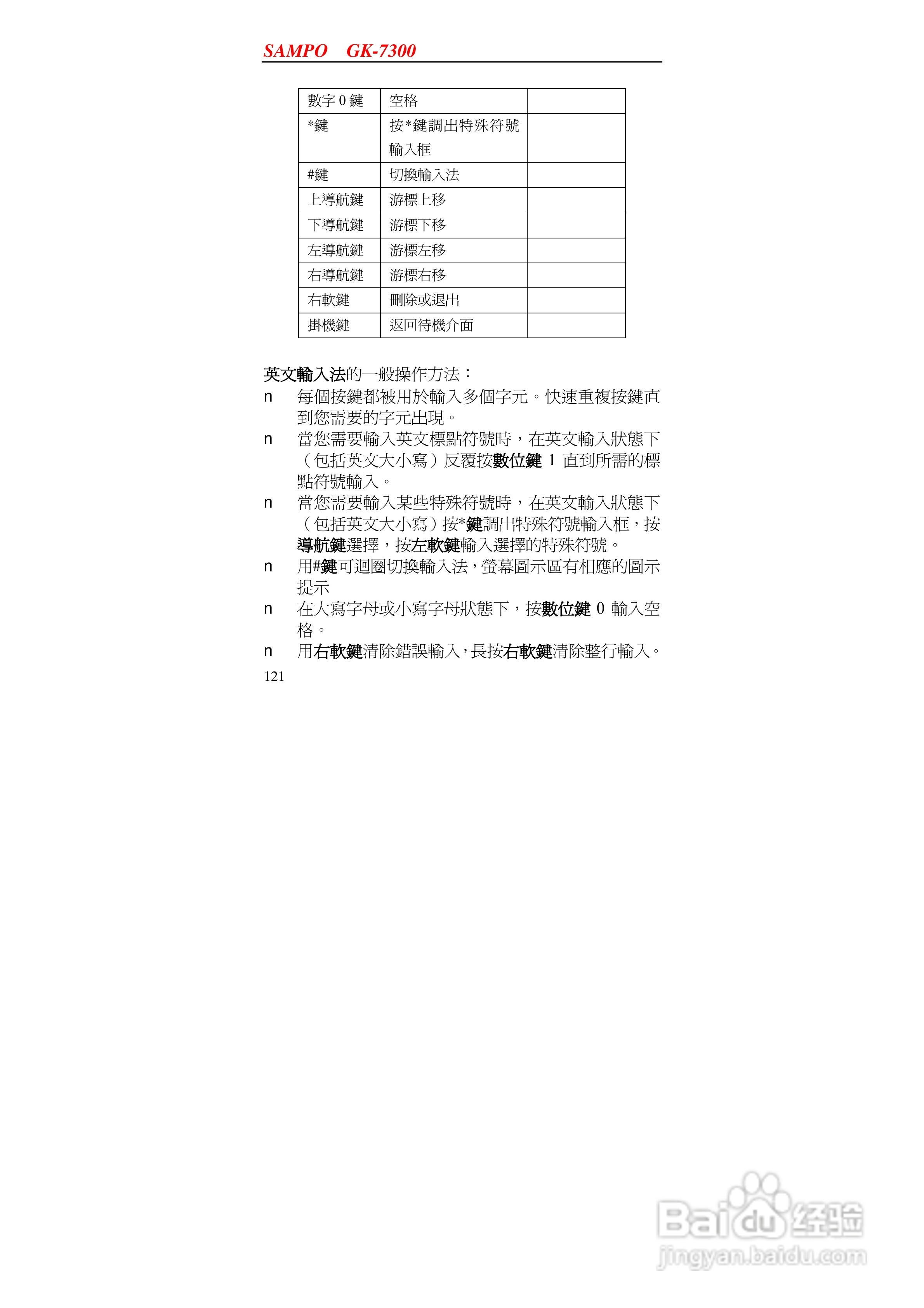
声宝GK-7300型手机说明书:[13]
2026-03-29 17:01:11
(共篇)
上一篇:
|
下一篇:
声明:
本网站引用、摘录或转载内容仅供网站访问者交流或参考,不代表本站立场,如存在版权或非法内容,请联系站长删除,联系邮箱:site.kefu@qq.com。
相关推荐
声宝GK-7300型手机说明书:[14]
阅读量:176
声宝GK-7300型手机说明书:[8]
阅读量:98
手机6g和8g的区别
阅读量:162
手机如何登陆网页电脑版淘宝
阅读量:159
手机如何查看已连接wifi的密码
阅读量:86
猜你喜欢
sure是什么意思
依山傍水的意思
澄澈的意思
相夫教子是什么意思
pass是什么意思
一衣带水的意思
noble什么意思
精益求精的益是什么意思
positive是什么意思
涟漪是什么意思
猜你喜欢
2020澳门今晚开什么特马
元参的功效与作用
bc是什么意思
舒坦的意思
客观是什么意思
看小说用什么软件好
报备是什么意思
鄙视的意思
茫茫的意思
dhcp是什么意思