小度生活
首页
美食营养
手工爱好
生活家居
返回
小度生活
首页
美食营养
游戏数码
手工爱好
生活家居
健康养生
运动户外
职场理财
情感交际
母婴教育
时尚美容
知识问答
生活知识
生活百科
搜索
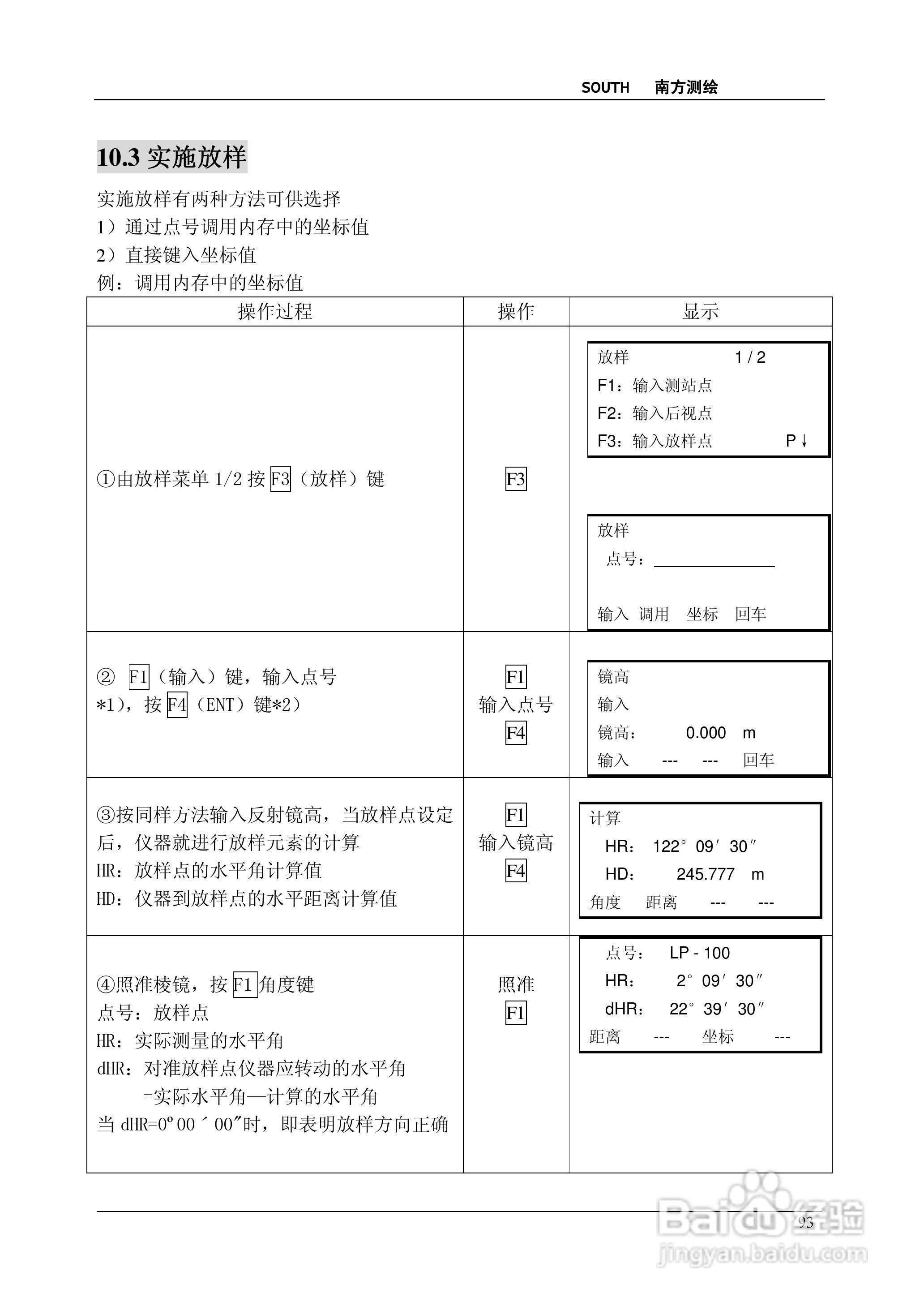
南方测绘全站仪 NTS-350说明书:[10]
2026-04-10 08:39:49
本篇为《南方测绘全站仪 NTS-350说明书》,主要介绍该产品的使用方法以及常见故障解决方案。
(共篇)
上一篇:
|
下一篇:
声明:
本网站引用、摘录或转载内容仅供网站访问者交流或参考,不代表本站立场,如存在版权或非法内容,请联系站长删除,联系邮箱:site.kefu@qq.com。
相关推荐
南方测绘全站仪 NTS-350说明书:[1]
阅读量:144
南方测绘全站仪 NTS-350说明书:[4]
阅读量:188
全站仪使用方法
阅读量:162
全站仪的操作技巧
阅读量:107
全站仪obs 码率如何设置
阅读量:96
猜你喜欢
toyota是什么意思
必然的意思
770是什么意思
天涯明月刀什么职业好玩
林林总总的意思
扭扭车什么牌子好
垂头丧气意思
哺乳文胸什么牌子好
汽车雨刮器什么牌子好
江河日下的意思
猜你喜欢
信贷专员是做什么的
乌鸦在什么地方过冬
什么是钉子户
重阳节要吃什么
去台湾买什么好
刻舟求剑是什么意思
underdog是什么意思
激活白条有什么后果
日本有什么好的护肤品
真皮沙发什么牌子好