小度生活
首页
美食营养
手工爱好
生活家居
返回
小度生活
首页
美食营养
游戏数码
手工爱好
生活家居
健康养生
运动户外
职场理财
情感交际
母婴教育
时尚美容
知识问答
生活知识
生活百科
搜索
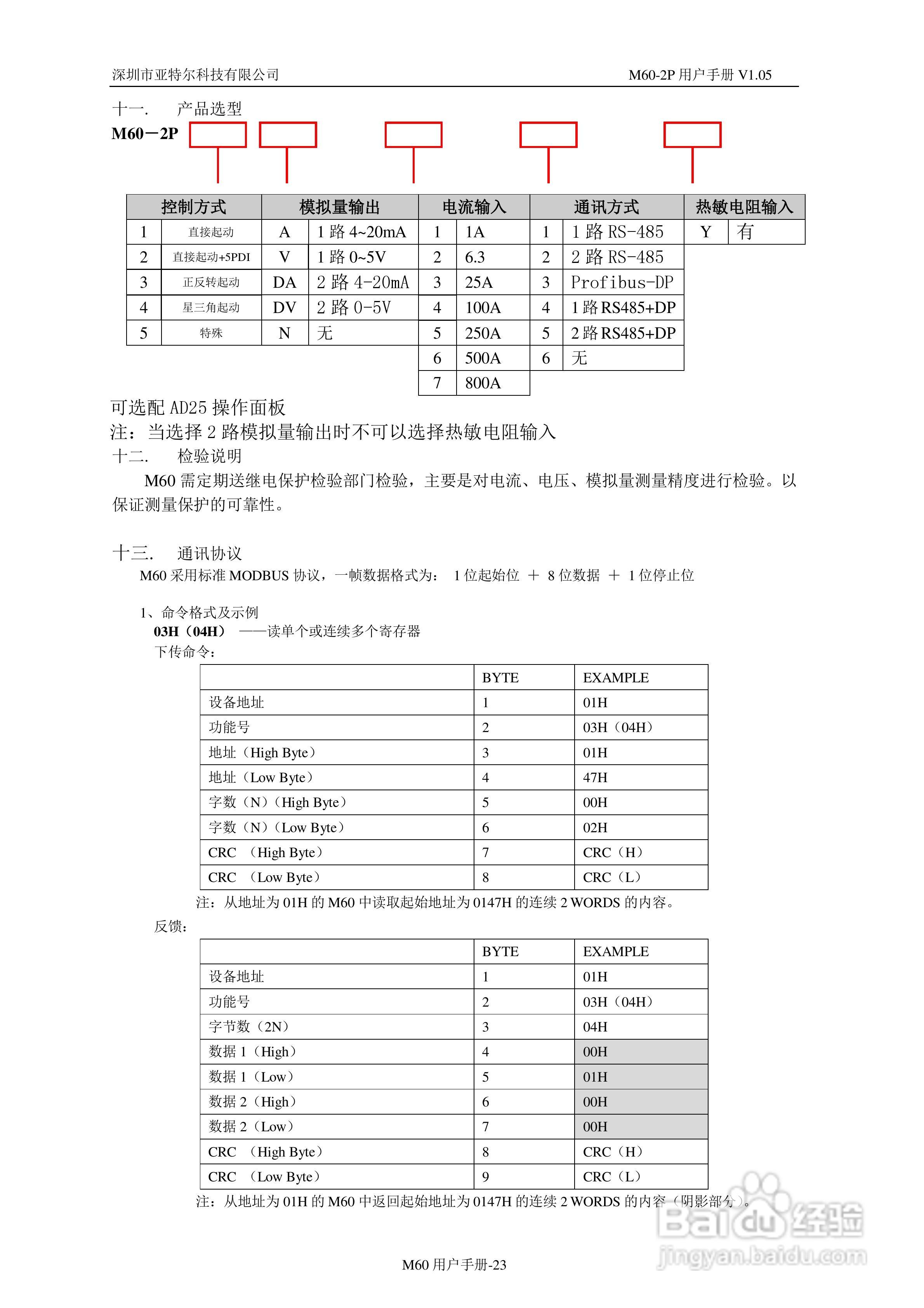
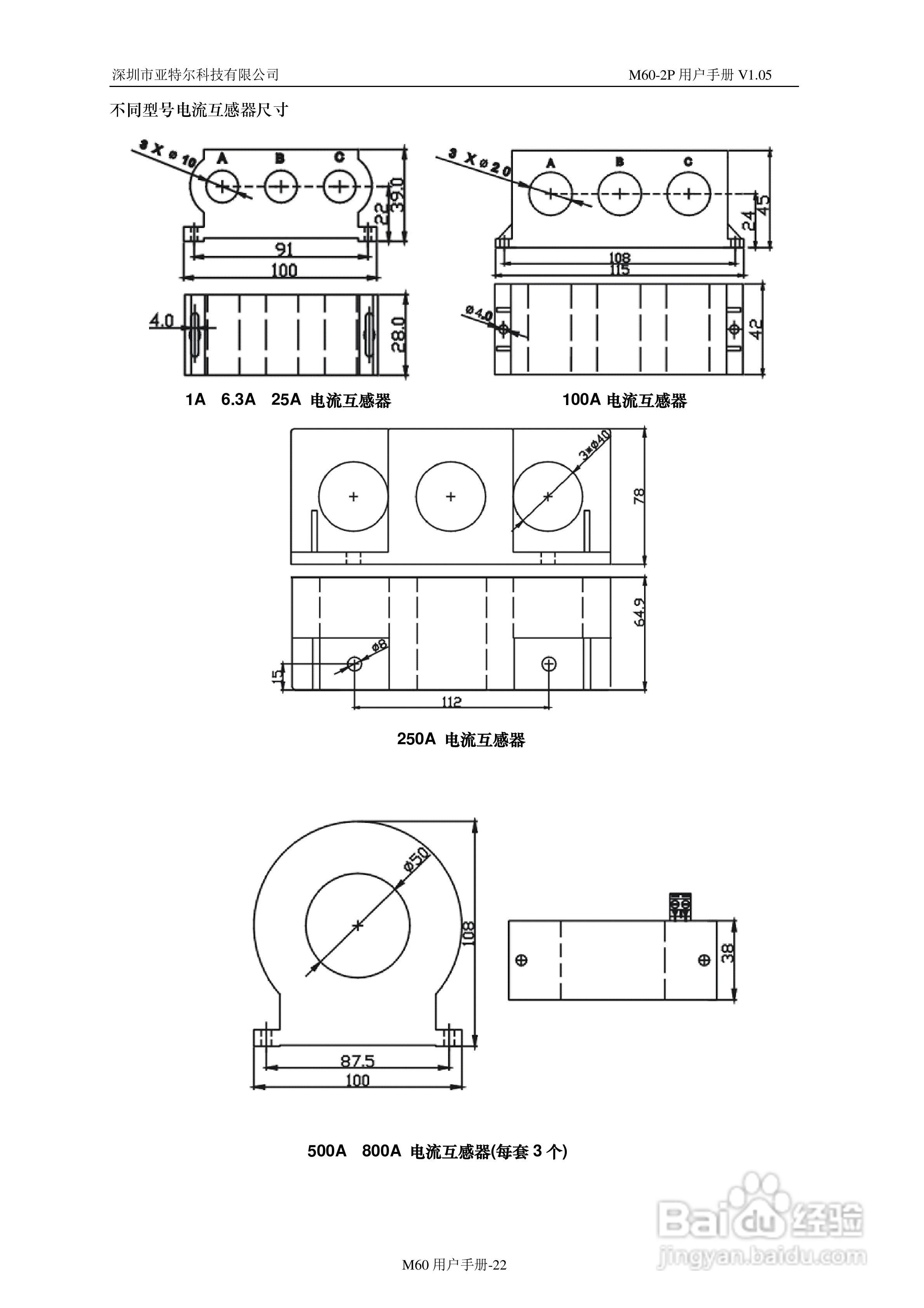
深圳亚特尔M60-2P电机保护器中文使用说明书:[3]
2026-03-30 15:48:13
本篇为《深圳亚特尔M60-2P电机保护器中文使用说明书》,主要介绍该产品的使用方法以及常见故障解决方案。
(共篇)
上一篇:
|
下一篇:
声明:
本网站引用、摘录或转载内容仅供网站访问者交流或参考,不代表本站立场,如存在版权或非法内容,请联系站长删除,联系邮箱:site.kefu@qq.com。
相关推荐
深圳亚特尔M60-2P电机保护器中文使用说明书:[2]
阅读量:87
深圳亚特尔M60-2P电机保护器中文使用说明书:[1]
阅读量:51
宾得Optio M60数码相机使用说明书:[2]
阅读量:194
宾得Optio M60数码相机使用说明书:[3]
阅读量:171
宾得Optio M60数码相机使用说明书:[13]
阅读量:166
猜你喜欢
缺维生素b的症状
is是什么组织
网络营销是什么
2011是什么年
提肛运动怎么做
望而生畏是什么意思
口腔溃疡缺什么维生素
发财树的养殖方法
meeting是什么意思
脸黄是什么原因
猜你喜欢
金蝉养殖
防微杜渐什么意思
喜出望外的意思是什么
女生适合什么专业
吸烟有什么危害
似水流年是什么意思
缺乏维生素c的症状
什么是打油诗
retry是什么意思
淘宝小号是什么意思