小度生活
首页
美食营养
手工爱好
生活家居
返回
小度生活
首页
美食营养
游戏数码
手工爱好
生活家居
健康养生
运动户外
职场理财
情感交际
母婴教育
时尚美容
知识问答
生活知识
搜索
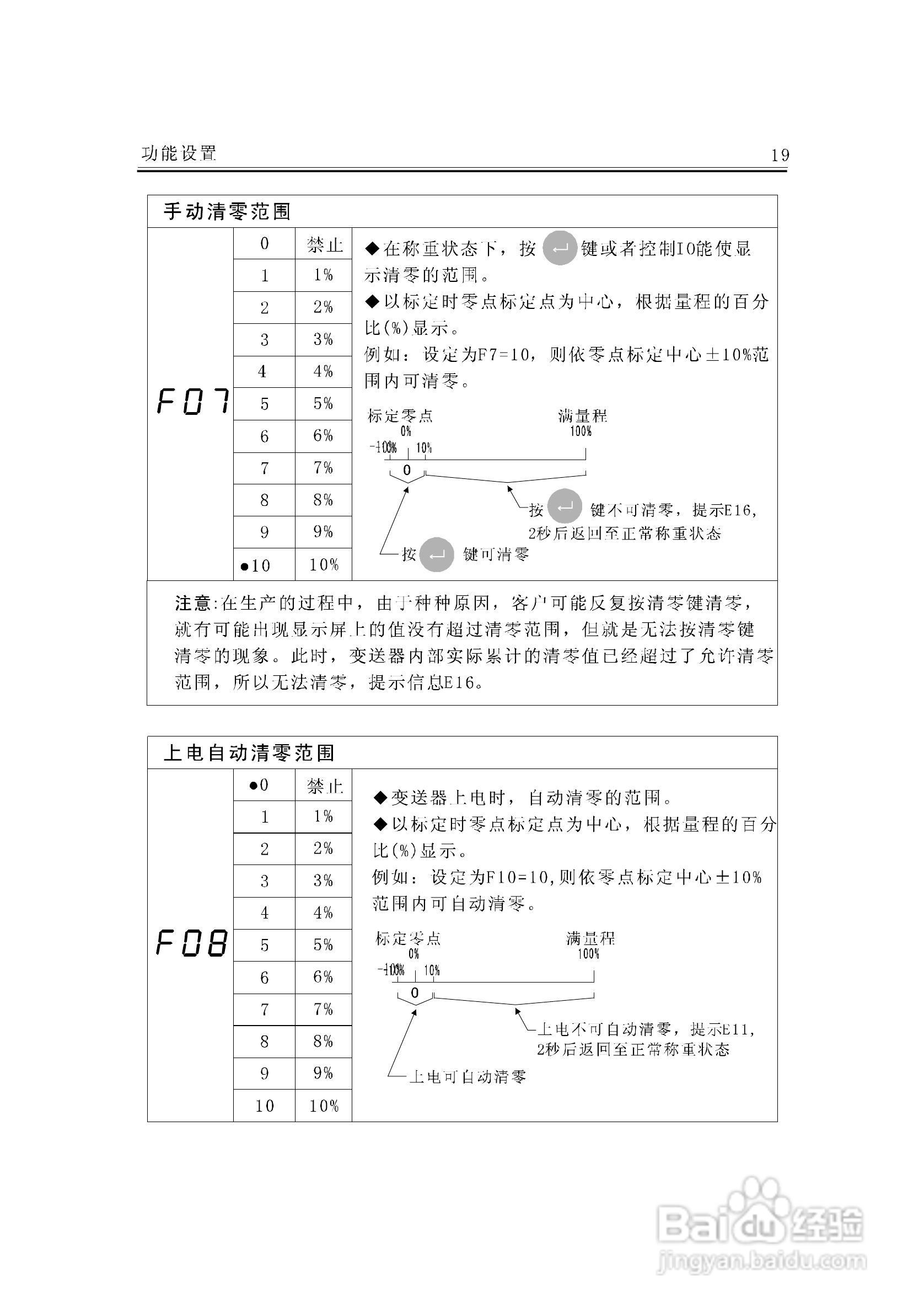
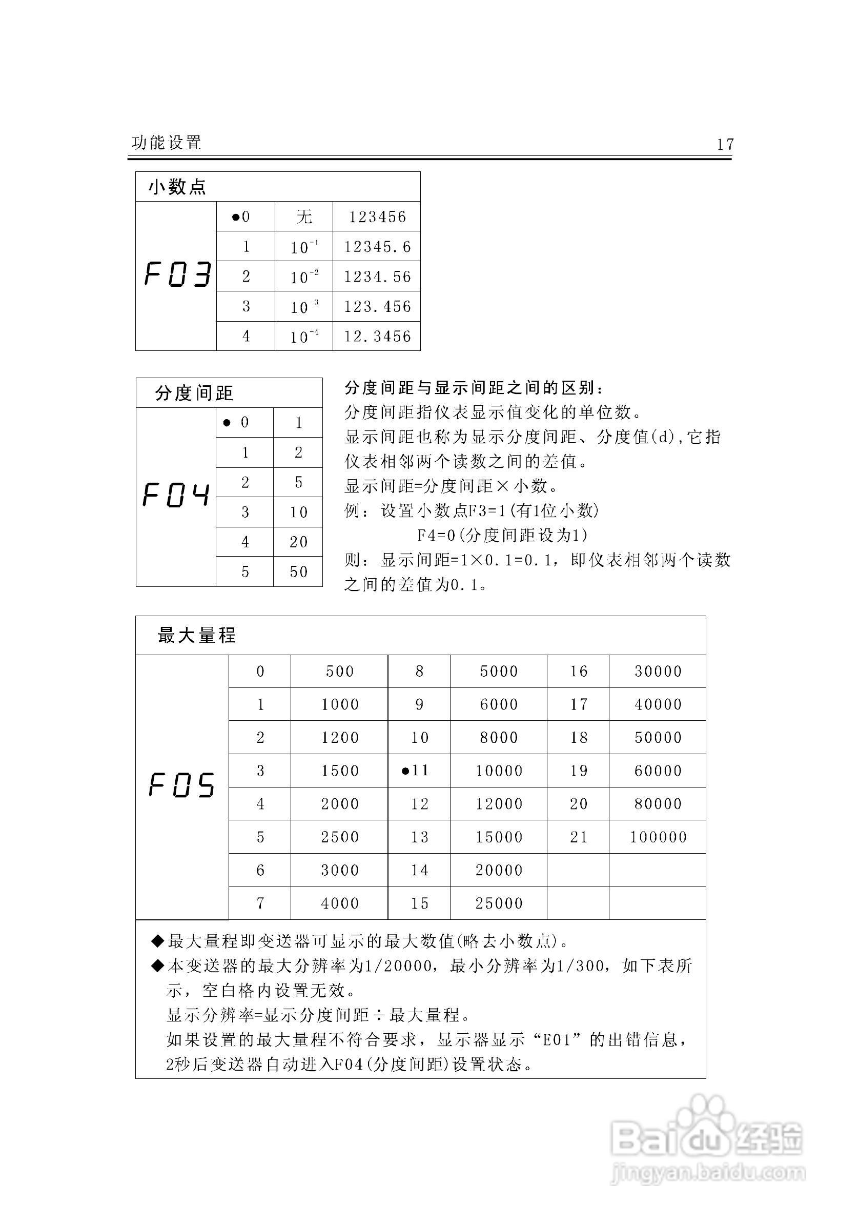
JF-300A称重变送器说明书:[3]
2026-02-16 09:13:40
本篇为《JF-300A称重变送器说明书》,主要介绍该产品的使用方法以及常见故障解决方案。
(共篇)
上一篇:
|
下一篇:
声明:
本网站引用、摘录或转载内容仅供网站访问者交流或参考,不代表本站立场,如存在版权或非法内容,请联系站长删除,联系邮箱:site.kefu@qq.com。
相关推荐
PDF本文档时发生错误 文件已损坏并且无法修复
阅读量:80
魔兽世界怀旧服萨满如何学习4级火焰新星图腾
阅读量:181
如何用cam350自动做铣床CNC文件
阅读量:114
Oracle如何创建一个默认的 SPFILE文件
阅读量:32
word2007怎么转换成pdf
阅读量:94
猜你喜欢
受众是什么意思
坚贞不屈的意思
什么事每人每天都必须认真的做
pm2.5是什么意思
negative是什么意思
外汇是什么意思
四面八方是什么意思
自由自在的意思
高干文是什么意思
注视的意思
猜你喜欢
白驹过隙的意思
什么是nc
什么是活期存款
vcc是什么意思
长水痘要注意什么
北京香山红叶什么时候红
爽约是什么意思
什么食物可以化痰
遮瑕膏什么牌子好
rmb是什么意思