小度生活
首页
美食营养
手工爱好
生活家居
返回
小度生活
首页
美食营养
游戏数码
手工爱好
生活家居
健康养生
运动户外
职场理财
情感交际
母婴教育
时尚美容
知识问答
生活知识
搜索
JF-300A称重变送器说明书:[2]
2026-02-16 09:32:32
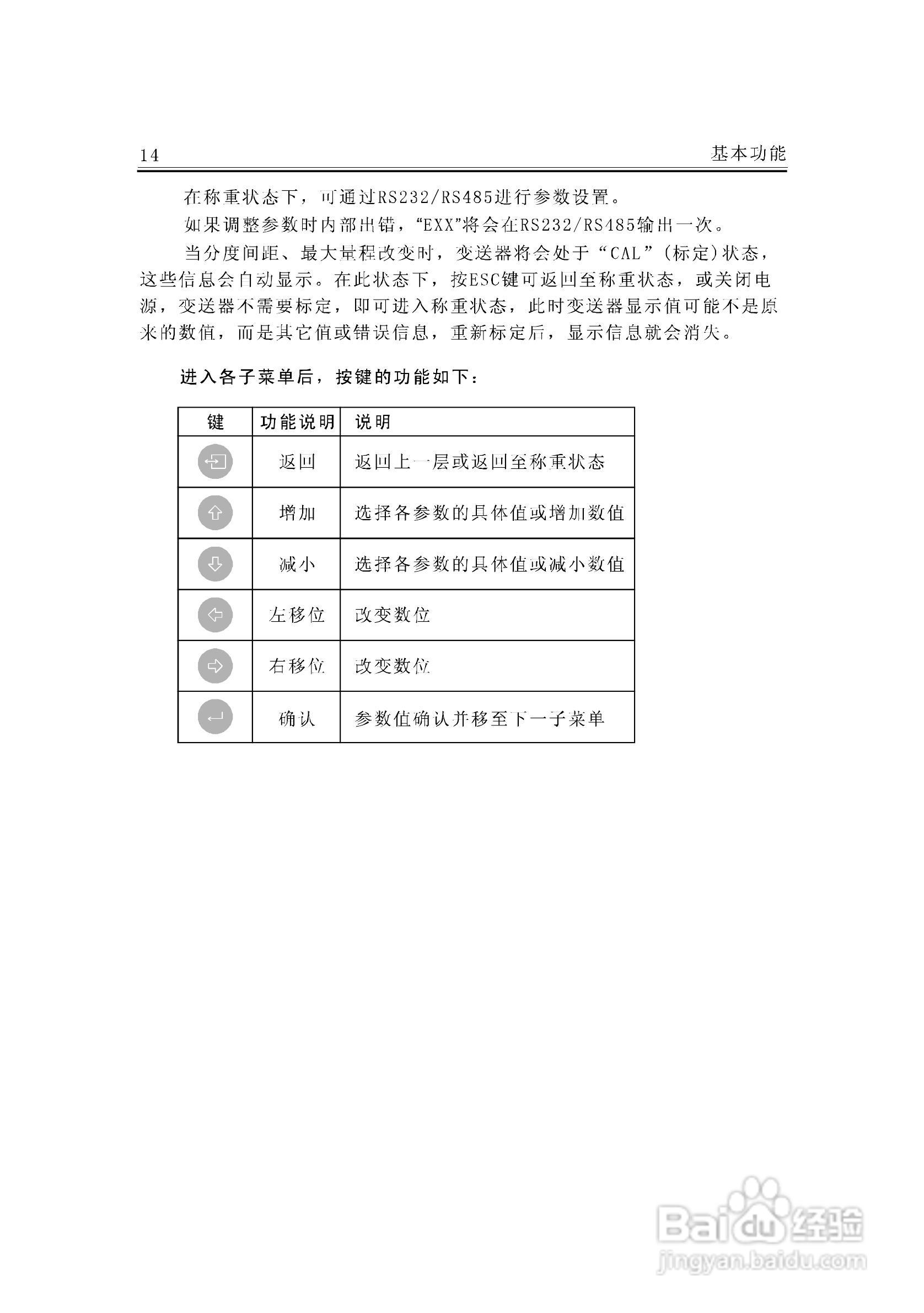
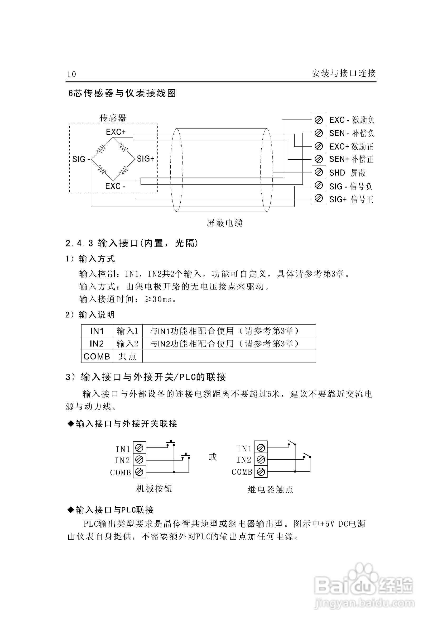
本篇为《JF-300A称重变送器说明书》,主要介绍该产品的使用方法以及常见故障解决方案。
(共篇)
上一篇:
|
下一篇:
声明:
本网站引用、摘录或转载内容仅供网站访问者交流或参考,不代表本站立场,如存在版权或非法内容,请联系站长删除,联系邮箱:site.kefu@qq.com。
相关推荐
JF-300A称重变送器说明书:[1]
阅读量:132
E-LINK3000现场型称重变送器说明书:[2]
阅读量:186
骏丰频谱治疗保健仪JF-306使用方法
阅读量:71
骏丰频谱治疗保健仪JF-802使用方法
阅读量:164
JF系列局部放电检测系统说明书:[1]
阅读量:139
猜你喜欢
什么是月相
北岳是什么山
维生素d的作用
不敢恭维是什么意思
什么东西使人哭笑不得
随身wifi是什么
处qy是什么意思
妒忌的近义词是什么
郁郁寡欢是什么意思
大猪蹄子什么意思
猜你喜欢
christmas什么意思
12月是什么星座的
运动会稿子
easter是什么意思
心照不宣什么意思
维生素
菊花花语是什么
芥菜丝的腌制方法
男人结扎有什么影响
aes是什么意思