小度生活
首页
美食营养
手工爱好
生活家居
返回
小度生活
首页
美食营养
游戏数码
手工爱好
生活家居
健康养生
运动户外
职场理财
情感交际
母婴教育
时尚美容
知识问答
生活知识
生活百科
搜索
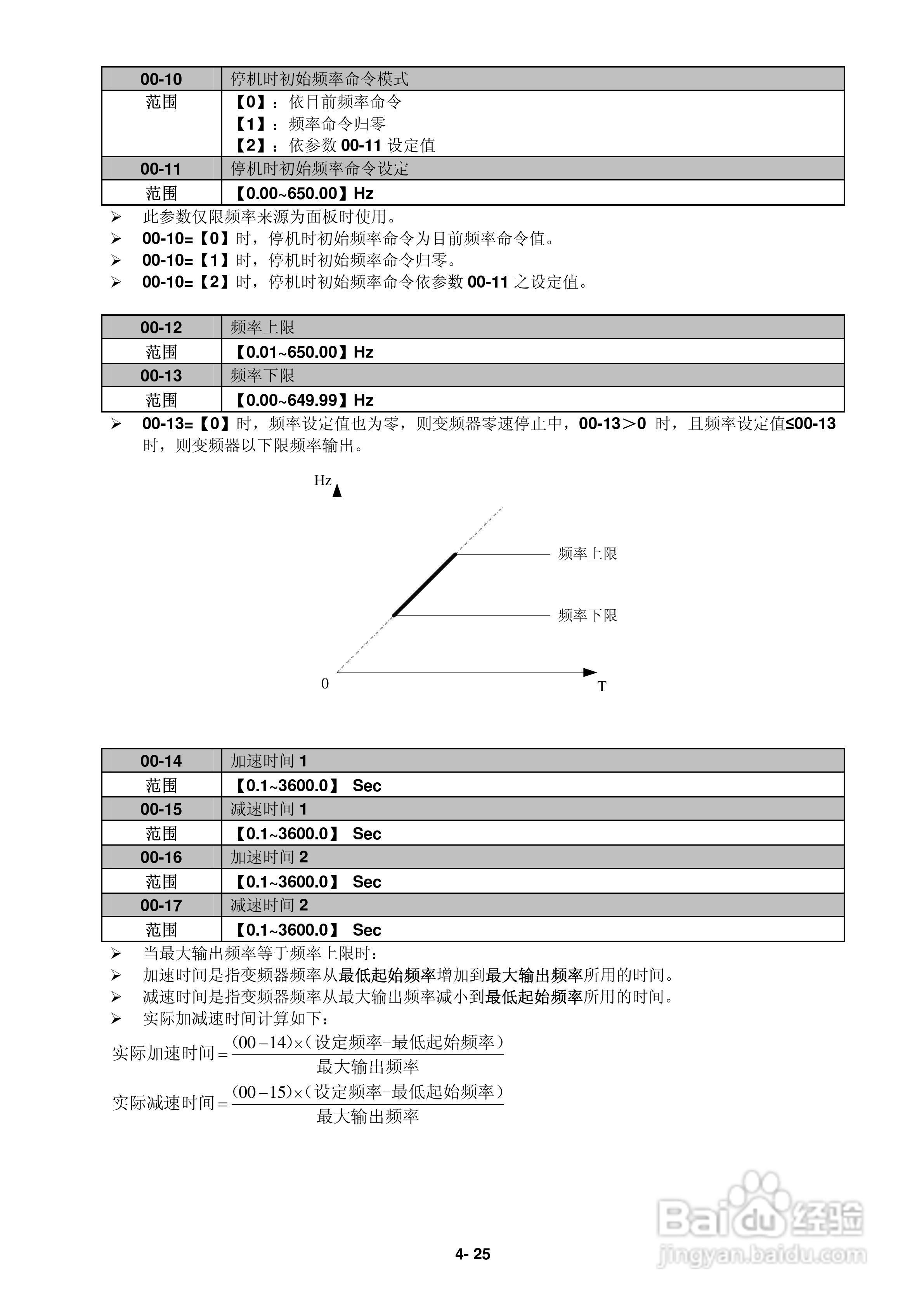
FATEK FID-L2-022-21变频器使用说明书:[5]
2026-05-16 21:09:34
本篇为《FATEK FID-L2-022-21变频器使用说明书》,主要介绍该产品的使用方法以及常见故障解决方案。
(共篇)
上一篇:
|
下一篇:
声明:
本网站引用、摘录或转载内容仅供网站访问者交流或参考,不代表本站立场,如存在版权或非法内容,请联系站长删除,联系邮箱:site.kefu@qq.com。
相关推荐
FATEK FID-S1-015-21变频器使用说明书:[5]
阅读量:95
FATEK FID-N1-550-43X变频器使用说明书:[2]
阅读量:117
FATEK FID-N1-550-43X变频器使用说明书:[5]
阅读量:187
FATEK FID-S1-015-21变频器使用说明书:[1]
阅读量:117
使用说明书封面怎么做
阅读量:71
猜你喜欢
abo溶血是什么意思
大闹天竺什么时候上映
黄体酮的作用和副作用
奢望是什么意思
提心吊胆的意思
什么歌曲最好听
我劝天公重抖擞不拘一格降人才的意思
传承的意思
婆娑的意思
we是什么意思
猜你喜欢
always online什么意思
serious是什么意思
特需门诊是什么意思
hbsag阳性是什么意思
ram是什么意思
不毛之地什么意思
壮阳果的功效与作用
修辞手法及作用
岁月蹉跎是什么意思
后浇带的作用