小度生活
首页
美食营养
手工爱好
生活家居
返回
小度生活
首页
美食营养
游戏数码
手工爱好
生活家居
健康养生
运动户外
职场理财
情感交际
母婴教育
时尚美容
知识问答
生活知识
生活百科
搜索
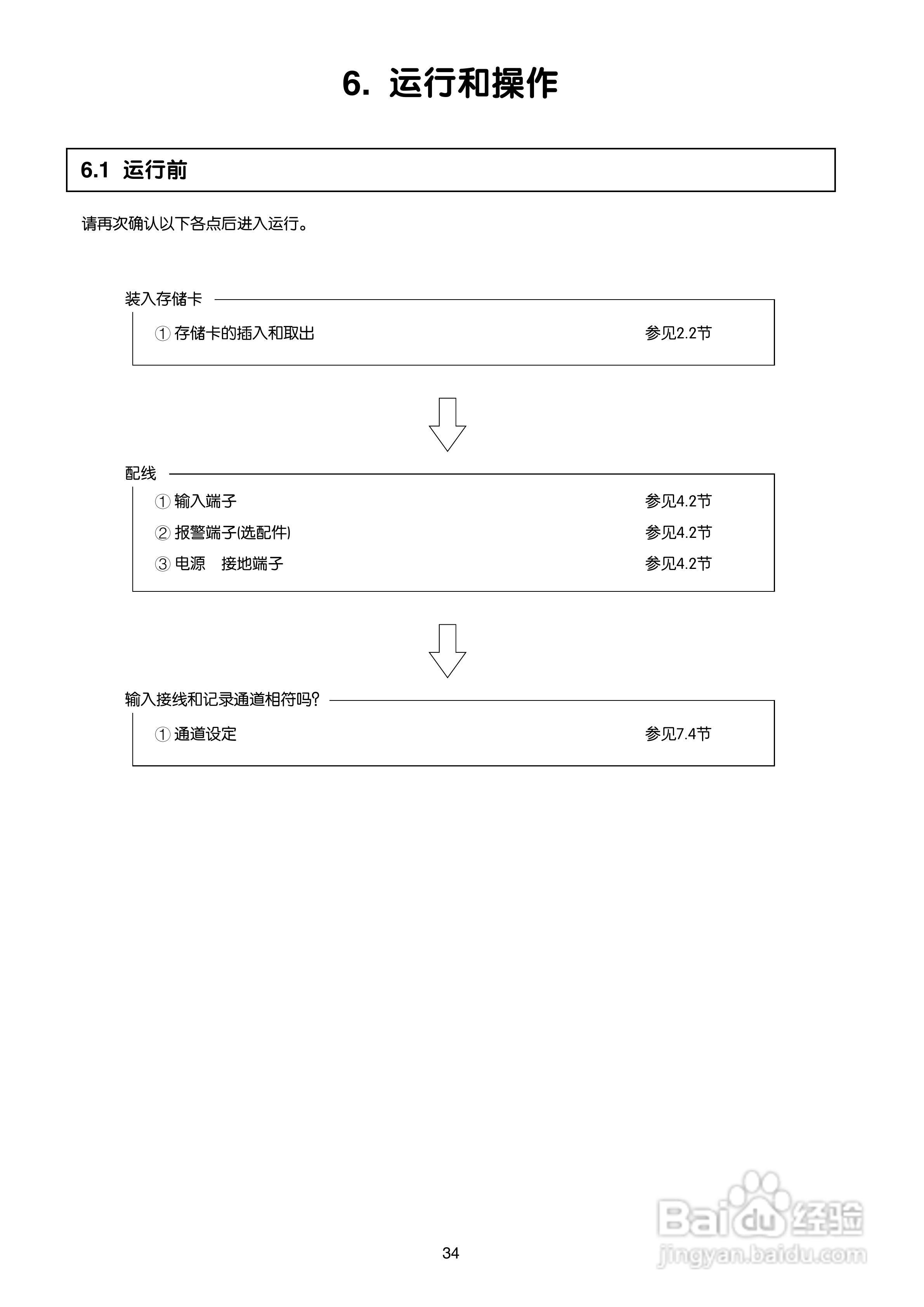
富士电机TN1PHN-C无纸记录仪使用说明书:[4]
2026-04-06 07:15:34
本篇为《富士电机TN1PHN-C无纸记录仪使用说明书》,主要介绍该产品的使用方法以及常见故障解决方案。
(共篇)
上一篇:
|
下一篇:
声明:
本网站引用、摘录或转载内容仅供网站访问者交流或参考,不代表本站立场,如存在版权或非法内容,请联系站长删除,联系邮箱:site.kefu@qq.com。
相关推荐
富士电机TN1PHN-C无纸记录仪使用说明书:[14]
阅读量:120
富士PHN无纸记录仪使用说明书:[4]
阅读量:158
富士PHN无纸记录仪使用说明书:[14]
阅读量:71
富士PHN无纸记录仪使用说明书:[6]
阅读量:47
富士PHN无纸记录仪使用说明书:[5]
阅读量:24
猜你喜欢
葛根粉什么时候吃
美术生学什么专业好
股本是什么意思
打瘦脸针有什么副作用
浩瀚无垠的意思
忏悔的意思
危楼高百尺的危是什么意思
女生湿的太快说明什么
后缀是什么意思
什么是抛光砖
猜你喜欢
warn是什么意思
八珍汤什么人不能喝
汽车cvt是什么意思
鱼缸加热棒什么牌子好
驾校报名需要什么
1000-7什么意思
55开是什么意思
一库是什么意思
12朵玫瑰代表什么
什么是铠装电缆