小度生活
首页
美食营养
手工爱好
生活家居
返回
小度生活
首页
美食营养
游戏数码
手工爱好
生活家居
健康养生
运动户外
职场理财
情感交际
母婴教育
时尚美容
知识问答
生活知识
搜索
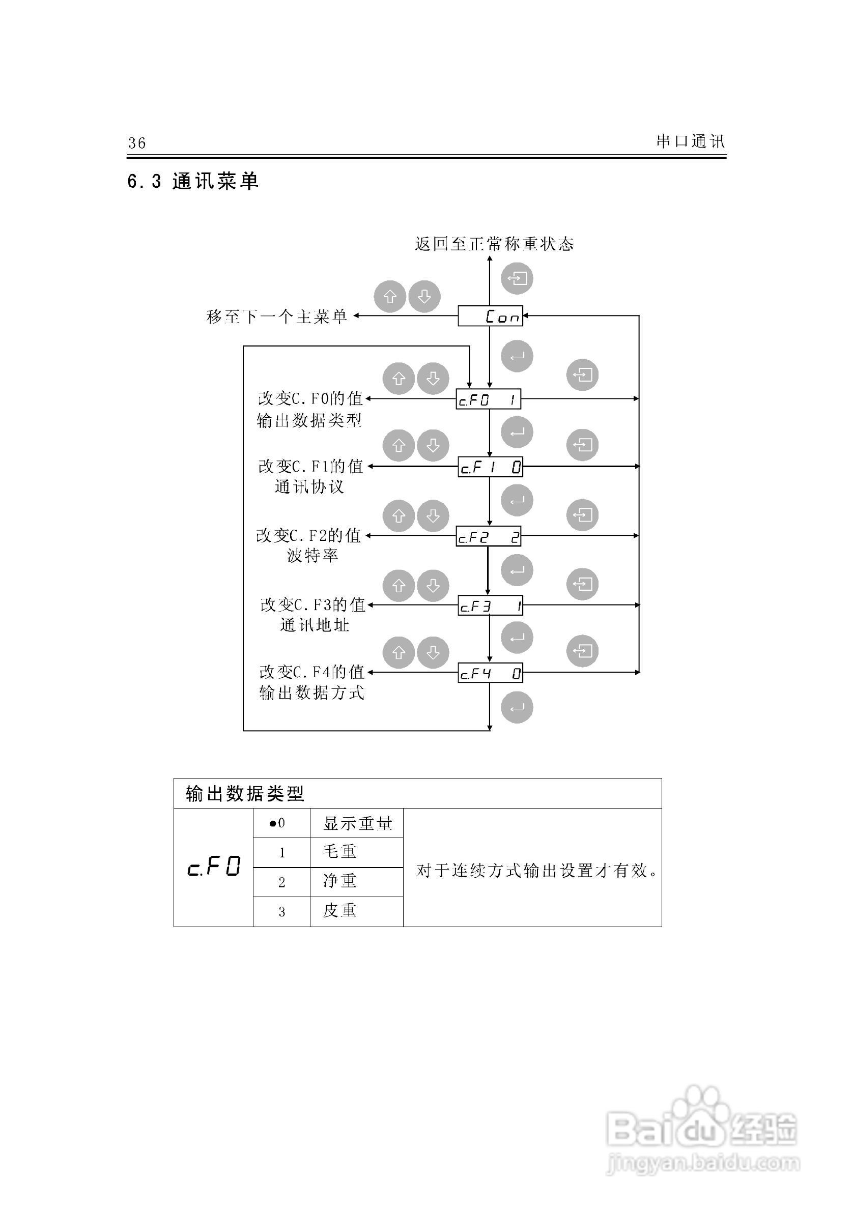
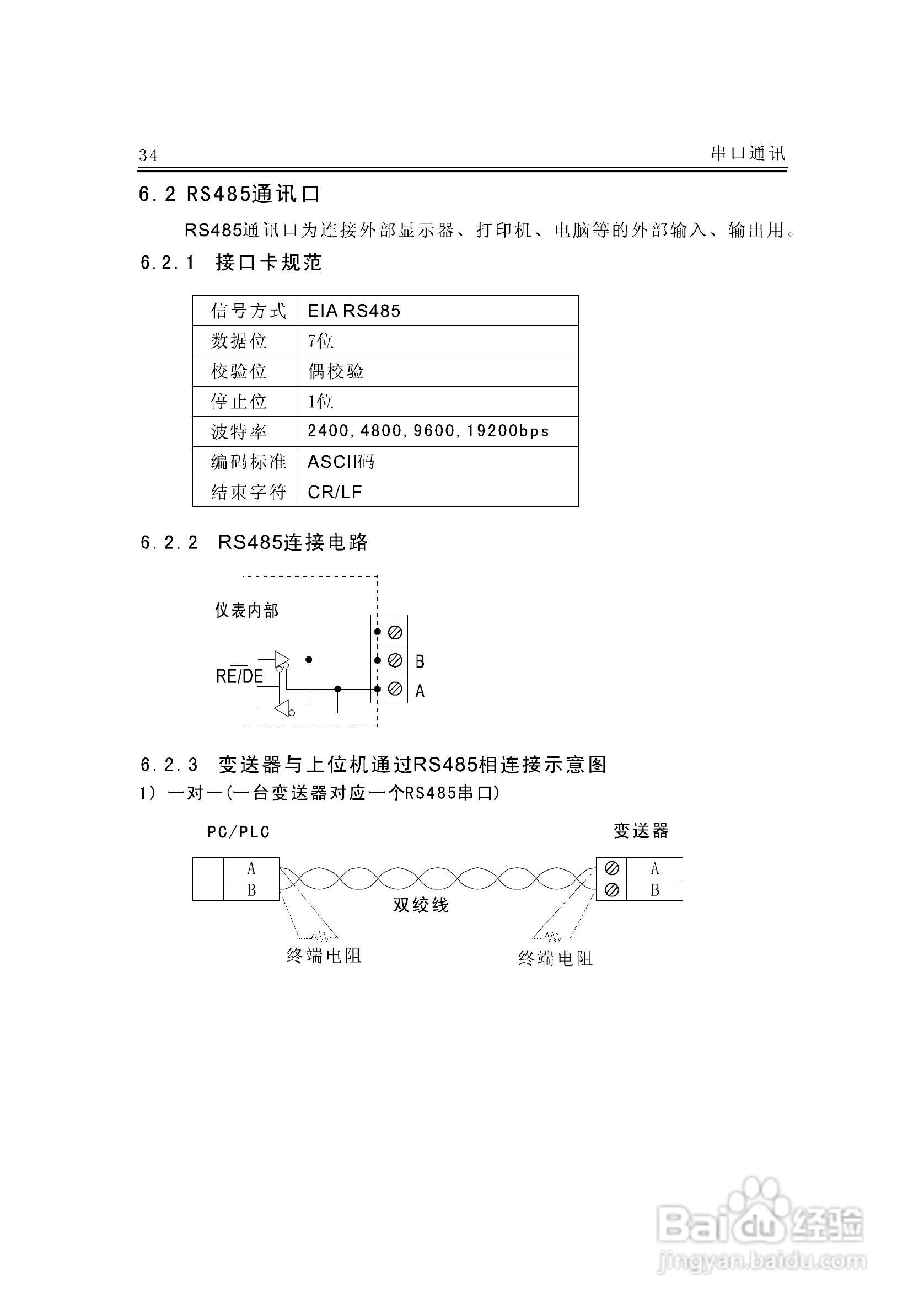
JF-300A称重变送器说明书:[4]
2026-02-16 16:29:45
本篇为《JF-300A称重变送器说明书》,主要介绍该产品的使用方法以及常见故障解决方案。
(共篇)
上一篇:
|
下一篇:
声明:
本网站引用、摘录或转载内容仅供网站访问者交流或参考,不代表本站立场,如存在版权或非法内容,请联系站长删除,联系邮箱:site.kefu@qq.com。
相关推荐
JF-300A称重变送器说明书:[3]
阅读量:178
DAT400称重变送器说明书:[4]
阅读量:167
E-LINK3000现场型称重变送器说明书:[4]
阅读量:173
变送器的校验
阅读量:80
JF系列局部放电检测系统说明书:[1]
阅读量:73
猜你喜欢
居士是什么意思
亡羊补牢告诉我们什么道理
公费师范生是什么意思啊
忠犬八公是什么狗
自愧弗如的弗是什么意思
tpv是什么材料
ue是什么意思
显示器什么牌子好
皂基是什么
5月30日是什么星座
猜你喜欢
有什么好吃的家常菜
战狼3什么时候上映
paris是什么牌子
ears是什么意思
德智体美劳指什么
1948年属什么生肖
6月1日是什么星座
煽情是什么意思
什么是冷暴力
break是什么意思