小度生活
首页
美食营养
手工爱好
生活家居
返回
小度生活
首页
美食营养
游戏数码
手工爱好
生活家居
健康养生
运动户外
职场理财
情感交际
母婴教育
时尚美容
知识问答
生活知识
生活百科
搜索
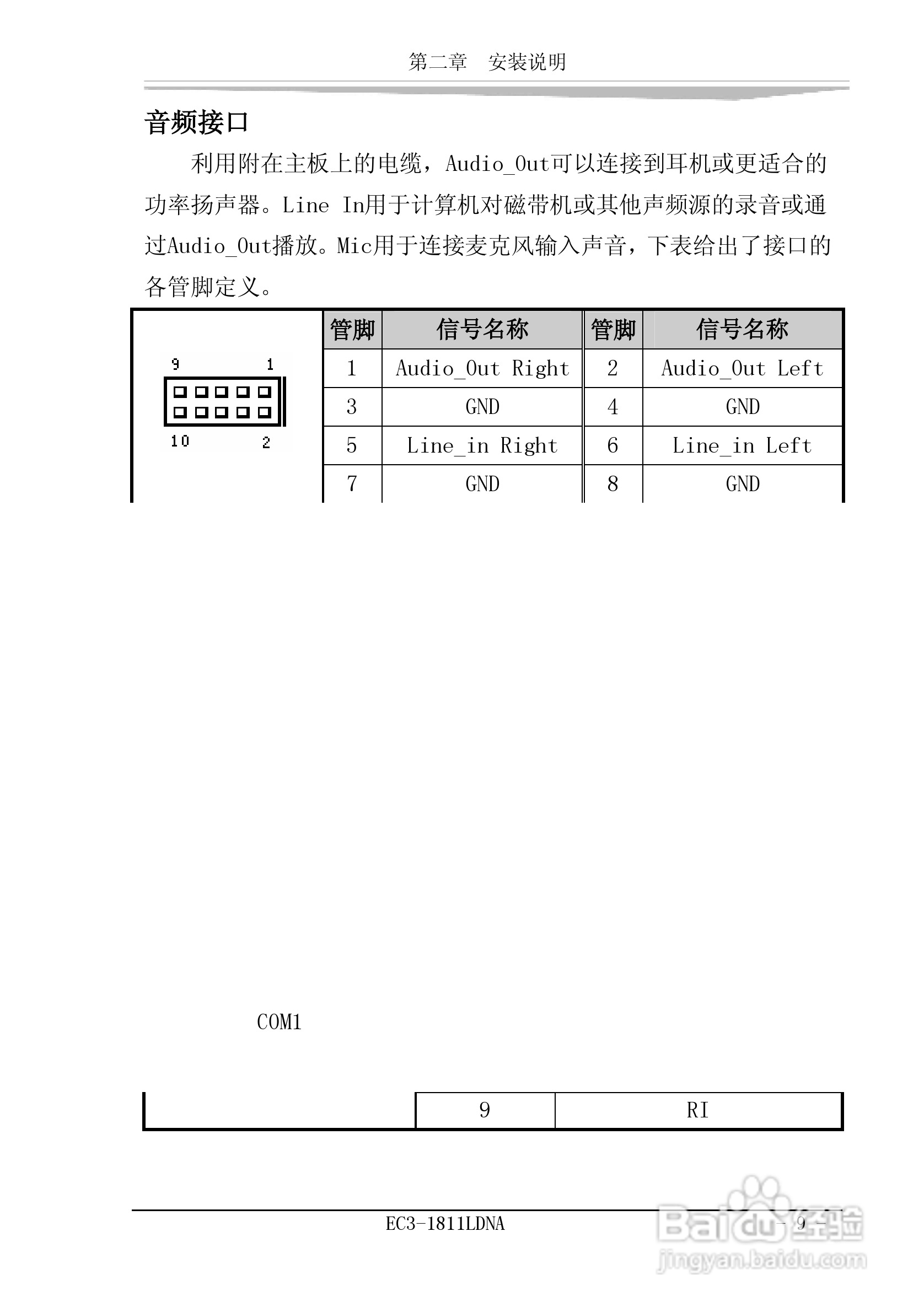
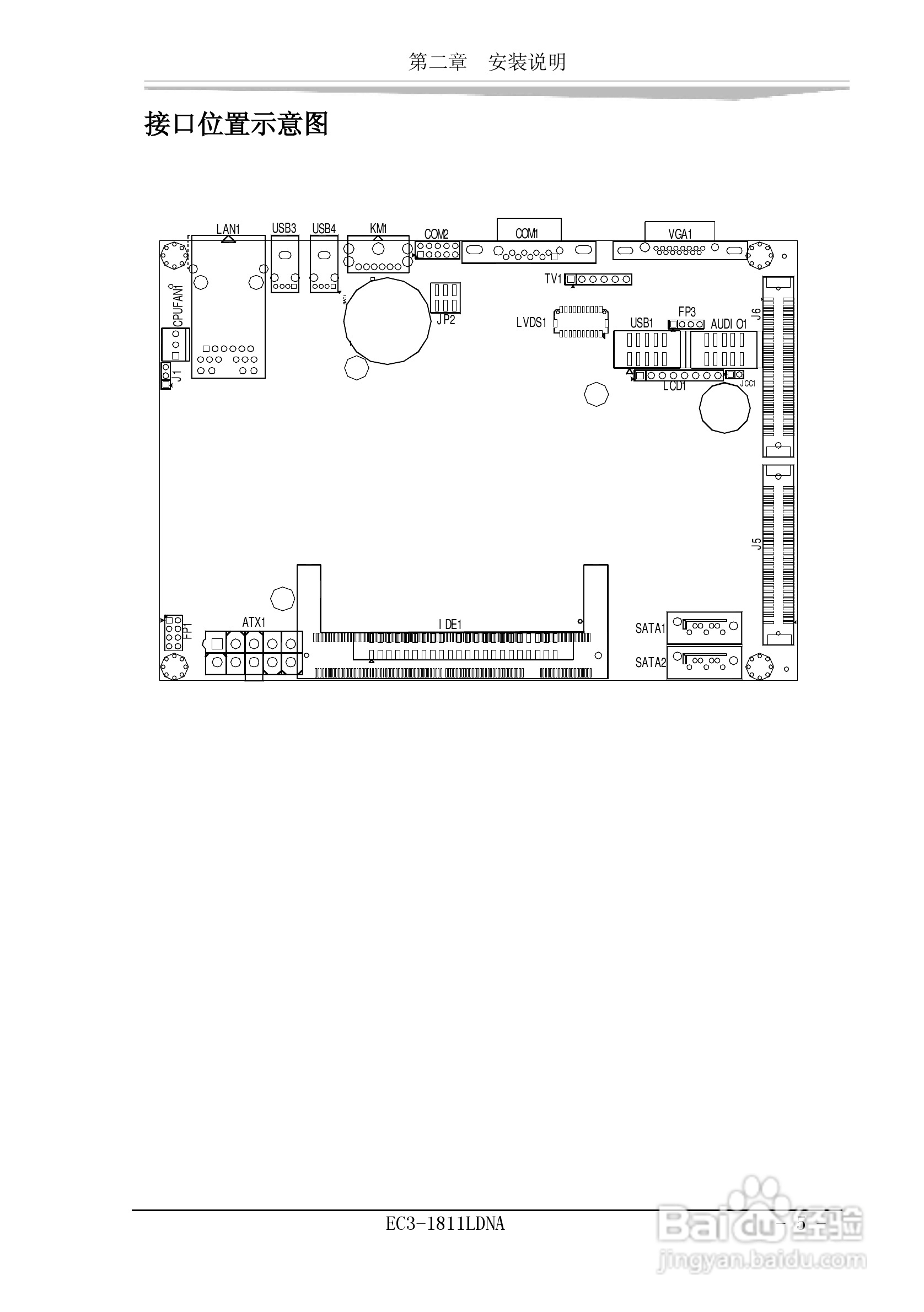
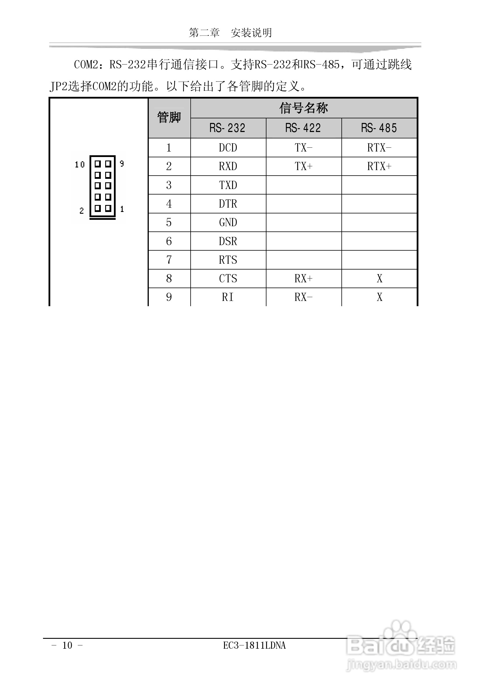
研祥EC3-1811LDNA工业级CPU板卡说明书:[2]
2026-04-06 11:50:16
本篇为《研祥EC3-1811LDNA工业级CPU板卡说明书》,主要介绍该产品的使用方法以及常见故障解决方案。
(共篇)
上一篇:
|
下一篇:
声明:
本网站引用、摘录或转载内容仅供网站访问者交流或参考,不代表本站立场,如存在版权或非法内容,请联系站长删除,联系邮箱:site.kefu@qq.com。
相关推荐
研祥EC3-1811LDNA工业级CPU板卡说明书:[3]
阅读量:192
研祥EC9-1712LDNA工业级CPU板卡说明书:[2]
阅读量:119
研祥EC9-1712LDNA工业级CPU板卡说明书:[3]
阅读量:87
研祥EC9-1712LDNA工业级CPU板卡说明书:[1]
阅读量:122
研祥EC5-1713LDNA-A0工业级CPU板卡说明书:[2]
阅读量:195
猜你喜欢
办信用卡最快的方法
提出用英语怎么说
猪肉怎么炒好吃
爆炒腰花的家常做法
带状疱疹的治疗方法
玉米饼的家常做法
挣钱方法
古诗词大全
怎么建微信公众号
手机怎么下载电视剧
猜你喜欢
4字成语大全
怎么样打字速度快
冬瓜的做法大全家常菜
有机菜花怎么做好吃
恢复视力方法
怎么和妹子聊天
睾丸痛怎么办
空气炸锅食谱做法大全
广场舞视频大全2020年最火广场舞
千叶豆腐的家常做法