小度生活
首页
美食营养
手工爱好
生活家居
返回
小度生活
首页
美食营养
游戏数码
手工爱好
生活家居
健康养生
运动户外
职场理财
情感交际
母婴教育
时尚美容
知识问答
生活知识
生活百科
搜索
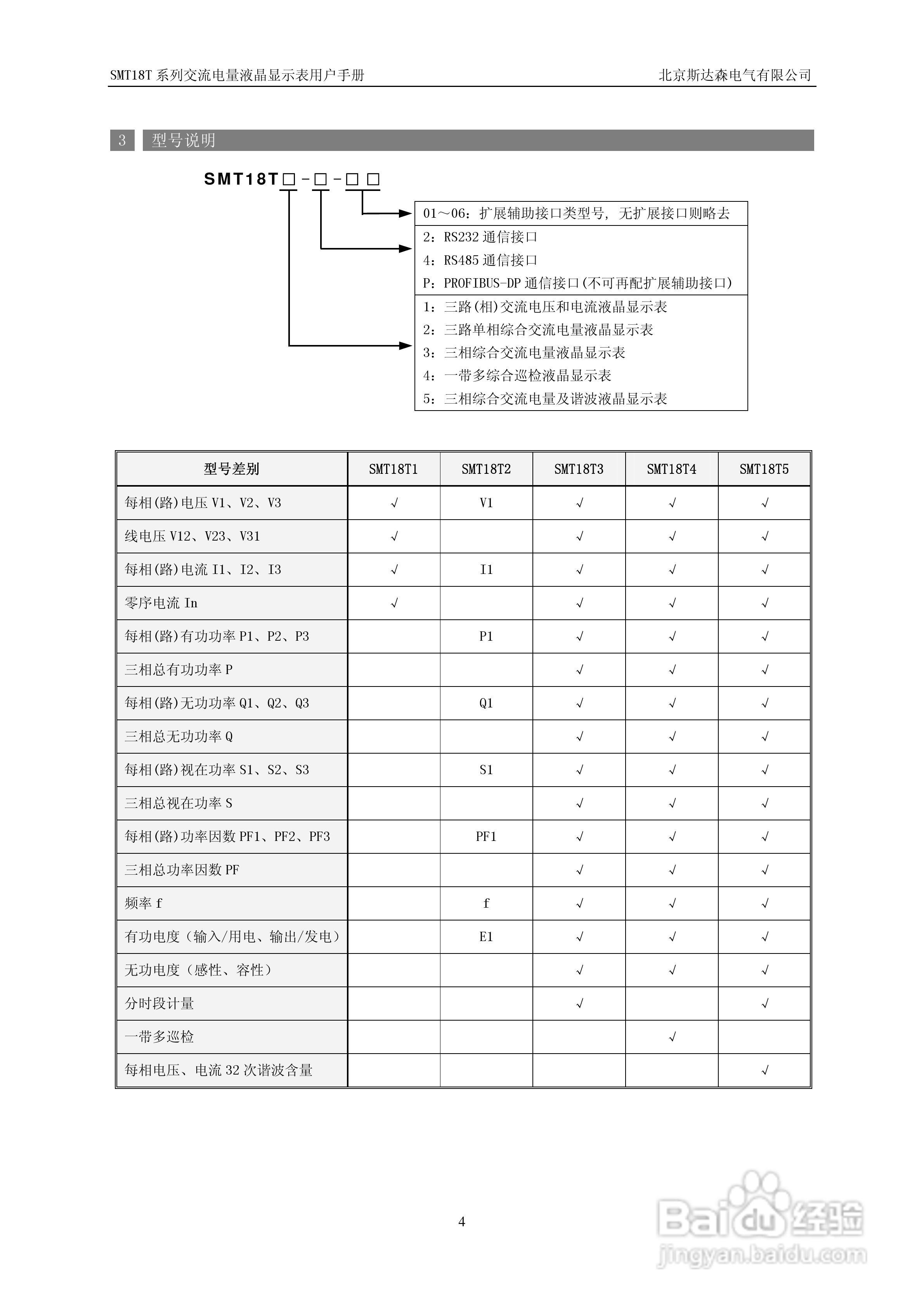
期达森SMT18T5交流电量液晶显示表用户手册:[1]
2026-04-04 20:40:51
本篇为《期达森SMT18T5交流电量液晶显示表用户手册》,主要介绍该产品的使用方法以及常见故障解决方案。
(共篇)
下一篇:
声明:
本网站引用、摘录或转载内容仅供网站访问者交流或参考,不代表本站立场,如存在版权或非法内容,请联系站长删除,联系邮箱:site.kefu@qq.com。
相关推荐
期达森SMT18T5交流电量液晶显示表用户手册:[3]
阅读量:189
斯达森SMT18E5交流电量数码显示表用户手册:[1]
阅读量:40
斯达森SMT18N5交流综合电量模块用户手册:[1]
阅读量:180
斯达森SMT18E5交流电量数码显示表用户手册:[2]
阅读量:122
斯达森SMT18N5交流综合电量模块用户手册:[3]
阅读量:129
猜你喜欢
鸡爪怎么做才好吃
蒜苔怎么做好吃
北京有什么好吃的
不爱吃饭怎么办
茄子的做法大全家常
炒西葫芦的家常做法
八门神器怎么用
粉色好吃
减肥最快的方法
好莱客衣柜怎么样
猜你喜欢
孕妇脚肿怎么办
嘴唇干燥紧绷怎么回事
饥荒下雨怎么办
剩米饭怎么做好吃
肾虚的调理方法
退货单怎么写
你看起来好像很好吃
幽门杆菌的治疗方法
我的世界红砖怎么做
易拉罐手工制作大全