小度生活
首页
美食营养
手工爱好
生活家居
返回
小度生活
首页
美食营养
游戏数码
手工爱好
生活家居
健康养生
运动户外
职场理财
情感交际
母婴教育
时尚美容
知识问答
生活知识
生活百科
搜索
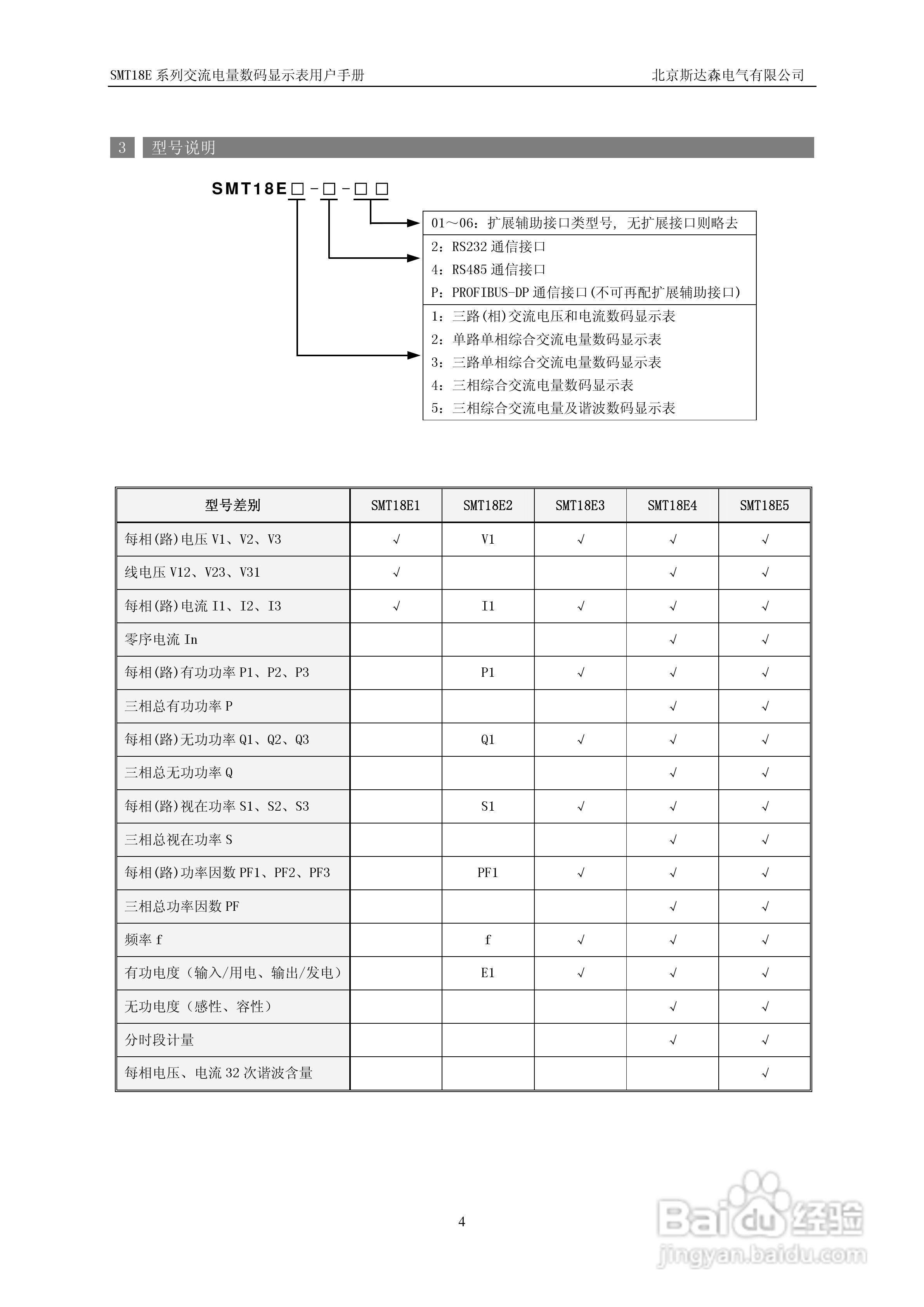
斯达森SMT18E5交流电量数码显示表用户手册:[1]
2026-04-04 18:59:01
本篇为《斯达森SMT18E5交流电量数码显示表用户手册》,主要介绍该产品的使用方法以及常见故障解决方案。
(共篇)
下一篇:
声明:
本网站引用、摘录或转载内容仅供网站访问者交流或参考,不代表本站立场,如存在版权或非法内容,请联系站长删除,联系邮箱:site.kefu@qq.com。
相关推荐
斯达森SMT18E5交流电量数码显示表用户手册:[2]
阅读量:166
斯达森SMT18N5交流综合电量模块用户手册:[1]
阅读量:75
斯达森SMT18N5交流综合电量模块用户手册:[2]
阅读量:52
期达森SMT18T5交流电量液晶显示表用户手册:[1]
阅读量:110
期达森SMT18T5交流电量液晶显示表用户手册:[2]
阅读量:88
猜你喜欢
易烊千玺怎么读
四川师范大学怎么样
辞职理由怎么说最好
手机恢复出厂设置会怎么样
睡不着觉是怎么回事
四次方怎么打
怎么画眉
怎么缩小图片
糟鱼怎么做
脸部痤疮怎么治疗
猜你喜欢
玩lolfps低怎么办
怎么给狗狗剪指甲
婴儿吐奶严重怎么办
梦幻西游化生寺怎么加点
绞刑是怎么执行的
怎么舍得你
小米手机怎么备份
报税怎么报
惠而浦热水器怎么样
qq怎么绑定闺蜜关系