小度生活
首页
美食营养
手工爱好
生活家居
返回
小度生活
首页
美食营养
游戏数码
手工爱好
生活家居
健康养生
运动户外
职场理财
情感交际
母婴教育
时尚美容
知识问答
生活知识
生活百科
搜索
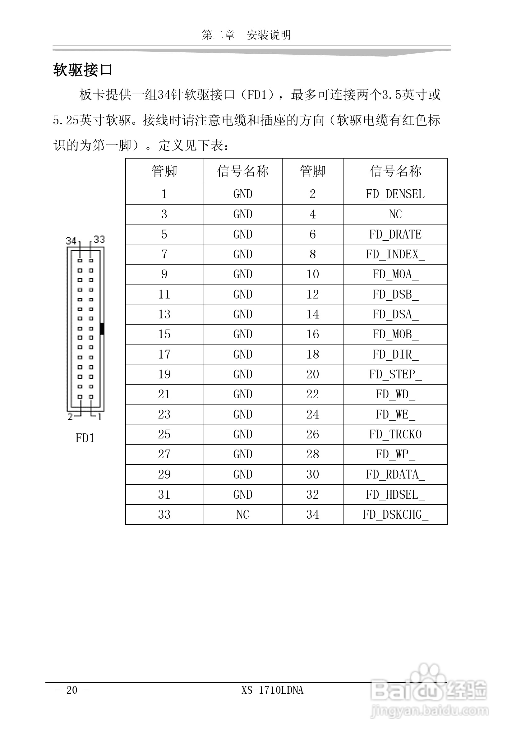
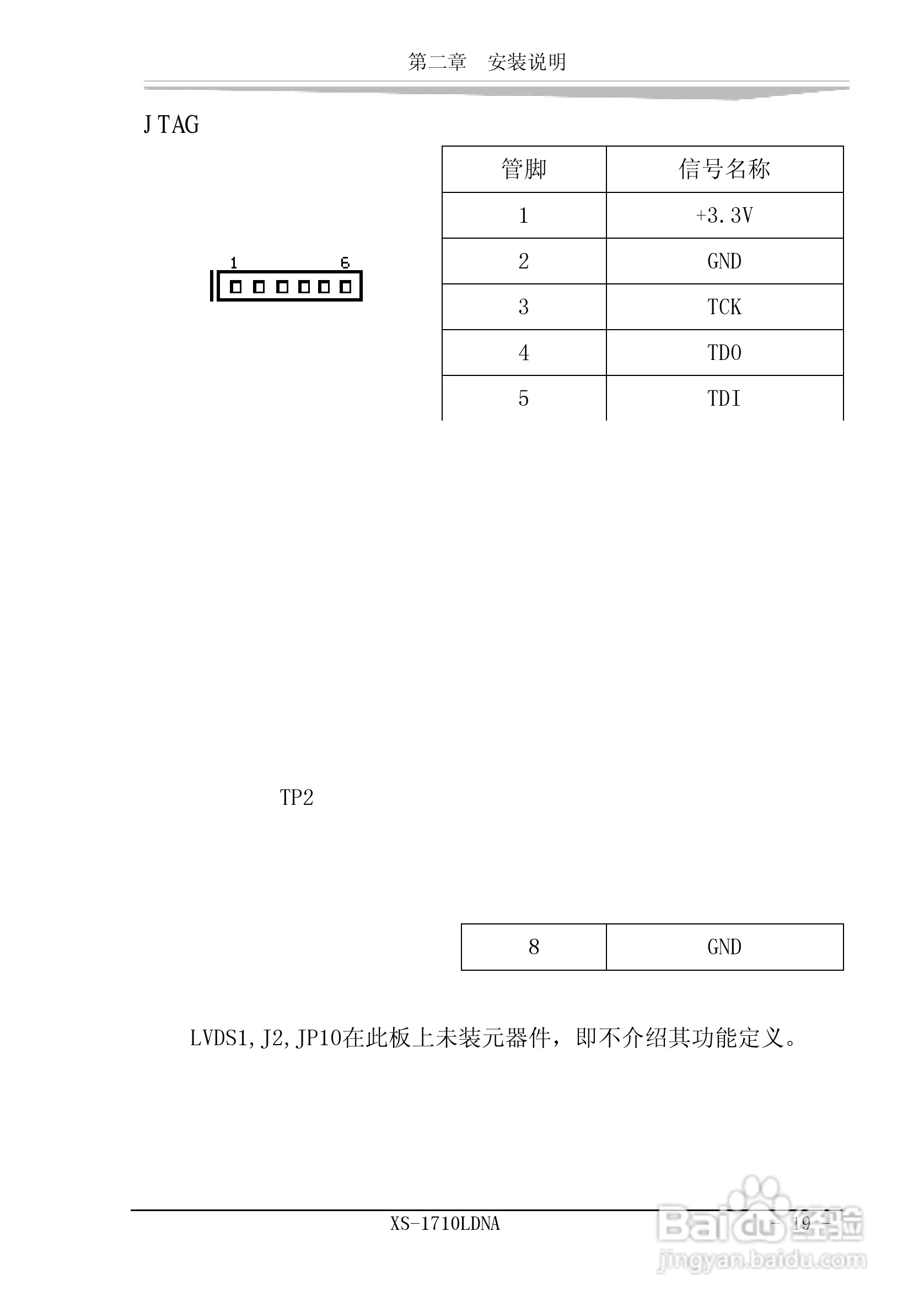
研祥XS-1710LDNA工业级CPU板卡说明书:[3]
2026-04-08 05:41:47
本篇为《研祥XS-1710LDNA工业级CPU板卡说明书》,主要介绍该产品的使用方法以及常见故障解决方案。
(共篇)
上一篇:
声明:
本网站引用、摘录或转载内容仅供网站访问者交流或参考,不代表本站立场,如存在版权或非法内容,请联系站长删除,联系邮箱:site.kefu@qq.com。
相关推荐
研祥EC9-1712LDNA工业级CPU板卡说明书:[3]
阅读量:90
研祥EC5-1713LDNA-A0工业级CPU板卡说明书:[3]
阅读量:122
研祥EC9-1712LDNA工业级CPU板卡说明书:[4]
阅读量:20
研祥EC5-1713LDNA-A0工业级CPU板卡说明书:[7]
阅读量:183
研祥EC5-1713LDNA-A0工业级CPU板卡说明书:[6]
阅读量:102
猜你喜欢
锻炼身体的方法
危险方法
怎么截动图
雅诗兰黛眼霜怎么样
昙花的养殖方法
怀孕肚子疼怎么回事
快手怎么发长视频
奥奇传说精灵大全
惩罚女朋友最疼最污的方法
左胸口疼是怎么回事
猜你喜欢
怎么编辫子
豆腐皮怎么做好吃
治疗失眠的最好方法
让鼻子通气的最快方法
炒瓜子的方法
脸上过敏发红发痒怎么办
奇迹三代翅膀怎么合成
腰突的最佳治疗方法
鱼尾纹除皱方法
移动怎么取消流量套餐