小度生活
首页
美食营养
手工爱好
生活家居
返回
小度生活
首页
美食营养
游戏数码
手工爱好
生活家居
健康养生
运动户外
职场理财
情感交际
母婴教育
时尚美容
知识问答
生活知识
生活百科
搜索
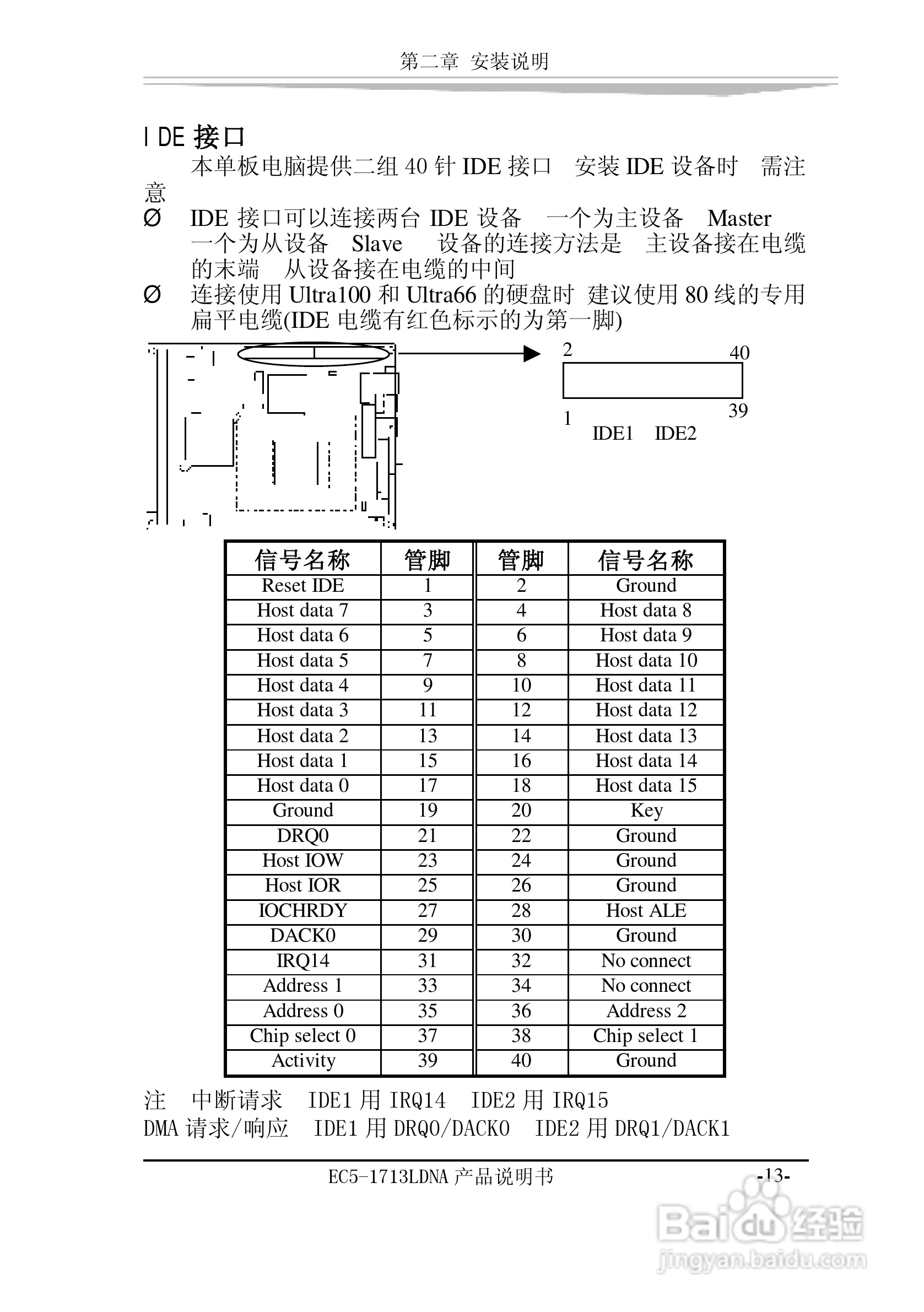
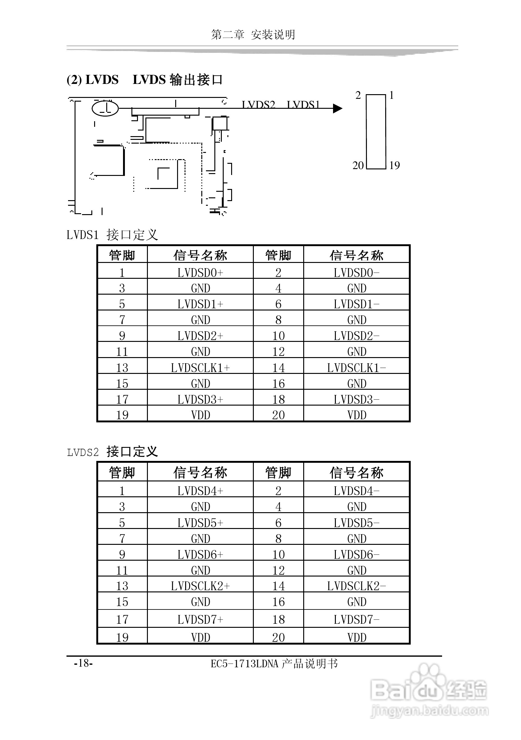
研祥EC5-1713LDNA-A0工业级CPU板卡说明书:[3]
2026-04-08 07:42:10
本篇为《研祥EC5-1713LDNA-A0工业级CPU板卡说明书》,主要介绍该产品的使用方法以及常见故障解决方案。
(共篇)
上一篇:
|
下一篇:
声明:
本网站引用、摘录或转载内容仅供网站访问者交流或参考,不代表本站立场,如存在版权或非法内容,请联系站长删除,联系邮箱:site.kefu@qq.com。
相关推荐
研祥EC5-1713LDNA-A0工业级CPU板卡说明书:[6]
阅读量:24
研祥EC5-1713LDNA-A0工业级CPU板卡说明书:[5]
阅读量:87
研祥EC9-1712LDNA工业级CPU板卡说明书:[3]
阅读量:45
研祥EC9-1712LDNA工业级CPU板卡说明书:[4]
阅读量:169
研祥EC9-1712LDNA工业级CPU板卡说明书:[2]
阅读量:141
猜你喜欢
ppt怎么打不开
echo是什么意思中文
生活用水
专业不对口怎么找工作
微信是一个生活方式
婚庆公司怎么开
阳虚体质如何调理
心理学与生活pdf
a型血和o型血生的孩子是什么血型
白洁性荡生活
猜你喜欢
空姐生活照
骄傲的反义词是什么
armani手表怎么样
怎么治疗老年斑
慢性宫颈炎如何根治
qq红包怎么用
如何写教学反思
dns是什么意思
网站后台怎么进
如何填报志愿