小度生活
首页
美食营养
手工爱好
生活家居
返回
小度生活
首页
美食营养
游戏数码
手工爱好
生活家居
健康养生
运动户外
职场理财
情感交际
母婴教育
时尚美容
知识问答
生活知识
生活百科
搜索
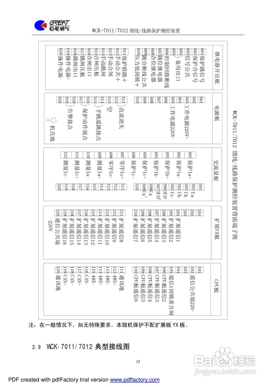
巨龙WCK-7010馈线保护测控装置说明书:[2]
2026-04-25 11:30:58
本篇为《巨龙WCK-7010馈线保护测控装置说明书》,主要介绍该产品的使用方法以及常见故障解决方案。
(共篇)
上一篇:
声明:
本网站引用、摘录或转载内容仅供网站访问者交流或参考,不代表本站立场,如存在版权或非法内容,请联系站长删除,联系邮箱:site.kefu@qq.com。
相关推荐
巨龙WCK-7022电容器保护测控装置说明书:[2]
阅读量:78
巨龙WCK-7031站用变/接地变保护测控装置说明书:[2]
阅读量:23
巨龙WCK-7051备用电源自投保护测控装置说明书:[2]
阅读量:72
巨龙WCK-7031站用变/接地变保护测控装置说明书:[1]
阅读量:181
NSP788(v2.0)馈线保护及测控装置技术说明书:[3]
阅读量:93
猜你喜欢
apple pay是什么
什么是艾滋病
小马过河告诉我们什么道理
pd990是什么金
碳水化合物是什么
烤鱼用什么鱼最好
次第是什么意思
昆明是什么城
贫血有什么症状
钣金是什么
猜你喜欢
c4驾驶证能开什么车
手指脱皮是什么原因
985211是什么意思
子宫肌瘤是什么原因导致的
吃鸡是什么游戏
耽改剧是什么意思
无恙是什么意思
pmp是什么
公司注册资金多少有什么区别
封狼居胥是什么意思